Σωματίδια που Mοιάζουν με «Iούς»
Μια Κριτική Ανάλυση
Σας ευχαριστώ θερμά για το ενδιαφέρον σας και την αναδημοσίευση των άρθρων μου. Θα εκτιμούσα ιδιαίτερα αν, κατά την κοινοποίηση, σ̲υ̲μ̲π̲ε̲ρ̲ι̲λ̲α̲μ̲β̲ά̲ν̲α̲τ̲ε̲ ̲κ̲α̲ι̲ ̲τ̲ο̲ν̲ ̲σ̲ύ̲ν̲δ̲ε̲σ̲μ̲ο̲ ̲(̲l̲i̲n̲k̲)̲ ̲τ̲ο̲υ̲ ̲ά̲ρ̲θ̲ρ̲ο̲υ̲ ̲μ̲ο̲υ̲. Αυτό όχι μόνο αναγνωρίζει την πηγή, αλλά επιτρέπει και σε άλλους να ανακαλύψουν περισσότερο περιεχόμενο. Η υποστήριξή σας είναι πολύτιμη για τη συνέχιση της ενημέρωσης.
Απόδοση στα ελληνικά: Απολλόδωρος - MIKE STONE | 14 ΜΑΡΤΙΟΥ 2025
«Ιοειδή» σωματίδια
Από την αρχή της έρευνάς μου σχετικά με τους ισχυρισμούς της ιολογίας, προτεραιότητά μου ήταν να εξετάσω τα θεμελιώδη στοιχεία για την ύπαρξη «παθογόνων ιών». Αντί να βασιστώ σε εξωτερικές κριτικές, επέλεξα να αναλύσω τη βιβλιογραφία της ίδιας της ιολογίας, αποκαλύπτοντας τις ψευδοεπιστημονικές μεθόδους της χρησιμοποιώντας το ίδιο το έργο του κλάδου. Η προσέγγισή μου ήταν να επισημάνω τα εσωτερικά ελαττώματα και τις λογικές ασυνέπειες της ιολογικής έρευνας, αποδεικνύοντας ότι τα συμπεράσματά της δεν πληρούν τα βασικά επιστημονικά πρότυπα. Τα πειράματα είχαν ήδη διεξαχθεί και τα υποτιθέμενα «αποδεικτικά στοιχεία» είχαν ήδη τεκμηριωθεί — απλώς έπρεπε να αποκαλύψω πώς δεν υποστήριζαν τους ισχυρισμούς της ιολογίας. Όπως τόνισε ο Kary Mullis, ο εφευρέτης της PCR, η αμφισβήτηση ενός επιστημονικού ισχυρισμού είναι τελικά θέμα λογικής.
Δεν χρειάζεται να είναι κανείς ιολόγος, να εργάζεται σε εργαστήριο ή να διεξάγει πειράματα για να αξιολογήσει κριτικά τα αποδεικτικά στοιχεία που υποστηρίζουν μια υπόθεση. Το βασικό ερώτημα είναι αν η βασική έρευνα ακολουθεί την επιστημονική μέθοδο και παρέχει λογικά βάσιμα αποδεικτικά στοιχεία. Αν δεν το κάνει, η υπόθεση είναι άκυρη. Το βάρος της απόδειξης βαρύνει εξ ολοκλήρου όσους προβάλλουν τον ισχυρισμό, πράγμα που σημαίνει ότι όποιος υποστηρίζει τα συμπεράσματα της ιολογίας ως επιστημονικά δεδομένα πρέπει είτε να προσκομίσει έγκυρα αποδεικτικά στοιχεία είτε να αναγνωρίσει την απουσία τους.
Αυτή η προσέγγιση έχει αποδειχθεί ιδιαίτερα αποτελεσματική για εμένα και για άλλους που εργάζονται για να αποκαλύψουν τα ελαττώματα της ιολογίας. Κάθε πτυχή αυτού του ψευδοεπιστημονικού πεδίου — από αποτυχημένες μελέτες μετάδοσης έως ελαττωματικά πειράματα κυτταρικής καλλιέργειας — έχει συστηματικά αντικρουστεί χρησιμοποιώντας τις ίδιες τις πηγές της ιολογίας. Μέσω απλής λογικής, έχουμε αποδείξει ότι τα επιστημονικά στοιχεία που η ιολογία ισχυρίζεται ότι διαθέτει δεν υπάρχουν στην πραγματικότητα στη δική της βιβλιογραφία και ότι η «ιογενής» υπόθεση έχει επανειλημμένα διαψευσθεί. Το βάρος της απόδειξης παραμένει ανεκπλήρωτο.
Ωστόσο, ορισμένοι, ενώ αναγνωρίζουν επιφανειακά ότι η ιολογία στερείται των απαραίτητων επιστημονικών αποδείξεων, υιοθετούν μια ασυνήθιστη στάση: υποστηρίζουν ότι το βάρος της απόδειξης ότι οι μέθοδοι τους πληρούν τα επιστημονικά πρότυπα δεν βαρύνει τους ιολόγους. Αντίθετα, επιμένουν ότι δεν αρκεί η αναγνώριση των λογικών και μεθοδολογικών ελλείψεων στη βιβλιογραφία της ιολογίας — ότι όσοι αμφισβητούν τους ισχυρισμούς της ιολογίας πρέπει επίσης να διεξάγουν εργαστηριακά πειράματα για να τους διαψεύσουν. Με άλλα λόγια, πιστεύουν ότι πρέπει να πραγματοποιήσουμε τις δικές μας μελέτες κυτταρικής καλλιέργειας και ηλεκτρονικής μικροσκοπίας για να αποκαλύψουμε τη μεθοδολογική απάτη στις συμπεράσματα της ιολογίας.
Αυτό είναι ένα λεπτό αλλά σαφές παράδειγμα της πλάνης της αντιστροφής του βάρους της απόδειξης — απαιτώντας να αποδείξουμε πειραματικά ένα αρνητικό (δηλαδή, ότι οι «ιοί» δεν υπάρχουν) χρησιμοποιώντας τις ίδιες μεθοδολογίες που προϋποθέτουν την ύπαρξή τους. Ενώ πρόσθετα στοιχεία μπορούν πάντα να ενισχύσουν μια υπόθεση, αυτό είναι περιττό όταν σχεδόν 150 χρόνια ιολογικών μελετών περιέχουν επαρκείς αντιφάσεις και μεθοδολογικά ελαττώματα για να αντικρούσουν την «ιογενή» υπόθεση.
Για παράδειγμα, τα πειράματα κυτταρικής καλλιέργειας που χρησιμοποιήθηκαν για να «αποδείξουν» την ύπαρξη των «ιών» έχουν ήδη καταρριφθεί μέσω λογικής ανάλυσης και κριτικής ανασκόπησης της ίδιας της βιβλιογραφίας της ιολογίας. Δεν χρειάστηκε πρακτική εργαστηριακή εργασία για να αποκαλυφθούν αυτά τα ελαττώματα — αρκούσε μια σαφής κατανόηση της επιστημονικής μεθόδου. Δεδομένου ότι αυτά τα πειράματα δεν προέρχονται από ένα φυσικά παρατηρούμενο φαινόμενο που οδηγεί σε μια επαληθεύσιμη, διαψεύσιμη υπόθεση, δεν ξεκινούν με μια ανεξάρτητη μεταβλητή που είναι απομονωμένη και χειραγωγημένη, και βασίζονται σε ένα τεχνητό φαινόμενο που δημιουργείται στο εργαστήριο με πολλαπλές γνωστές «μη ιογενείς» αιτίες, δεν πληρούν τα πρότυπα της γνήσιας επιστημονικής έρευνας. Ως εκ τούτου, έχει ήδη αποδειχθεί ότι είναι ψευδοεπιστημονικά χωρίς να απαιτείται από κανέναν να μπει σε εργαστήριο.
Θα μπορούσαμε να αναθέσουμε σε εργαστήρια να επαναλάβουν αυτά τα πειράματα και να επιβεβαιώσουν όσα έχει αποδείξει η ίδια η βιβλιογραφία της ιολογίας από τότε που ο John Franklin Enders εισήγαγε τη μέθοδο της κυτταρικής καλλιέργειας το 1954; Βεβαίως. Αλλά είναι απαραίτητο; Καθόλου. Οι ίδιοι οι ιολόγοι έχουν ήδη αποκαλύψει τις ψευδοεπιστημονικές ατέλειες στο έργο τους. Αυτός είναι ακριβώς ο λόγος για τον οποίο, κατά τη διάρκεια της κορύφωσης της επιδημίας του AIDS στη δεκαετία του 1980, οι αντιφρονούντες του HIV/AIDS, όπως η Ομάδα του Perth, δεν χρειάστηκε να διεξάγουν δικές τους εργαστηριακές έρευνες για να αποκαλύψουν τις λογικές και επιστημονικές ατέλειες του ισχυρισμού ότι ένας νέος «ρετροϊός» προκάλεσε ένα νέο σύνδρομο. Διαθέταν ένα οπλοστάσιο ελαττωματικών αποδεικτικών στοιχείων από επιστημονικά περιοδικά με κριτική επιτροπή, καθώς και μια σταθερή κατανόηση της λογικής και της επιστημονικής μεθόδου για να αποδομήσουν την επικρατούσα αφήγηση. Η αυστηρή ανάλυσή τους της ίδιας της βιβλιογραφίας της ιολογίας έθεσε τα θεμέλια για την αμφισβήτηση του παραδείγματος του HIV/AIDS, παρέχοντας μια ισχυρή βάση για τη μελλοντική εξέταση των ιολογικών ισχυρισμών.
Ωστόσο, δεδομένου ότι ορισμένοι μπορεί να συνεχίσουν να υποστηρίζουν ότι η ενασχόληση με τις ελαττωματικές μεθοδολογίες της ιολογίας είναι απαραίτητη για να αποκαλυφθούν τα λάθη της, θέλω να δώσω ένα λεπτομερές παράδειγμα του γιατί αυτό είναι τελικά περιττό. Δεδομένου ότι τα ελαττώματα των πειραμάτων κυτταρικής καλλιέργειας έχουν ήδη αποκαλυφθεί διεξοδικά, θα στραφώ στις εικόνες ηλεκτρονικής μικροσκοπίας (EM) των «ιϊκών» σωματιδίων ως ένα άλλο βασικό παράδειγμα. Αν και η εγκυρότητα αυτών των εικόνων έχει ήδη αμφισβητηθεί — λόγω ελαττωμάτων στις μεθόδους προετοιμασίας EM και της εσφαλμένης αναγνώρισης φυσιολογικών κυτταρικών δομών ως «ιών» — θα εξετάσω ακόμη πιο διεξοδικά τα βασικά στοιχεία για να αποκαλύψω περαιτέρω την απάτη. Θα ξεκινήσω με μια σύντομη ιστορική αναδρομή της πρώτης χρήσης του EM για την αναγνώριση σωματιδίων που θεωρούνταν «ιοί» και, στη συνέχεια, θα εξετάσω βασικές μελέτες από τη δεκαετία του 1930 έως τη δεκαετία του 1980. Θα αποδείξω ότι αυτά τα «ιόμορφα» σωματίδια δεν έχουν ποτέ επικυρωθεί επιστημονικά ως «παθογόνοι ιοί» και ότι πανομοιότυπες δομές έχουν παρατηρηθεί συστηματικά σε ιστούς και κυτταρικές καλλιέργειες που έχουν χαρακτηριστεί ως «απαλλαγμένες από ιούς».
Αυτή η ανάλυση θα αποδείξει ότι για να αποκαλυφθεί η απάτη που κρύβεται πίσω από αυτές τις εικόνες δεν είναι απαραίτητο να γίνει κανείς ηλεκτρονικός μικροσκοπικός ή να προσλάβει έναν. Αρκεί να έχει κανείς μια σαφή κατανόηση της λογικής και της επιστημονικής μεθόδου για να εξετάσει κριτικά τα υπάρχοντα στοιχεία.
Πριν από την εφεύρεση του ηλεκτρονικού μικροσκοπίου από τον Γερμανό μηχανικό Ernst Ruska το 1931, οι «ιοί» ήταν καθαρά θεωρητικές οντότητες που συνάγονταν παρά παρατηρούνταν. Η ύπαρξή τους υποτίθεται με βάση τη διέλευση υλικών από νοσούντες ξενιστές μέσω φίλτρων σχεδιασμένων να συγκρατούν βακτήρια και την ικανότητά τους να προκαλούν πειραματικές ασθένειες σε ζώα. Δεδομένου ότι οι «ιοί» ήταν πολύ μικροί για να φαίνονται με οπτικά μικροσκόπια, η φύση τους παρέμενε ένα αινιγματικό μυστήριο. Όπως σημείωσε η ιολόγος Karen Scholthof σε προσωπική επικοινωνία με τον ιστορικό Tor Van Helvoort, για δεκαετίες, οι «ιοί» παρέμεναν «εκτός των ορίων της κατανόησης. Δεν μπορούσαμε να τους δούμε».
Το 1932, μόλις ένα χρόνο μετά την εφεύρεση του ηλεκτρονικού μικροσκοπίου, ο ιολόγος Thomas Rivers χαρακτήρισε αυτούς τους αόρατους παράγοντες με αρνητικούς όρους μέσω τριών καθοριστικών χαρακτηριστικών: δεν μπορούσαν να φανούν με ένα κανονικό μικροσκόπιο, περνούσαν από φίλτρα που παγίδευαν τα βακτήρια και δεν μπορούσαν να αναπαραχθούν χωρίς ζωντανά κύτταρα. Εκείνη την εποχή, οι επιστήμονες συζητούσαν τι ήταν στην πραγματικότητα ένας «ιός» —κάποιοι πίστευαν ότι ήταν μια τοξίνη, ένα ένζυμο, ένα ζυμομύκητας, μια διαλυτή ουσία, μια πρωτεΐνη υψηλού μοριακού βάρους ή ένας εξαιρετικά μικρός μικροοργανισμός. Ο ορισμός παρέμεινε ασαφής για μεγάλο μέρος των αρχών του 20ού αιώνα και ο όρος «ιός» χρησιμοποιούνταν ευρέως για να αναφερθεί σε οποιονδήποτε «μολυσματικό παράγοντα» μέχρι τα μέσα του 20ού αιώνα, όταν οι πρόοδοι στην ηλεκτρονική μικροσκοπία και τη μοριακή βιολογία οδήγησαν στη συναίνεση ότι οι «ιοί» ήταν ξεχωριστές σωματιδιακές οντότητες.
Με την έλευση του ηλεκτρονικού μικροσκοπίου το 1931, οι ιολόγοι μπόρεσαν επιτέλους να «δουν» τις υποθετικές οντότητες που παρέμεναν αόρατες κάτω από τα οπτικά μικροσκόπια, τα οποία είχαν περιορισμένη μεγέθυνση περίπου 1.000 φορές. Τώρα, με μεγεθύνσεις που κυμαίνονται από 10.000 έως 50.000 φορές, μπορούσαν να απεικονίσουν μεμονωμένα σωματίδια που προηγουμένως υπήρχαν μόνο ως θεωρητικές κατασκευές. Όπως το έθεσε ένας παρατηρητής, το ηλεκτρονικό μικροσκόπιο έδωσε στους επιστήμονες «τη δύναμη να βλέπουν πραγματικά ως μεμονωμένα αντικείμενα πράγματα που ήταν μόνο νοητικές έννοιες».
Αυτή η τεχνολογική καινοτομία σηματοδότησε μια αλλαγή παραδείγματος. Μέχρι τότε, οι «ιοί» είχαν ταυτοποιηθεί κυρίως από την ικανότητά τους να προκαλούν ασθένειες στους ξενιστές. Τώρα, θα ταξινομούνταν με βάση τη μορφολογία των σωματιδίων που παρατηρούνταν. Ο ιστορικός Tor Van Helvoort τόνισε τη σημασία αυτής της αλλαγής, δηλώνοντας ότι το ηλεκτρονικό μικροσκόπιο ήταν «το πρώτο μεταξύ ίσων» όλων των τεχνολογιών που μεταμόρφωσαν την έννοια του «ιού». Σημείωσε ότι «δεν ήταν τυχαίο το γεγονός ότι η ιολογία αποσχίστηκε από τη βακτηριολογία και απέκτησε το καθεστώς ανεξάρτητης επιστήμης μόνο μετά την εφεύρεση αυτού του οργάνου και την ορατότητα των πρώτων ιών».
Αλλά η δυνατότητα ορατότητας των κάποτε αόρατων σωματιδίων με το ηλεκτρονικό μικροσκόπιο επιβεβαίωσε πραγματικά την ταυτότητά τους ως παθογόνων «ιών»; Για να απαντήσουμε σε αυτό, πρέπει να εξετάσουμε τις πρώτες απεικονίσεις αυτών των δομών και να αξιολογήσουμε αν οι υποθέσεις ισχύουν.
Ο Frank MacFarlane Burnet, γνωστός για το έργο του στον τομέα της πολιομυελίτιδας και των «αντισωμάτων», θεωρείται ο πρώτος που χρησιμοποίησε τον όρο «σωματίδια παρόμοια με ιούς» στην εργασία του του 1933 σχετικά με την εξουδετέρωση των βακτηριοφάγων από τον αντιφάγο ορό.
Ειδική Συγκόλληση Βακτηριοφάγων
Οι φωτογραφίες από μόνες τους δεν μεταφέρουν πολλές πληροφορίες και είναι πιθανό ότι, υπό ορισμένες συνθήκες, συγκεκριμένα ιζήματα από διαλυτά αντιδραστήρια μπορεί να παράγουν συσσωματώματα με παρόμοια μικροσκοπική εμφάνιση. Από την άλλη πλευρά, όμως, εάν σωματίδια παρόμοια με ιούς, μεγέθους 50-75 μm, όπως αυτά που βρέθηκαν για τον φάγο C16 με μεθόδους διήθησης, συσσωματώνονταν σε μάζες με ειδική συγκόλληση ορού, τότε θα ήταν αναμενόμενο ότι η εικόνα που θα μπορούσε να ληφθεί με την διαθέσιμη τεχνική θα ήταν ακριβώς παρόμοια με αυτή που βρέθηκε στην πραγματικότητα. Δεν είναι δυνατόν να δοθεί ακριβής εκτίμηση της διαμέτρου των σωματιδίων του φάγου από αυτές τις φωτογραφίες, αλλά υποδεικνύουν ότι πιθανώς δεν είναι πολύ μεγαλύτερη από 50 μm.
https://pmc.ncbi.nlm.nih.gov/articles/PMC2048370/
Η εικόνα που παρουσιάστηκε στο άρθρο δεν προήλθε από ηλεκτρονικό μικροσκόπιο, αλλά από μικροφωτογραφίες υπεριώδους ακτινοβολίας. Αντί να απεικονίζουν μεμονωμένα «ιϊκά» σωματίδια, οι εικόνες έδειχναν άμορφο ή συσσωματωμένο υλικό. Δεν παρουσιάστηκαν επιστημονικά στοιχεία που να επιβεβαιώνουν ότι οι δομές που αναγνωρίστηκαν σε αυτές τις μικροφωτογραφίες ήταν πραγματικές θύλακες «ιϊκών» οντοτήτων.
Παρά την αβεβαιότητα αυτή, ο Burnet όχι μόνο ταξινόμησε τους αόρατους βακτηριοφάγους ως «ιούς» των βακτηρίων — μια άποψη που ήταν ακόμη πολύ αμφισβητήσιμη εκείνη την εποχή — αλλά προχώρησε ακόμη περισσότερο δηλώνοντας ότι οι «ιοί» ήταν σωματιδιακές οντότητες. Αν και ιολόγοι όπως ο Thomas Rivers είχαν επίσης αναφερθεί στους «ιούς» ως σωματίδια, αυτό παρέμεινε μια σημαντική υπόθεση, καθώς δεν υπήρχε ακόμη συναίνεση σχετικά με το αν ένας «ιός» ήταν ένα διακριτό σωματίδιο ή απλώς μια τοξική ουσία κάποιου είδους. Στην πραγματικότητα, οι ερευνητές Vinson και Petre το 1931 περιέγραψαν τον «ιό» του μωσαϊκού του καπνού να συμπεριφέρεται σαν χημική ουσία, δηλώνοντας: «...είναι πιθανό ότι ο ιός που ερευνήσαμε αντέδρασε ως χημική ουσία». Το συμπέρασμά τους ενισχύθηκε το 1933 από τους Barton-Wright και McBain, οι οποίοι, αφού επανέλαβαν την έρευνά τους, επιβεβαίωσαν: «Επαναλάβαμε αυτή την έρευνα λεπτομερώς και την επιβεβαιώσαμε σε κάθε της λεπτομέρεια, και είμαστε επίσης της άποψης ότι ο ιός σε αυτή την περίπτωση συμπεριφέρεται ως χημική ένωση και όχι ως ζωντανός οργανισμός».
Παρόλα αυτά, με την εμφάνιση της τεχνολογίας που ήταν σε θέση να «βλέπει» τα νανοσωματίδια, ξεκίνησε η αναζήτηση του φευγαλέου «ιϊκού» σωματιδίου. Οι πρώτες μελέτες με ηλεκτρονικό μικροσκόπιο εξέτασαν τα κυτταρικά υπολείμματα — τα οποία, σύμφωνα με πολλούς, είναι το μόνο που πραγματικά είναι τα «ιϊκά» σωματίδια — καθώς και υλικό από καλλιέργειες αυγών κοτόπουλου, το οποίο άρχισε να χρησιμοποιείται τη δεκαετία του 1930 για να υποστηριχθεί ότι αυτές οι υποτιθέμενες «ιϊκές» οντότητες είχαν καλλιεργηθεί και αναπτυχθεί. Είναι ενδιαφέρον ότι δεν ήταν ο Ernst Ruska, αλλά ο αδελφός του Helmut που χρησιμοποίησε για πρώτη φορά το ηλεκτρονικό μικροσκόπιο για να αναγνωρίσει «ιϊκά» σωματίδια. Η εργασία του με τίτλο: Bakterien und Virus in Übermikroskopischer Aufnahme, που δημοσιεύθηκε το 1938, παρουσίαζε εικόνες από ηλεκτρονικό μικροσκόπιο σωματιδίων που απέδωσε στον «ιό της ευλογιάς» (vaccinia), στον «ιό» της εκτρομελίας των ποντικών και στον «ιό» του μυξώματος των κουνελιών.
Η πρώτη εικόνα από το άρθρο του απεικόνιζε σφαιρικά σωματίδια που ισχυριζόταν ότι ήταν ο «ιός» της εκτρομελίας του ποντικιού. Το «μολυσματικό» υλικό προήλθε από το λέμφωμα ενός άρρωστου ποντικιού και μεγεθύνθηκε 20.000 φορές. Ωστόσο, δεν υπήρχε καμία εξήγηση για το πώς αυτά τα συγκεκριμένα σωματίδια ταυτοποιήθηκαν ως ο εν λόγω «ιός», πόσο μάλλον ως «παθογόνο», και όχι ως φυσιολογικά κυτταρικά συστατικά ή υπολείμματα.
«Εικ. 1. Υπερμικροσκοπική εικόνα του ιού της εκτρομελίας του λευκού ποντικιού. Μολυσματικό υλικό από το λεμφαδένα ενός άρρωστου πέλματος. Ηλεκτρονική-οπτική μεγέθυνση: 20.000.»
«Το υπερμικροσκόπιο μπορεί να χρησιμοποιηθεί για να καταστήσει ορατά παθογόνα που προηγουμένως ήταν αόρατα στο οπτικό μικροσκόπιο λόγω του μικρού τους μεγέθους, χωρίς τη χρήση μεθόδων χρώσης. Η Εικ. I δείχνει τον ιό της εκτρομελίας του ποντικιού σε μια υπερμικροσκοπική εικόνα. Μπορεί ήδη να προβλεφθεί με βεβαιότητα ότι ακόμη και εκείνα τα παθογόνα που μέχρι τώρα έχουν αποφύγει τη μορφολογική ανίχνευση θα είναι ορατά.»
Ο Helmut ανέφερε ότι το ηλεκτρονικό μικροσκόπιο μπορούσε πλέον να απεικονίσει «παθογόνα» που ήταν πολύ μικρά για το οπτικό μικροσκόπιο, τα οποία, κατά την άποψή του, περιλάμβαναν βακτηριοφάγους και «ιούς». Ωστόσο, η υπόθεσή του σχετικά με το μέγεθος του «ιού» οδήγησε σε μια προκατάληψη επιβεβαίωσης, καθώς επικεντρώθηκε σε σωματίδια συγκεκριμένου μεγέθους, υποθέτοντας ήδη ότι ήταν «ιϊκά». Αν και ισχυρίστηκε ότι είχε απεικονίσει «ιούς» όπως η ευλογιά, η εκτρομελία και το μυξώμα (myxoma), ο Helmut αναγνώρισε ένα κρίσιμο ζήτημα: «Θα μπορούσε να διατυπωθεί η αντίρρηση ότι οι νέες δομές που ανακαλύψαμε είναι τεχνητά προϊόντα, που δημιουργήθηκαν από το κενό ή τις δέσμες ηλεκτρονίων».
Η μελέτη του Helmut βασίστηκε στην υπόθεση ότι τα «στοιχειώδη σώματα των ιογενών ασθενειών» μπορούσαν να παρασκευαστούν και να απεικονιστούν τόσο εύκολα όσο οι βακτηριακές δομές. Αυτή η προσέγγιση που βασίστηκε σε υποθέσεις, και όχι σε καθαρά εμπειρικά στοιχεία, οδήγησε στη χρήση βιολογικών υλικών από το Κρατικό Ινστιτούτο Εμβολιασμών, τα οποία στη συνέχεια μεταφέρθηκαν μέσω κουνελιών και αλλαντοΐδας αυγών κοτόπουλου. Η χρήση ζωντανών ιστών στην προετοιμασία των δειγμάτων εισήγαγε συγχυτικές μεταβλητές, όπως κυτταρικά υπολείμματα και άλλες βιολογικές δομές, οι οποίες θα μπορούσαν στη συνέχεια να αναγνωριστούν εσφαλμένα ως «ιϊκά» σωματίδια. Ο Helmut παρατήρησε ότι οι εικόνες του ηλεκτρονικού μικροσκοπίου αποκλίνουν από προηγούμενες οπτικές αναπαραστάσεις (πιθανώς καλλιτεχνικές ερμηνείες ή ελαφριά μικροσκοπία), δείχνοντας μια σαφή ασυμφωνία μεταξύ των προηγούμενων απεικονίσεων και των πραγματικών παρατηρήσεων.
Επιπλέον, η χρήση γλυκερίνης στη διαδικασία προετοιμασίας είχε ως αποτέλεσμα θολές, ξεθωριασμένες εικόνες, οι οποίες εισήγαγαν επιπλέον τεχνητά στοιχεία και περιπλέκονταν περαιτέρω την ερμηνεία των δεδομένων.
«Μετά την ανακάλυψη των μικρότερων συνοδευτικών σωμάτων βακτηρίων, ήταν αναμενόμενο ότι τα στοιχειώδη σώματα των ιογενών ασθενειών θα μπορούσαν επίσης να παρασκευαστούν χωρίς δυσκολία. Το Σχ. 21 δείχνει τα σώματα Paschen, τα στοιχειώδη σώματα του εμβολίου. Το αρχικό υλικό μας παραχωρήθηκε ευγενικά από το Κρατικό Ινστιτούτο Εμβολιασμών και στη συνέχεια μεταφέρθηκε σε κουνέλια και στην αλλαντοΐδα του επωασμένου κοτόπουλου. Δεν καταφέραμε να βρούμε τις μορφές που σχεδίασε ο KRAUSE από την ηλεκτρονική οπτική εικόνα. Η εικόνα που εμφανίζεται είναι θολή και ξεθωριασμένη λόγω της προετοιμασίας του ιού σε γλυκερίνη».
Ο Helmut αναγνώρισε ότι η προετοιμασία του υλικού με αλατούχο διάλυμα οδήγησε στην παρατήρηση «μικρών τετραγωνικών δομών διαφόρων μεγεθών», οι οποίες αποδόθηκαν στην κρυστάλλωση του αλατιού και όχι στα ίδια τα «ιϊκά» σωματίδια. Μόνο μετά την αφαίρεση του αλατιού παρατηρήθηκαν τα «στοιχειώδη σώματα» στο «πραγματικό τους μέγεθος και σχήμα». Αυτό υποδηλώνει ότι αυτό που απεικονιζόταν μπορεί να μην ήταν ξεχωριστές βιολογικές οντότητες, αλλά τεχνητά προϊόντα από την προετοιμασία του δείγματος. Ενώ ο Helmut ισχυρίστηκε ότι τα παρασκευάσματα «αποδείχθηκαν μολυσματικά σε πειράματα σε ζώα», αυτό δεν επιβεβαιώνει ότι οι δομές που απεικονίστηκαν ήταν «ιοί» — σήμαινε μόνο ότι το υλικό προκάλεσε συμπτώματα στα ζώα, όχι απαραίτητα λόγω των σωματιδίων που παρατηρήθηκαν στο μικροσκόπιο.
Η περιγραφή του Helmut για ορισμένα σωματίδια «ιού» ως «ωοειδή» και όχι σφαιρικά υπογραμμίζει περαιτέρω τον υποκειμενικό χαρακτήρα της διαδικασίας ταξινόμησης των «ιών». Αυτή η μεταβλητότητα εγείρει ανησυχίες σχετικά με την ερμηνεία των εικόνων και την πιθανή επίδραση των τεχνητών παραγόντων της προετοιμασίας.
Η περιγραφή του Helmut για ορισμένα σωματίδια «ιού» ως «ωοειδή» και όχι σφαιρικά υπογραμμίζει περαιτέρω τον υποκειμενικό χαρακτήρα της διαδικασίας ταξινόμησης των «ιών». Αυτή η μεταβλητότητα εγείρει ανησυχίες σχετικά με την ερμηνεία των εικόνων και την πιθανή επίδραση των τεχνητών στοιχείων της προετοιμασίας.
«Επομένως, για την απεικόνιση της εκτρομελίας, προχωρήσαμε στη μεταφορά του ιού σε αλατούχο διάλυμα. Η επιτυχία αυτής της διαδικασίας φαίνεται στο Σχ. 22. Τα παρασκευάσματα που αποκτήθηκαν έδειξαν μικρές τετράγωνες δομές διαφόρων μεγεθών. Στρογγυλές δομές, όπως αυτές που περιμέναμε να είναι στοιχειώδη σώματα, δεν ήταν ορατές, αν και τα παρασκευάσματα αποδείχθηκαν μολυσματικά σε πειράματα σε ζώα. Το φαινόμενο μπορεί να ερμηνευθεί ως κρυστάλλωση του αλατιού γύρω από τα στοιχειώδη σώματα ως κέντρο κρυστάλλωσης όταν το παρασκεύασμα στεγνώνει. Οι τετράγωνες δομές είναι κύβοι επιτραπέζιου αλατιού, καθένας από τους οποίους περικλείει ένα στοιχειώδες σώμα. Μόνον όταν αφαιρεθεί το επιτραπέζιο αλάτι μπορούν τα στοιχειώδη σώματα να φανούν στο πραγματικό τους μέγεθος και σχήμα σε άχρωμη κατάσταση, όπως φαίνεται στην Εικ. 23. Και εδώ, τα μεμονωμένα στοιχειώδη σώματα καλύπτονται από μια κρούστα αλατιού, η οποία τα κάνει να ξεχωρίζουν από τα άλλα στην εικόνα λόγω του ισχυρότερου μαυρίσματος τους. Τα παρασκευάσματα ελέγχονται με χρώση σύμφωνα με τον HERZBERG και με πειράματα σε ποντίκια. Η τελευταία εικόνα (Εικ. 24) δείχνει στοιχειώδη σώματα από τη νόσο του μυξώματος του κουνελιού. Η συγκέντρωση του ιού στο παρασκεύασμα ήταν ακόμη τόσο χαμηλή που δεν ήταν δυνατό να εμφανιστούν ταυτόχρονα πολλά στοιχειώδη σώματα σε ένα οπτικό πεδίο. Στην εικόνα μπορείτε να δείτε πόσο καθαρά ξεχωρίζει ο ιός από τις υπόλοιπες ποσότητες πρωτεΐνης που προσκολλώνται στο παρασκεύασμα και ότι έχει σχήμα αυγού. Τέτοιες αποκλίσεις από το σφαιρικό σχήμα προσφέρουν τη δυνατότητα διαφορικής διαγνωστικής διάκρισης μεταξύ διαφορετικών στοιχειωδών σωμάτων.
Από αυτό το αρχικό άρθρο, είναι σαφές ότι οι πρώτες μελέτες ηλεκτρονικής μικροσκοπίας των υποτιθέμενων «ιών» παρεμποδίστηκαν από υποκειμενικές ερμηνείες, τεχνητά σφάλματα στο παρασκεύασμα, μόλυνση και εξάρτηση από έμμεσες ενδείξεις, όπως η «μολυσματικότητα» σε ζώα. Η αναγνώριση των «ιϊκών» σωματιδίων δεν ήταν απλή και τα αποτελέσματα επηρεάστηκαν σε μεγάλο βαθμό από τις πειραματικές συνθήκες, δημιουργώντας αμφιβολίες ως προς το αν οι παρατηρούμενες δομές ήταν πραγματικά διακριτές «ιϊκές» οντότητες.
Δεν έγινε καμία προσπάθεια καθαρισμού και απομόνωσης του υποτιθέμενου «ιού» από τον ξενιστή ή τις καλλιέργειες για να αποδειχθεί η παθογένεια με τη χρήση της επιστημονικής μεθόδου. Αντ’ αυτού, ο Helmut Ruska βασίστηκε στη μορφολογία και το μέγεθος για να προσδιορίσει τα υποτιθέμενα «ιϊκά» σωματίδια — μια προσέγγιση που έθεσε ένα προηγούμενο στην ιολογία, το οποίο ακολουθείται εδώ και σχεδόν έναν αιώνα. Αυτή η πρακτική καθιέρωσε ένα υποκειμενικό πλαίσιο στο οποίο τα κυτταρικά υπολείμματα, τα τεχνητά σωματίδια και άλλες δομές μπορούσαν να ερμηνευθούν ως «ιοί» με βάση υποτιθέμενα χαρακτηριστικά και όχι άμεσες αποδείξεις αιτιότητας.
Η αβεβαιότητα που περιβάλλει τις ηλεκτρονικές μικρογραφίες των υποτιθέμενων «ιϊκών» σωματιδίων συνοψίστηκε από τον Van Helvoort, ο οποίος σημείωσε ότι υπήρχαν «πολλές αμφιβολίες» σχετικά με το τι πραγματικά έδειχναν ή σήμαιναν αυτές οι εικόνες. Όταν είδε τις πρώτες εικόνες EM, ο διακεκριμένος Βέλγος μικροβιολόγος και ανοσολόγος Jules Bordet παραπονέθηκε ότι ήταν «αρκετά δύσκολο να ερμηνεύσει τις εικόνες» από τα κανονικά οπτικά μικροσκόπια. Ο βιοφυσικός και ιολόγος Robley Williams αναγνώρισε ότι «ο κόσμος είναι γεμάτος από μικροσκοπικά αντικείμενα που μοιάζουν μεταξύ τους» και παραδέχτηκε ότι «κάθε φωτογραφία περιέχει αντικείμενα που θα μπορούσε κανείς να έχει προβλέψει», υπογραμμίζοντας την προκαθορισμένη υποκειμενικότητα που εμπλέκεται.
Η ερμηνεία των ηλεκτρονικών μικρογραφιών περιπλέχθηκε περαιτέρω από τεχνητά στοιχεία που εισήχθησαν κατά τη διάρκεια των διαφόρων προπαρασκευαστικών σταδίων της επεξεργασίας των δειγμάτων. Δεδομένου ότι οι «ιοί» ήταν μια άγνωστη δομή, η διάκριση των γνήσιων «ιογενών» σωματιδίων από τα τεχνητά στοιχεία έγινε μια κρίσιμη αλλά εξαιρετικά αβέβαιη εργασία. Ο Van Helvoort σημείωσε την υψηλή πιθανότητα να εκληφθούν τα τεχνητά στοιχεία ως «ιοί» και παρατήρησε ότι ορισμένα τεχνητά στοιχεία απέκτησαν ακόμη και δική τους ζωή, γίνοντας προσωρινά αποδεκτά ως επιστημονικά αντικείμενα από μόνα τους — ένα επιχείρημα που θα μπορούσε να ισχύει ακόμη και σήμερα.
Χωρίς σαφείς δείκτες σύγκρισης, τα σωματίδια που θεωρούνταν «ιοί» «συγχέονταν εύκολα με άλλα υλικά που μπορεί να υπήρχαν στο περιβάλλον τους». Ακόμη και ο ίδιος ο Helmut Ruska δυσκολευόταν να διακρίνει μεταξύ βακτηριοφάγων και συστατικών βακτηριακών κυττάρων.
Πώς η όραση έγινε γνώση: Ο ρόλος του ηλεκτρονικού μικροσκοπίου στη διαμόρφωση του σύγχρονου ορισμού των ιών
«Ακόμη και μετά την αρχική επιτυχία στην απόκτηση εικόνων, υπήρχαν πολλές αμφιβολίες σχετικά με το τι πραγματικά έδειχναν ή σήμαιναν. «Όχι, όχι! Ας μην έχουμε ηλεκτρονικό μικροσκόπιο – είναι αρκετά δύσκολο να ερμηνεύσουμε τις εικόνες που λαμβάνουμε με το οπτικό μικροσκόπιο», φέρεται να είπε ο διάσημος Βέλγος μικροβιολόγος και ανοσολόγος Jules Bordet σε ένα συμπόσιο όπου παρουσιάστηκαν οι πρώτες βιολογικές ηλεκτρονικές μικρογραφίες (Marton, 1976, σ. 282). «Πρακτικά κάθε φωτογραφία περιέχει αντικείμενα που μοιάζουν με κάτι που θα μπορούσε κανείς να έχει προβλέψει!», παραπονέθηκε ο Robley Williams, αναφερόμενος στις δυσκολίες στην κατανόηση των εικόνων, ειδικά στα πρώτα χρόνια, παρατηρώντας επίσης ότι «Ο κόσμος είναι γεμάτος από μικροσκοπικά αντικείμενα που μοιάζουν μεταξύ τους και δεν φέρουν ετικέτες!» (1947, σ. 213). Οι μικροσκοπικοί ιοί παρουσίαζαν ειδικά προβλήματα αυτού του είδους στα πρώτα χρόνια της ηλεκτρονικής μικροσκοπίας. Καθώς δεν υπήρχαν δείκτες για σύγκριση, «συγχέονταν εύκολα με άλλα υλικά που μπορεί να υπήρχαν στο περιβάλλον τους» (Hillier, 1950, σ. 3). Όταν, για παράδειγμα, ο Helmut Ruska παρατήρησε για πρώτη φορά διάφορα «σπερματοειδή» σωματίδια στις ηλεκτρονικές μικρογραφίες παρασκευασμάτων βακτηριοφάγων, δεν ήταν σίγουρος αν αυτά τα σωματίδια ήταν βακτηριοφάγοι ή συστατικά του βακτηριακού κυττάρου (1941).
«Σαν να μην ήταν αρκετά δύσκολη η ταυτοποίηση, οι επιστήμονες συνειδητοποίησαν ακόμη πιο σοβαρά προβλήματα στην ερμηνεία των ηλεκτρονικών μικρογραφιών λόγω των τεχνητών στοιχείων που εισήχθησαν στις εικόνες κατά τη διάρκεια διαφόρων προπαρασκευαστικών σταδίων του δείγματος (Marton, 1976, σ. 293). Μόνο στη μελέτη γνωστών στοιχείων τα τεχνητά στοιχεία δεν έπαιξαν σημαντικό ρόλο, «λόγω της ακαμψίας και της σταθερότητας των περισσότερων από τις εν λόγω δομές» (Hillier, 1950, σ. 3). Στην περίπτωση των ιών κατά τη διάρκεια αυτών των πρώτων ετών, υπήρχε μεγάλη πιθανότητα να συγχέονται τα τεχνητά στοιχεία με τους ιούς. Πράγματι, ορισμένα τεχνητά αντικείμενα απέκτησαν ακόμη και δική τους ζωή, καθιστώντας για κάποιο διάστημα επιστημονικά αντικείμενα από μόνα τους. Βλέπε, για παράδειγμα, την ιστορία του Rasmussen για το λεγόμενο βακτηριακό μεσόσωμα (1993).»
https://pubmed.ncbi.nlm.nih.gov/29926225/
Με την εφεύρεση του ηλεκτρονικού μικροσκοπίου και τις πρώτες εικόνες του Helmut Ruska —που ισχυριζόταν ότι απεικόνιζαν «παθογόνους ιούς» χωρίς να υπάρχουν επιστημονικά στοιχεία που να το αποδεικνύουν—, το σκηνικό ήταν έτοιμο για τους «κυνηγούς ιών» να περάσουν τις επόμενες δεκαετίες αναζητώντας παρόμοια σωματίδια για να τα κατηγορήσουν ως αιτιολογικούς παράγοντες ασθενειών, ακόμη και όταν τα ίδια σωματίδια βρέθηκαν σε μέρη όπου δεν έπρεπε να βρίσκονται, χωρίς να προκαλούν καμία βλάβη.
Το 1943, ο Helmut Ruska πρότεινε ότι όλοι οι «ιοί» —ανεξάρτητα από το αν σχετίζονταν με σπονδυλωτά, βακτήρια ή φυτά— θα έπρεπε να ταξινομούνται με βάση τη μορφολογία τους. Αυτό σηματοδότησε μια σημαντική απόκλιση από τις προηγούμενες μεθόδους ταξινόμησης, οι οποίες βασίζονταν στην ικανότητα αυτών των αόρατων οντοτήτων να προκαλούν ασθένειες. Όπως σημείωσε ο ιστορικός Van Helvoort στο άρθρο του του 2018 με τίτλο: «How Seeing Became Knowing: The Role of the Electron Microscope in Shaping the Modern Definition of Viruses» (Πώς η όραση έγινε γνώση: Ο ρόλος του ηλεκτρονικού μικροσκοπίου στη διαμόρφωση του σύγχρονου ορισμού των ιών), η εισαγωγή του ηλεκτρονικού μικροσκοπίου σήμαινε ότι οι «ιοί» δεν ήταν πλέον απλώς υποθετικοί, αόρατοι παράγοντες ασθένειας. Αντίθετα, οι ερευνητές μπορούσαν πλέον να ανιχνεύουν σωματίδια που θεωρούνταν «άγνωστοι ιοί» σε διάφορα δείγματα, ακόμη και σε περιπτώσεις όπου δεν υπήρχαν σημάδια ασθένειας.
Στο άρθρο του Versuch zu einer Ordnung der Virusarten του 1943, ο Ruska υποστήριξε ότι οι «ιοί» θα πρέπει να ταξινομούνται κυρίως με βάση τη δομή τους, όπως παρατηρείται στις εικόνες ηλεκτρονικής μικροσκοπίας (EM). Αν και αναγνώριζε ότι πολλά θεμελιώδη ερωτήματα σχετικά με τους «ιούς» παρέμεναν αναπάντητα, δήλωσε ότι οι ερευνητές μπορούσαν να «αγνοήσουν σκόπιμα τα στοιχεία που παρέχονται από την αντίδραση του νοσούντος οργανισμού» κατά την ταξινόμησή τους. Αυτή η αλλαγή είναι σημαντική, διότι σήμαινε ότι οι «ιοί» ταξινομούνταν με βάση την εμφάνισή τους και όχι μέσω πειραματικής απόδειξης της ικανότητάς τους να προκαλούν ασθένειες. Αντί να πληρούν τα αξιώματα του Koch και να ακολουθούν την επιστημονική μέθοδο για να αποδείξουν την αιτιώδη συνάφεια, οι ερευνητές υπέθεσαν ότι ορισμένα σωματίδια ήταν «ιοί» με βάση αποκλειστικά τη δομή τους.
«Ωστόσο, ακόμη και αν αυτά τα βασικά ερωτήματα δεν έχουν επιλυθεί, μπορεί να γίνει μια προσπάθεια ταξινόμησής τους με τη δημιουργία σχετικών ομάδων. Με αυτόν τον τρόπο, αγνοούμε σκόπιμα τα στοιχεία που παρέχει η αντίδραση του νοσούντος οργανισμού και υποβάλλουμε τους παθογόνους παράγοντες μόνο σε συγκριτική εξέταση.
Ο Ruska τόνισε ότι η μορφολογία είναι ένας βασικός παράγοντας στη βιολογική ταξινόμηση και υποστήριξε ότι η ηλεκτρονική μικροσκοπία επέτρεπε πιο ακριβείς μετρήσεις των σωματιδίων «ιών» σε σύγκριση με τη φωτονική μικροσκοπία. Ωστόσο, υπέθεσε επίσης ότι η μορφολογία ήταν άμεσα συνδεδεμένη με τη βιολογική λειτουργία και την «παθογένεια» — παρά το γεγονός ότι αναγνώριζε τους μεθοδολογικούς περιορισμούς. Αυτό είναι ένα παράδειγμα επιβεβαίωσης του επακόλουθου, μιας λογικής πλάνης στην οποία ένα κοινό χαρακτηριστικό θεωρείται ως απόδειξη ταυτόσημης λειτουργίας. Με άλλα λόγια, οι ερευνητές υπέθεσαν ότι, επειδή ορισμένα σωματίδια είχαν συγκεκριμένο σχήμα, πρέπει να ήταν του ίδιου τύπου και να είχαν τον ίδιο ρόλο στην ασθένεια.
Στη βιολογία, χρησιμοποιούμε κυρίως τα μορφολογικά χαρακτηριστικά ως βάση για τη συστηματική ταξινόμηση. Αυτά μας επιτρέπουν επίσης να εντοπίσουμε ομάδες που ανήκουν στην ίδια κατηγορία στην έρευνα για τους ιούς, καθώς το μέγεθος και το σχήμα των μολυσματικών παραγόντων μπορούν να μετρηθούν πολύ καλύτερα από ό,τι στο παρελθόν με τη χρήση της φωτονικής μικροσκοπίας. Η εσωτερική δομή και οι ιδιότητες της επιφάνειας θα πρέπει να αξιολογηθούν με τη χρήση άλλων μεθόδων που βασίζονται στα χαρακτηριστικά που έχουν αποδειχθεί από τη μορφολογία και τη δομική έρευνα με υποφωτοσκόπιο. Εκτός από τη μορφολογία, σημαντική είναι και η βιολογική δομή και η φυσιολογική συμπεριφορά, ιδίως ο τρόπος αναπαραγωγής. Στην περίπτωση δομών χωρίς πυρήνα ή υποκυτταρικές δομές, συνδέεται στενά με τον χαρακτήρα των ουσιών που είναι καθοριστικές για τις σταθερές βιολογικές ιδιότητες. Σύμφωνα με τις τρέχουσες γνώσεις μας, αυτές είναι κυρίως οι νουκλεοπρωτεΐνες. Για κάθε ιό, τα μορφολογικά χαρακτηριστικά περιλαμβάνουν το μέγεθος, το σχήμα, τη δομή και τις επιφανειακές ιδιότητες, ενώ τα φυσιολογικά χαρακτηριστικά περιλαμβάνουν τον τύπο του μεταβολισμού, την ανάπτυξη και την αναπαραγωγή, καθώς και την παρουσία νουκλεοπρωτεϊνών. Ακόμη και αν εξακολουθούν να υπάρχουν στενά μεθοδολογικά όρια στην εφαρμογή αυτών των απαιτήσεων, θα προκύψει μια ορθολογική ταξινόμηση των τύπων ιών με βάση αυτά τα χαρακτηριστικά. Η επιλογή τους δεν σημαίνει αλλαγή στις πτυχές που ισχύουν σήμερα σε κάθε συστηματική τάξη, αλλά μάλλον τη συνεπή συνέχειά τους.
Είναι σημαντικό να σημειωθεί ότι ο Ruska παραδέχτηκε ότι πολλά κριτήρια ταξινόμησης των «ιών» ήταν είτε άγνωστα είτε απλώς εκτιμήσεις και όχι άμεσες παρατηρήσεις. Αυτό σημαίνει ότι τα σωματίδια χαρακτηρίζονταν ως «ιοί» ακόμη και σε περιπτώσεις όπου οι βασικές βιολογικές ιδιότητες δεν είχαν «επιβεβαιωθεί». Ορισμένες ταξινομήσεις έγιναν με βάση στοιχεία που δεν μπορούσαν να αποδειχθούν, και όχι με βάση στοιχεία που μπορούσαν να αποδειχθούν με βεβαιότητα — ένα σοβαρό σφάλμα στην επιστημονική συλλογιστική.
Επιπλέον, ο Ruska ομαδοποίησε τα βακτήρια και τα πρωτόζωα στο ίδιο πλαίσιο ταξινόμησης με τους «ιούς», κάνοντας συγκρίσεις μεταξύ τους, παρά την έλλειψη ανεξάρτητων αποδεικτικών στοιχείων ότι οι «ιοί» μπορούσαν να αναπαράγονται, να μεταβολίζονται ή να προκαλούν ασθένειες από μόνοι τους. Αντί να αποδείξει ότι αυτά τα σωματίδια ήταν βιολογικές οντότητες, ο Ruska προϋπέθεσε ότι ήταν. Η προσέγγισή του οδήγησε τελικά στην ταξινόμηση των «ιών» με βάση υποθέσεις και όχι άμεσες πειραματικές αποδείξεις.
Αν ταξινομήσουμε τα μολυσματικά στοιχεία για τα οποία γνωρίζουμε ή μπορούμε να εκτιμήσουμε ορισμένα από τα κριτήρια που αναφέρονται, καταλήγουμε αναπόφευκτα σε ομάδες που ανήκουν μεταξύ τους, και κάθε ιός για τον οποίο έχουν βρεθεί τα απαραίτητα έγγραφα μπορεί να περιγραφεί με αντίστοιχο τρόπο. Μέχρι τώρα, μπορούν να δοθούν οι πληροφορίες που έχουν εισαχθεί στον πίνακα. Είναι εν μέρει διατυπωμένες αρνητικά, για παράδειγμα αναφέροντας ότι αυτή ή εκείνη η μορφολογική ιδιαιτερότητα ή φυσιολογική ικανότητα δεν μπόρεσε να αποδειχθεί. Για λόγους σύγκρισης, τα βακτήρια και τα πρωτόζωα περιλαμβάνονται επίσης μεταξύ των μολυσματικών παραγόντων.
Ο Ruska σημείωσε ότι, εκείνη την εποχή, οι περισσότεροι «ιοί» θεωρούνταν σφαιρικοί με βάση έμμεσες μετρήσεις από μικροσκοπία φωτός και υπεριώδους ακτινοβολίας. Ωστόσο, επεσήμανε ότι αυτή η υπόθεση ενδέχεται να είναι λανθασμένη, δηλώνοντας ότι «δεν έχουν ακόμη απεικονιστεί στοιχειώδη σώματα που να έχουν πάντα σφαιρικό σχήμα». Αυτό υπογράμμισε την εξάρτηση από υποθέσεις και έμμεσες μεθόδους αντί για άμεση παρατήρηση στον καθορισμό της μορφολογίας των υποτιθέμενων «ιών». Οι ιολόγοι εργάζονταν με υποθετικά μοντέλα και όχι με πραγματικές παρατηρούμενες δομές. Όταν τελικά κατέστη δυνατή η άμεση απεικόνιση, αυτή έρχεται σε αντίθεση με τις προηγούμενες υποθέσεις, αποκαλύπτοντας ότι ο τομέας λειτουργούσε με βάση υποθετικά σχήματα «ιών» και όχι «επιβεβαιωμένα». Εάν οι «ιοί» ήταν πραγματικές, διακριτές οντότητες, γιατί η βασική μορφολογία τους έπρεπε να συναχθεί και όχι να παρατηρηθεί άμεσα;
«Μέχρι στιγμής, το σχήμα των περισσότερων ιών θεωρείται στρογγυλό («strongyloplasms», Lipschiitz). Το πρώτο εύρημα που αποκλίνει από αυτό ήταν η παρατήρηση της διπλής διάθλασης ροής διαλυμάτων της πρωτεΐνης του ιού του μωσαϊκού του καπνού, από την οποία συνήχθη το συμπέρασμα ότι τα σωματίδια του ιού έχουν σχήμα ραβδιού.
Η εικόνα μέσω της υπερμικροσκοπίας επιβεβαίωσε αυτή την υπόθεση και έδειξε περαιτέρω ότι η ιδέα του στρογγυλού σχήματος πολλών ιών που προέκυψε για άλλες στοιχειώδεις μονάδες από τη μικροσκοπία φωτός και υπεριώδους ακτινοβολίας μπορεί να είναι λανθασμένη. Στοιχειώδη σώματα που εμφανίζουν πάντα σφαιρικό σχήμα δεν έχουν ακόμη απεικονιστεί ηλεκτρονικά-οπτικά».
Τα ίδια τα λόγια του Ruska αποκαλύπτουν ότι οι «ιοί» ταξινομούνταν ως «παθογόνοι παράγοντες» με βάση αποκλειστικά τη μορφολογία τους, χωρίς να έχει αποδειχθεί επιστημονικά ο αιτιώδης ρόλος τους στην ασθένεια. Το έργο του υπογραμμίζει τον τρόπο με τον οποίο η ιολογία έχει εδραιωθεί σε κυκλικές συλλογιστικές και λανθασμένες υποθέσεις από την ίδρυσή της. Αντί να βασίζεται σε αυστηρές επιστημονικές αποδείξεις, η ιολογία ιστορικά βασίστηκε σε συμπεράσματα και υποθέσεις για να υποστηρίξει ότι τα σωματίδια που παρατηρούνται στις εικόνες ηλεκτρονικού μικροσκοπίου είναι «παθογόνοι ιοί» και όχι φυσιολογικά συστατικά του ξενιστή, κυτταρικά υπολείμματα ή τεχνητά προϊόντα από την προετοιμασία των δειγμάτων. Ταξινομώντας τα σωματίδια ως «ιούς» με βάση αποκλειστικά την εμφάνισή τους, η προσέγγιση του Ruska άνοιξε τις πύλες για την αναγνώριση «ιϊκών» σωματιδίων σχεδόν παντού — παρά την απουσία επιστημονικών αποδείξεων που να επιβεβαιώνουν την «παθογένειά» τους.
Πολλές από τις πρώτες αναφορές για αυτά τα «ιόμορφα» σωματίδια εκτός από εκείνες του Ruska προήλθαν από μελέτες καρκινικών κυττάρων ή κυτταρικών σειρών που προέρχονταν από όγκους στη δεκαετία του 1940. Οι ερευνητές ισχυρίστηκαν ότι τα σωματίδια που παρατήρησαν έμοιαζαν με εκείνα που φαίνονταν στις ηλεκτρονικές μικρογραφίες των υποτιθέμενων «ιών» των ζώων, όπως περιγράφονται από τον Ruska και άλλους.
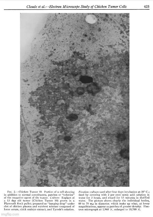
Για παράδειγμα, σε μια μελέτη του 1947 από τους Claude et al., εξετάστηκαν καρκινικά κύτταρα κοτόπουλου χρησιμοποιώντας την τότε νέα τεχνολογία της ηλεκτρονικής μικροσκοπίας. Αναφέρανε ότι πειράματα διήθησης είχαν εκτιμήσει ότι ο υποτιθέμενος αόρατος «παράγοντας» είχε διάμετρο περίπου 70 μm. Στην πράξη, αυτό σήμαινε ότι διηθούσαν μη καθαρισμένα καρκινικά υγρά μέσω φίλτρων προοδευτικά μικρότερου μεγέθους, ενώ έκαναν ενέσεις του διηθήματος σε ζώα. Εάν τα ζώα αρρώσταιναν, συνάγονταν το συμπέρασμα ότι υπήρχε ένας «μολυσματικός παράγοντας» αρκετά μικρός ώστε να περάσει από το συγκεκριμένο φίλτρο.
Αν και οι ερευνητές ισχυρίζονταν ότι τα παρασκευάσματά τους ήταν «υψηλής ισχύος» —υποτίθεται ότι ήταν συμπυκνωμένα και καθαρισμένα (δηλ. απαλλαγμένα από προσμείξεις)—αναγνώρισαν ότι τα δείγματα ήταν μολυσμένα με ένα φυσιολογικό, υπομικροσκοπικό κυτταροπλασματικό συστατικό σχεδόν ίδιου μεγέθους με τον υποτιθέμενο παράγοντα του όγκου. Κατά συνέπεια, τα «καθαρισμένα» τους κλάσματα, όταν εξετάστηκαν υπό φωτισμό σκοτεινού πεδίου, έδειξαν μεγάλες ποσότητες αυτού του φυσιολογικού μολυσματικού παράγοντα, καθιστώντας τις παρατηρήσεις τους ασαφείς.
Η οπτική μικροσκοπία δεν κατάφερε να αποκαλύψει τον παράγοντα, επειδή ήταν πολύ μικρός για να ανιχνευθεί, και οι αρχικές έρευνες δεν έδειξαν κανένα «σώμα εγκλεισμού» (τους μη ειδικούς, έμμεσους δείκτες που σχετίζονται με «ιϊκές λοιμώξεις») ή άλλες ανωμαλίες στα καρκινικά κύτταρα. Καθώς αυτές οι μέθοδοι αποδείχθηκαν ανεπαρκείς, οι ερευνητές στράφηκαν στην ηλεκτρονική μικροσκοπία. Τότε παρατήρησαν μικρά σώματα —του μεγέθους που είχε προβλεφθεί από τις δοκιμές φυγοκέντρησης και διήθησης— τα οποία ήταν παρόντα στα καρκινικά κύτταρα αλλά απουσίαζαν από τα φυσιολογικά κύτταρα που είχαν ληφθεί από ενήλικα πουλερικά, έμβρυα κοτόπουλου ή το λευκό στρώμα του αίματος κοτόπουλου. Με βάση αυτή την επιλεκτική παρουσία και το αντίστοιχο μέγεθος, οι Claude et al. θεώρησαν «ισχυρή» την απόδειξη ότι αυτά τα μικρά σώματα ήταν πράγματι ο αόρατος παράγοντας του όγκου.
Μελέτη με ηλεκτρονικό μικροσκόπιο των καρκινικών κυττάρων κοτόπουλου
«Οι όγκοι κοτόπουλου αυθόρμητης προέλευσης χαρακτηρίζονται από το γεγονός ότι οι περισσότεροι από αυτούς μπορούν να μεταδοθούν σε νέους ξενιστές χωρίς την παρουσία κυττάρων (11). Από την αρχή ήταν προφανές ότι οι παράγοντες που μετέδιδαν τους όγκους ήταν σχετικά μικρού μεγέθους, καθώς δεν συγκρατούνταν από φίλτρα Berkefeld μέσης πορώδους (30, 31, 32, 33). Με βάση πειράματα διήθησης χρησιμοποιώντας μεμβράνες κολοδίου με διαβαθμισμένα μεγέθη πόρων, εκτιμήθηκε ότι η πιθανή διάμετρος του παράγοντα του όγκου κοτόπουλου I ήταν περίπου 70 mu (15). Μια στενή συμφωνία με αυτή την τιμή επιτεύχθηκε από τον προσδιορισμό της ταχύτητας καθίζησης του παράγοντα που προκαλεί όγκους σε υψηλά φυγοκεντρικά πεδία (6, 16, 20). Η συγκέντρωση και ο καθαρισμός του παράγοντα μέσω διαφορικής φυγοκέντρησης έδωσε παρασκευάσματα υψηλής ισχύος (6, 7). Στη συνέχεια, διαπιστώθηκε ότι αυτά τα ενεργά κλάσματα ήταν μολυσμένα με ένα φυσιολογικό, υπομικροσκοπικό συστατικό του κυτταροπλάσματος, σχεδόν ίδιου μεγέθους με τον παράγοντα του όγκου (8).
Λόγω του μικρού τους μεγέθους, οι παράγοντες που προκαλούν όγκους στα κοτόπουλα δεν μπορούν να διακριθούν με τη βοήθεια του φωτονικού μικροσκοπίου. Τα καθαρισμένα κλάσματα που τα περιέχουν εμφανίστηκαν ως σωματίδια υπό φωτισμό σκοτεινού πεδίου (6), αλλά η παρουσία μεγάλων ποσοτήτων ενός φυσιολογικού μολυσματικού παράγοντα έκανε αυτές τις παρατηρήσεις ασαφείς. Το φωτονικό μικροσκόπιο επίσης δεν κατάφερε να αποκαλύψει οποιαδήποτε σωματίδια εγκλεισμού ή άλλες ανωμαλίες στα καρκινικά κύτταρα που θα μπορούσαν να θεωρηθούν ενδεικτικά της παρουσίας του διηθητικού παράγοντα.
Στην παρούσα έρευνα εκμεταλλευτήκαμε το γεγονός, που αποδείχθηκε σε προηγούμενη μελέτη (28), ότι τα κύτταρα των περισσότερων τύπων σε καλλιέργεια ιστών απλώνονται σε ένα πάχος που καθιστά δυνατή την ηλεκτρονική μικροσκοπία. Τα κύτταρα σαρκώματος κοτόπουλου είναι μεταξύ των στοιχείων που συμπεριφέρονται με αυτόν τον τρόπο. Έχει πλέον πραγματοποιηθεί λεπτομερής μελέτη εκείνων που προέρχονται από δύο όγκους, συγκεκριμένα τον Όγκο Κοτόπουλου Ι και τον Όγκο Κοτόπουλου 10. Το ηλεκτρονικό μικροσκόπιο αποκάλυψε στο κυτταρόπλασμα αυτών των κυττάρων μικρά σώματα μεγέθους που προβλέπεται από δοκιμές φυγοκέντρησης και διήθησης με τους παράγοντες του όγκου. Η διάταξη αυτών των σωμάτων μέσα στο κύτταρο φαίνεται να είναι χαρακτηριστική για τον τύπο του όγκου που εξετάστηκε. Δεν έχουν βρεθεί παρόμοιες δομές σε μια εκτενή μελέτη ομόλογων φυσιολογικών κυττάρων που προέρχονται από ιστούς ενήλικων πουλερικών ή από έμβρυα κοτόπουλου, ή από το λευκό στρώμα του αίματος κοτόπουλου. Υπάρχουν ισχυρές ενδείξεις ότι τα μικρά σώματα στα νεοπλασματικά κύτταρα είναι οι μεμονωμένες οντότητες που προκαλούν όγκους.
«Εκτός από τα συστατικά των φυσιολογικών κυττάρων που απεικονίζονται στο Σχ. 1, τα καρκινικά κύτταρα των κοτόπουλων περιέχουν μικρά σώματα, με χαρακτηριστικό μέγεθος και εμφάνιση, τα οποία θεωρούνται ως αιτιολογικοί παράγοντες της νόσου. Τα σώματα αυτά δεν έχουν ανιχνευθεί σε φυσιολογικά κύτταρα κοτόπουλου που έχουν εξεταστεί μέχρι σήμερα με ηλεκτρονικό μικροσκόπιο.»
«Η μικρογραφία δείχνει τις εγκλείσεις που βρίσκονται συνήθως σε φυσιολογικά κύτταρα, δηλαδή διάσπαρτα σώματα Golgi ή λιπώδη σώματα, μιτοχόνδρια και συστατικά της βασικής ουσίας. Επιπλέον, ιδιαίτερο ενδιαφέρον παρουσιάζει η παρουσία κηλίδων μεγαλύτερης πυκνότητας, οι οποίες ποικίλλουν σε μέγεθος και σχήμα και οι οποίες μέχρι στιγμής έχουν ανιχνευθεί μόνο σε κύτταρα του όγκου κοτόπουλου 10. Στην Εικ. 2 φαίνεται εύκολα ότι αυτές οι κηλίδες προκύπτουν από τη συσσώρευση μικρών στοιχείων ομοιόμορφου μεγέθους και σχήματος, τα οποία μοιάζουν με αναπτυσσόμενες αποικίες σταφυλόκοκκων. Στην περίπτωση του όγκου κοτόπουλου 10, μπορεί να υποτεθεί ότι αυτοί οι σχηματισμοί προέκυψαν από την ανάπτυξη και την υποδιαίρεση των συστατικών τους στοιχείων. Από μετρήσεις σε μεγεθυμένες μικρογραφίες, διαπιστώθηκε ότι οι διάμετροι των μεμονωμένων σωμάτων κυμαίνονται από 60 έως 70 m/s. Η παρουσία μικρών σωμάτων αυτού του μεγέθους σε καρκινικά κύτταρα, αλλά όχι σε φυσιολογικά κύτταρα, η διάταξή τους σε «αποικίες», ένα χαρακτηριστικό που φαίνεται να είναι τυπικό για τον όγκο κοτόπουλου 10, υποστηρίζουν το συμπέρασμα ότι τα μικρά στοιχεία που παρατηρήθηκαν αντιπροσωπεύουν τον αιτιολογικό παράγοντα του όγκου.
«Το χαρακτηριστικό γνώρισμα της μικρογραφίας που απεικονίζεται στο Σχ. 3 είναι η παρουσία πολυάριθμων και εμφανών μικρών σωμάτων που βρίσκονται κατά μήκος του περιγράμματος του κυττάρου, τα οποία εμφανίζονται μεμονωμένα, συχνά σε ζεύγη ή σε μικρές σειρές των 4 ή 6. Οι σκέψεις που θα συζητηθούν αργότερα υποδηλώνουν ότι αυτά τα μικρά στοιχεία αντιπροσωπεύουν τον αιτιολογικό παράγοντα του όγκου των κοτόπουλων Ι.
Επειδή τα σωματίδια βρέθηκαν αποκλειστικά σε καρκινικά κύτταρα (και όχι σε φυσιολογικά κύτταρα), ταιριάζουν με το προκαθορισμένο εκτιμώμενο μέγεθος ενός «ιού» και δεν υπήρχαν τότε ενδείξεις χαρακτηριστικών που να υποδηλώνουν ότι ήταν φυσιολογικά συστατικά του κυτταροπλάσματος ή προϊόντα ανώμαλης κυτταρικής δραστηριότητας, οι Claude et al. κατέληξαν στο συμπέρασμα ότι επρόκειτο για «ξένες οντότητες» που εισήχθησαν από έξω. Σημείωσαν επίσης ότι τα σωματίδια εμφανίζονταν σε ζεύγη και παρουσίαζαν διακυμάνσεις στο μέγεθος, γεγονός που τους οδήγησε στο συμπέρασμα ότι τα σωματίδια «ενδέχεται να είναι αυτοαναπαραγόμενα, πιθανώς αυτόνομα» και, ως εκ τούτου, «να διαθέτουν ιδιότητες που συνήθως αποδίδονται στους ιούς».
Η διάταξη του παράγοντα σε ζεύγη ή σε μικρές χαλαρές ομάδες φαίνεται να είναι χαρακτηριστική για τον όγκο κοτόπουλου I. Αυτό απεικονίζεται περαιτέρω στην επόμενη μικρογραφία (Εικ. 4). Σε αυτή τη συγκεκριμένη περίπτωση, το σώμα των καρκινικών κυττάρων στην καλλιέργεια ιστού αφαιρέθηκε, πιθανώς κατά τη διάρκεια της προετοιμασίας της τοποθέτησης, αφήνοντας στην μεμβράνη προσκολλημένα τμήματα της κυτταρικής μεμβράνης μαζί με μια σειρά σωμάτων παρόμοιων με αυτά που φαίνονται στο άθικτο κύτταρο που απεικονίζεται στην Εικ. 3. Οι μετρήσεις σε μεγεθυμένες μικρογραφίες δείχνουν ότι το μέγεθος αυτών των σωμάτων, σε διαφορετικές προετοιμασίες, κυμαίνεται από 67 έως 84 μm σε διάμετρο. Η προσεκτική εξέταση του παρασκευάσματος που φαίνεται στην Εικ. 4 αποκαλύπτει ότι τα ζευγαρωμένα στοιχεία είναι πολυάριθμα και πιθανώς πιο συχνά από ό,τι θα αναμενόταν αν η εμφάνισή τους σε ζεύγη καθοριζόταν αποκλειστικά από την τύχη. Στην παρούσα περίπτωση, φαίνεται λογικό να υποθέσουμε ότι αυτά τα σώματα είναι ικανά να διαιρούνται και ότι η εμφάνισή τους σε ζεύγη και σε μικρές αλυσίδες είναι αποτέλεσμα μιας ή μερικών διαδοχικών υποδιαιρέσεων. Είναι πιθανό η διάταξη που βρέθηκε στα κύτταρα του όγκου κοτόπουλου I να επιτευχθεί εάν η διαδικασία της διαδοχικής αναπαραγωγής του παράγοντα του όγκου κοτόπουλου ήταν προσανατολισμένη στο χώρο σύμφωνα με ένα επίπεδο, ενώ η διάταξη που επιτεύχθηκε στον όγκο κοτόπουλου 10 θα μπορούσε να είναι αποτέλεσμα υποδιαίρεσης του παράγοντα τυχαία ή σύμφωνα με επίπεδα προσανατολισμένα, εναλλακτικά, σε ορθές γωνίες μεταξύ τους.
Περίληψη
1. Τα κύτταρα του όγκου κοτόπουλου I και του όγκου κοτόπουλου 10 απλώνονται τόσο αραιά όταν καλλιεργούνται σε ιστική καλλιέργεια, ώστε οι φωτογραφίες που λαμβάνονται με το ηλεκτρονικό μικροσκόπιο να δίνουν σαφή εικόνα των περιφερειακών τμημάτων του κυτταροπλάσματος.
2. Μικρά σώματα, μεγέθους αντίστοιχου με αυτό που εκτιμάται για τους μεταδοτικούς παράγοντες του όγκου, υπάρχουν στα κύτταρα του όγκου κοτόπουλου, αλλά δεν βρίσκονται σε ομόλογα φυσιολογικά κύτταρα.
3. Τα σώματα που παρατηρούνται στα κύτταρα του όγκου κοτόπουλου 10 βρίσκονται το ένα δίπλα στο άλλο σε κηλίδες συχνά σημαντικού μεγέθους, ενώ ο παράγοντας του όγκου κοτόπουλου I είναι διασκορπισμένος μεμονωμένα ή σε ζεύγη και μόνο πολύ σπάνια σε μικρές ομάδες.
4. Δεν έχουν βρεθεί στοιχεία που να υποστηρίζουν την άποψη ότι τα σώματα είναι ομόλογα των φυσιολογικών κυτταροπλασματικών συστατικών ή είναι προϊόντα ανώμαλων κυτταρικών δραστηριοτήτων. Έχουν όλα την εμφάνιση ξένων οντοτήτων. Η εμφάνισή τους σε ζεύγη στα κύτταρα του όγκου κοτόπουλου I και οι διακυμάνσεις στο μέγεθός τους υποδηλώνουν ότι μπορεί να είναι αυτοαναπαραγόμενα, πιθανώς αυτόνομα. Σε όλα αυτά τα χαρακτηριστικά, οι παράγοντες του όγκου κοτόπουλου φαίνεται να έχουν ιδιότητες που συνήθως αποδίδονται στους ιούς.
Ενώ οι Claude et al. παρήγαγαν εικόνες μικρών σωματιδίων, δεν διέθεταν επιστημονικά στοιχεία —προερχόμενα από την επιστημονική μέθοδο και ικανοποιούντα τα αξιώματα του Koch— για να αποδείξουν ότι αυτά τα σωματίδια ήταν «παθογόνοι ιοί» ικανοί να προκαλέσουν όγκους. Τα ευρήματά τους ισοδυναμούσαν με συσχέτιση, όχι με επιστημονική απόδειξη αιτιώδους συνάφειας. Όπως και ο Ruska, πήραν μη καθαρισμένα υλικά από νοσούντες ιστούς, υπέθεσαν ότι υπήρχε «ιός» και στη συνέχεια χρησιμοποίησαν ηλεκτρονικό μικροσκόπιο για να αναζητήσουν σωματίδια που να ταιριάζουν με τα προκαθορισμένα μορφολογικά χαρακτηριστικά του «ιού» όπως ισχυρίζονταν ότι ήταν. Μόλις εντόπισαν τέτοια σωματίδια, απλώς τα κήρυξαν «ιούς» υπεύθυνους για την πρόκληση όγκων — χωρίς αυστηρές αποδείξεις «παθογένειας».
Ένα χρόνο αργότερα, το 1948, οι Porter και Thompson χρησιμοποίησαν TEM για να εξετάσουν κύτταρα από όγκους του μαστού ποντικών. Αναφέρθηκαν σε προηγούμενη εργασία που υποδείκνυε ότι αυτοί οι όγκοι επηρεάζονταν από έναν «μεταδοτικό παράγοντα» με «πολλά από τα χαρακτηριστικά ενός ιού». Δεδομένου ότι ο παράγοντας ήταν αόρατος, σημείωσαν ότι είχαν γίνει δύο προηγούμενες προσπάθειες να μελετηθεί χρησιμοποιώντας ηλεκτρονικό μικροσκόπιο για να προσδιοριστεί η φύση του με μεγαλύτερη ακρίβεια. Στην πρώτη εξέταση ενός «στελέχους υψηλής καρκινογένεσης», εντοπίστηκε ένα «βαρύ σωματίδιο» που είχε «διαστάσεις παρόμοιες με αυτές ενός ιού». Η δεύτερη εξέταση εντόπισε ένα σωματιδιακό συστατικό, διαμέτρου περίπου 200 Å, το οποίο απουσίαζε από εκχυλίσματα «στελεχών χαμηλής καρκινογένεσης». Ωστόσο, οι Porter και Thompson προειδοποίησαν ότι και οι δύο μελέτες είχαν επικριθεί για την πιθανότητα οι μέθοδοι παρασκευής να είχαν αλλοιώσει σημαντικά τον «παράγοντα» και ότι τα σωματίδια ενδέχεται να είχαν συγχέεται με φυσιολογικά κυτταροπλασματικά στοιχεία.
Σωματίδιο που σχετίζεται με επιθηλιακά κύτταρα που καλλιεργήθηκαν από καρκινώματα του μαστού ποντικών ενός στελέχους milkfactor
«Έχει αποδειχθεί ότι η εμφάνιση μαστικών όγκων σε ποντίκια επηρεάζεται από έναν μεταδοτικό παράγοντα, από μια κληρονομική τάση να αναπτύσσεται καρκίνος του μαστού και από ορμονική διέγερση του αδενικού ιστού. Από την αρχική αναφορά της ύπαρξης ενός εξωχρωμοσωμικού παράγοντα (1) και την απόδειξη της παρουσίας του στο γάλα από τον Bittner (2), πολλοί ερευνητές έχουν αναζητήσει έναν ορισμό του τρόπου δράσης, της μετάδοσης και του χαρακτήρα του. Τα αποτελέσματά τους έδειξαν ότι ο παράγοντας έχει πολλά από τα χαρακτηριστικά ενός ιού (3-5). Προκειμένου να προσδιοριστεί με μεγαλύτερη ακρίβεια η φύση του παράγοντα, έχουν γίνει προσπάθειες να μελετηθεί με ηλεκτρονικό μικροσκόπιο. Κατά τη στιγμή της σύνταξης του παρόντος άρθρου, γνωρίζουμε μόνο δύο προηγούμενες αναφορές για τέτοιες προσπάθειες. Οι Graft et al. (6) εξέτασαν το υπερφυγοκεντρωμένο γάλα ποντικών με υψηλή και χαμηλή καρκινική προδιάθεση. Σε μια σύντομη σημείωση αναφέρουν ότι το γάλα των ποντικών με υψηλή καρκινική προδιάθεση περιέχει ένα «βαρύ σωματίδιο» που «έχει διαστάσεις παρόμοιες με αυτές ενός ιού». Οι Passey et al. (7) παρασκεύασαν υδατικά εκχυλίσματα αποξηραμένου φυσιολογικού και κακοήθους ιστού μαστού από ποντίκια υψηλής και χαμηλής καρκινικής προδιάθεσης. Σε μικρογραφίες υλικού από ποντίκια υψηλής καρκινικής προδιάθεσης εντόπισαν ένα σωματιδιακό συστατικό διαμέτρου περίπου 200 A, το οποίο, όπως αναφέρουν, δεν ήταν παρόν σε εκχυλίσματα ιστού από ποντίκια χαμηλής καρκινικής προδιάθεσης. Και οι δύο αυτές παρατηρήσεις, η δεύτερη περισσότερο από την πρώτη, υπόκεινται σε κριτική ότι ο παράγοντας μπορεί να έχει υποστεί σημαντικές αλλοιώσεις από τις διαδικασίες παρασκευής και μπορεί εύκολα να συγχέεται στο μικροσκόπιο με σωματιδιακά στοιχεία που υπάρχουν στο κυτταρόπλασμα όλων των κυττάρων. Μια μελέτη των ίδιων των κυττάρων θα ήταν λιγότερο επιρρεπής σε αυτές τις κριτικές και, επιπλέον, θα μπορούσε να δώσει κάποιες πληροφορίες σχετικά με τον τρόπο αναπαραγωγής του παράγοντα και τη σχέση του με τα κύτταρα του ιστού.
Οι Porter και Thompson σημείωσαν ότι η δική τους έρευνα είχε αποδείξει την καταλληλότητα των καλλιεργημένων κυττάρων για ηλεκτρονική μικροσκοπία, καθιστώντας την μια βιώσιμη μέθοδο για την αναγνώριση «ιών» μέσα ή πάνω στα κύτταρα. Ωστόσο, πρέπει να σημειωθεί ότι είχαν μόλις αναφέρει ότι τα προηγούμενα αποτελέσματα TEM ενδέχεται να είχαν παραμορφωθεί μόνο από τις διαδικασίες προετοιμασίας. Η μέθοδος τους περιελάμβανε τη χρήση κυττάρων που είχαν αναπτυχθεί από εκφυτεύματα τόσο αυθόρμητων όσο και μεταμοσχευμένων όγκων. Τα κύτταρα καλλιεργήθηκαν σε μέσο που αποτελείτο από ίσα μέρη θρεπτικών ουσιών και πλάσματος κοτόπουλου, αραιωμένο 1:4 με διάλυμα Tyrode, και άλλα συστατικά όπως ανθρώπινο ορό ομφάλιου λώρου και εκχύλισμα εμβρύου κοτόπουλου. Οι καλλιέργειες δημιουργήθηκαν από ιστό όγκου ενός μόνο ζώου, με παραλλαγές στον ορό/εκχύλισμα που χρησιμοποιήθηκε. Μετά από μερικές ημέρες καλλιέργειας, τα εκφυτεύματα αφαιρέθηκαν, πλύθηκαν και σταθεροποιήθηκαν σε ατμό τετραοξειδίου του ωσμίου. Το πώς εξασφάλισαν ότι η μέθοδος τους δεν αλλοίωσε τον υποτιθέμενο «παράγοντα» παρέμεινε ανεξερεύνητο.
Προηγούμενες αναφορές από αυτό το εργαστήριο έχουν αποκαλύψει την καταλληλότητα των καλλιεργημένων κυττάρων για ηλεκτρονική μικροσκοπία (8) και έχουν αποδείξει ότι η μέθοδος μπορεί να χρησιμοποιηθεί όχι μόνο για τη μελέτη νέων κυτταρολογικών λεπτομερειών (9), αλλά μπορεί επίσης να εφαρμοστεί για την ταυτοποίηση ιών μέσα ή πάνω σε κύτταρα (10) και για τη μελέτη των ειδικών κυτταρολογικών χαρακτηριστικών των κακοήθων κυττάρων (11). Φάνηκε σκόπιμο να χρησιμοποιηθούν παρόμοιες τεχνικές σε μια έρευνα των κυττάρων από μαστικούς όγκους ποντικιών. Ακολουθεί μια αναφορά των αρχικών προσπαθειών.
Τα κύτταρα που μελετήθηκαν καλλιεργήθηκαν από εκφυτεύματα τόσο αυθόρμητων όσο και μεταμοσχευμένων όγκων. Συνολικά, χρησιμοποιήθηκαν τέσσερις αυθόρμητοι και δύο μεταμοσχευμένοι όγκοι. Οι πρώτοι προήλθαν από θηλυκά ποντίκια του στελέχους Call με υψηλή συχνότητα όγκων, ένα στέλεχος στο οποίο είναι γνωστό ότι λειτουργεί ο παράγοντας γάλακτος. Οι δεύτεροι ήταν μεταμοσχεύσεις πέμπτης γενιάς ενός αυθόρμητου όγκου 1 που επίσης προέκυψε σε ποντίκι C3H. Όλοι οι όγκοι ήταν τυπικά αδενοκαρκινώματα του μαστικού αδένα, δηλαδή είχαν τα χαρακτηριστικά των όγκων που είναι γνωστό ότι καθορίζονται από τον παράγοντα του γάλακτος.
Οι καλλιέργειες παρασκευάστηκαν σε διαφάνειες επικαλυμμένες με formvar σε φιάλες με κύλινδρο με τις μεθόδους που έχουν ήδη περιγραφεί (8). Τα εκφυτεύματα τοποθετήθηκαν σε ρηχά θρόμβα αποτελούμενα από ίσα μέρη θρεπτικού υλικού και πλάσματος κοτόπουλου αραιωμένου 1:4 με διάλυμα Tyrode. Το θρεπτικό υλικό αποτελείτο από 5 μέρη Tyrode, 3 μέρη ανθρώπινου ορού ομφάλιου λώρου και 2 μέρη εκχυλίσματος εμβρύου κοτόπουλου. Κάθε σειρά καλλιεργειών δημιουργήθηκε με ιστό όγκου από ένα μόνο ζώο, και οι διαδοχικές σειρές χωρίστηκαν με διαστήματα 2 εβδομάδων ή περισσότερο. Σε κάθε σειρά χρησιμοποιήθηκαν διαφορετικές παρτίδες ορού ομφάλιου λώρου, πλάσματος και εκχυλίσματος εμβρύου. Όταν, μετά από μερικές ημέρες καλλιέργειας, αποκτήθηκαν μικρά φύλλα επιθηλιακών κυττάρων, τα εκφυτεύματα αφαιρέθηκαν, τα υπόλοιπα κύτταρα πλύθηκαν σύντομα σε αργή ροή Tyrode (pH 7,4) και στη συνέχεια τοποθετήθηκαν στον ατμό τετραοξειδίου του ωσμίου για σταθεροποίηση. Μετά από περιόδους πάνω από OsO4, που κυμαίνονταν από 2 έως 24 ώρες, τα κύτταρα τοποθετήθηκαν σε σίτες και ξηράνθηκαν για εξέταση με ηλεκτρονικό μικροσκόπιο. Όλες οι μικρογραφίες λήφθηκαν με όργανο RCA (τύπου E.M.U.).
Κατά την εξέταση, οι Porter και Thompson παρατήρησαν έναν αριθμό μικρών «φαινομενικά σφαιρικών» σωματιδίων που σχετίζονταν με ορισμένα κύτταρα. Ωστόσο, σε τρία από τα έξι πειράματά τους, το σωματίδιο που περιγράφεται δεν βρέθηκε. Οι Porter και Thompson υποστήριξαν ότι αυτό δεν αποδείκνυε την απουσία των σωματιδίων, αλλά απλώς ότι δεν εντοπίστηκαν κατά την εξέτασή τους. Τα σωματίδια έμοιαζαν σε μέγεθος, και πιθανώς και σε άλλα χαρακτηριστικά, με τα φυσιολογικά κυτταροπλασματικά κοκκία. Ωστόσο, υποθέσαν ότι η εμφάνιση των σωματιδίων σε συσσωματώματα και η ακανόνιστη παρουσία τους στα καρκινικά κύτταρα έκαναν πιθανό να είναι «ξένης προέλευσης» και ενδεχομένως «ιϊκής».
«Η εξέταση με ηλεκτρονικό μικροσκόπιο των παρασκευασμάτων των επιθηλιακών φύλλων δεν είχε προχωρήσει πολύ όταν παρατηρήθηκε ότι ένας αριθμός μικρών, φαινομενικά σφαιρικών σωματιδίων συσχετιζόταν με ορισμένα από τα κύτταρα (Εικ. 4). Η χαρακτηριστική πυκνότητα και μορφολογία αυτών των σωματιδίων τα ξεχώριζε από τα φυσιολογικά κυτταροπλασματικά συστατικά (Εικ. 5 και 7). Σε ορισμένα κύτταρα ήταν διάσπαρτα σε μικρούς αριθμούς (Εικ. 4 και 5), ενώ σε άλλα κυριολεκτικά γέμιζαν το κύτταρο (Εικ. 3).
«Ο πίνακας Ι παραθέτει την προέλευση του υλικού που εξετάστηκε και δείχνει την παρατηρούμενη εμφάνιση των σωματιδίων. Θα πρέπει να σημειωθεί ότι στα παρασκευάσματα που προέκυψαν από τρία από τα έξι πειράματα δεν βρέθηκε κανένα από τα ειδικά είδη που περιγράφονται. Αυτό δεν αποδεικνύει ότι δεν υπήρχαν, αλλά σημαίνει μόνο ότι δεν εντοπίστηκαν κατά τη διάρκεια μιας μέτρια εκτεταμένης εξέτασης των κόσκινων. Στο μοναδικό παρασκεύασμα μεταμοσχευμένων καρκινικών κυττάρων στο οποίο παρατηρήθηκαν τα σωματίδια, αυτά βρέθηκαν μόνο σε μια μικρή περιοχή του κόσκινου, σε σχέση με λίγα κύτταρα».
«Αυτές οι μελέτες έχουν αποκαλύψει τη συχνή παρουσία σε κύτταρα μαστικού όγκου ποντικιών ενός σωματιδιακού σώματος, με αρκετά ομοιόμορφο μέγεθος, πυκνότητα και μορφολογία. Αν και παρόμοια σε μέγεθος, και πιθανώς και σε άλλα χαρακτηριστικά, με ορισμένα φυσιολογικά κυτταροπλασματικά κοκκία (11), αυτά τα σωματίδια διαφέρουν αρκετά από τα τελευταία ώστε να δίνουν την εντύπωση ότι είναι ειδικές οντότητες. Η ομοιόμορφη μορφολογία τους, η συσσωμάτωσή τους σε πυκνά συσσωματώματα, καθώς και η ακανόνιστη εμφάνισή τους στα καρκινικά κύτταρα είναι ιδιαίτερα σημαντικά χαρακτηριστικά που τα διακρίνουν από τα φυσιολογικά συστατικά του κυττάρου. Αυτά τα ίδια χαρακτηριστικά καθιστούν πιθανό ότι είναι εξωγενής προέλευσης και ότι μπορεί να είναι ιός».
Σε μια στιγμή ειλικρίνειας, οι ερευνητές παραδέχτηκαν ότι δεν μπορούσαν να προσδιορίσουν με βεβαιότητα εάν τα σωματίδια αντιπροσώπευαν τον «γαλακτικό παράγοντα» των μαστικών όγκων. Κατέληξαν στο συμπέρασμα ότι δεν φαίνεται να υπάρχει απλή και άμεση μέθοδος επαλήθευσης. Παρ’ όλα αυτά, οι Porter και Thompson ανέφεραν ότι είχαν αναπτύξει την ικανότητα να διακρίνουν τα ανώμαλα σωματίδια από τα φυσιολογικά, αποκτώντας έτσι τη δυνατότητα να αναγνωρίζουν «ιούς» σε κύτταρα ιστών.
«Το πιο προφανές και, προς το παρόν, σημαντικό ερώτημα που προκύπτει από αυτές τις παρατηρήσεις είναι αν τα σωματίδια αντιπροσωπεύουν τον παράγοντα γάλακτος των μαστικών όγκων. Προς το παρόν, δεν φαίνεται να υπάρχει κάποιος απλός και άμεσος τρόπος για να προσδιοριστεί αυτό. Αντίθετα, θα είναι απαραίτητο να συγκεντρωθούν κουραστικά στοιχεία μέσω της σύγκρισης των καρκινικών κυττάρων που προέρχονται από όγκους που πιθανώς φέρουν τον παράγοντα γάλακτος με κύτταρα από μαστικούς όγκους ζώων που δεν φέρουν τον παράγοντα.»
«Τέλος, πρέπει να αναφερθεί ότι ένα σημαντικό κέρδος από αυτές τις μελέτες και την εξέταση των φυσιολογικών κυττάρων ήταν η εμπειρία που απαιτείται για την αναγνώριση των ιοειδών σωμάτων που σχετίζονται με τα κύτταρα των ιστών. Καθώς αποκτά κανείς την ικανότητα να διακρίνει το ασυνήθιστο ή το ανώμαλο, αναπτύσσεται η προοπτική ότι μπορεί να εξεταστεί με κέρδος ακόμη περισσότερο παθολογικό υλικό».
https://pmc.ncbi.nlm.nih.gov/articles/PMC2135805/
Αυτά τα παραδείγματα από τα τέλη της δεκαετίας του 1940 δείχνουν πώς οι ερευνητές χρησιμοποίησαν την ηλεκτρονική μικροσκοπία για να αναζητήσουν σωματίδια που ταιριάζουν με την προκαθορισμένη ιδέα τους για το πώς πρέπει να μοιάζει και να συμπεριφέρεται ένας «ιός» σε νοσούντες ιστούς. Η πρακτική της ταξινόμησης τέτοιων σωματιδίων ως «ιϊκών» με βάση αποκλειστικά τη μορφολογία τους ανάγεται στις πρώτες εικόνες ηλεκτρονικής μικροσκοπίας του Helmut Ruska — παρά την έλλειψη επιστημονικών αποδεικτικών στοιχείων που να αποδεικνύουν ότι αυτά τα σωματίδια ήταν παθογόνοι «ιοί» εξ αρχής. Αυτό σηματοδότησε την αρχή μιας κυκλικής διαδικασίας στην οποία η ηλεκτρονική μικροσκοπία έγινε ένα εργαλείο αυτοενισχυόμενης εξαπάτησης που συνεχίστηκε στις επόμενες δεκαετίες.
Το 1950, μια επιτροπή ιολόγων συγκλήθηκε στο Πέμπτο Διεθνές Συνέδριο Μικροβιολογίας στο Ρίο ντε Τζανέιρο με σκοπό να θεσπίσει ένα σύστημα ταξινόμησης των «ιών». Σύμφωνα με τις αναμνήσεις του ιολόγου Christopher Andrewes (γνωστού από την Ομάδα Κοινού Κρυολογήματος) το 1951, η επιτροπή αποφάσισε ομόφωνα να θέσει την μορφολογία —και όχι τα συμπτώματα— στην πρώτη γραμμή της ταξινόμησης. Προηγουμένως, τα συμπτώματα ήταν το καθοριστικό χαρακτηριστικό ενός «ιού», αλλά τώρα υποβιβάστηκαν στο τέλος της λίστας.
Πρώτα εξετάσαμε ποια ήταν τα κριτήρια που έπρεπε να εφαρμοστούν στην ταξινόμηση των ιών και ομόφωνα αποφασίσαμε ότι αυτά έπρεπε να είναι κατά πρώτο λόγο οι ιδιότητες του ίδιου του ιού και ότι τα συμπτώματα που προκαλούσε στον ξενιστή έπρεπε, με έμφαση, να τοποθετηθούν στο τέλος της λίστας μας. Τα 8 κριτήρια που θεωρήθηκαν σημαντικά ήταν τα εξής: -
Μορφολογία και μέθοδοι αναπαραγωγής.
Χημική σύνθεση και φυσικές ιδιότητες.
Ανοσολογικές ιδιότητες.
Ευαισθησία σε φυσικούς και χημικούς παράγοντες.
Φυσικές μέθοδοι μετάδοσης.
Ξενιστές, ιστός και κυτταρικοί τροπισμοί.
Παθολογία, συμπεριλαμβανομένου του σχηματισμού σωμάτων εγκλεισμού.
Συμπτωματολογία.
Όπως σημείωσε ο Van Helvoort, αυτή ήταν μια εντυπωσιακή ανατροπή. Λιγότερο από δώδεκα χρόνια νωρίτερα — πριν από την έκρηξη της ηλεκτρονικής μικροσκοπίας — η Αμερικανική Φυτοπαθολογική Εταιρεία είχε κατατάξει τα συμπτώματα ως το κύριο κριτήριο για την ταξινόμηση των «ιών», με τις φυσικοχημικές ιδιότητες να κατατάσσονται τελευταίες. Η απόφαση του Andrewes και των συναδέλφων του κατέδειξε τον βαθύ αντίκτυπο της ηλεκτρονικής μικροσκοπίας, η οποία όχι μόνο επηρέασε την ανίχνευση και την ταυτοποίηση, αλλά και αναδιαμόρφωσε ριζικά την ταξινόμηση των υποτιθέμενων «ιϊκών» σωματιδίων.
Αυτή η απόφαση —η οποία, όπως αποδείχθηκε, ελήφθη από τους «αδιάφορους» ζωοϊολόγους— ήταν μια πλήρης ανατροπή, καθώς λιγότερο από δώδεκα χρόνια νωρίτερα μια επιτροπή της Αμερικανικής Φυτοπαθολογικής Εταιρείας είχε κατατάξει τα συμπτώματα ως το πρώτο κριτήριο για την ταξινόμηση των ιών, ενώ οι φυσικοχημικές ιδιότητες ήταν τελευταίες (Bennett, 1939, όπως αναφέρεται στους Lwoff και Tournier, 1966, σ. 48–49). Αυτή η δραστική ανατροπή στην ιεράρχηση των κριτηρίων ταξινόμησης των ιών καταδεικνύει τον κεντρικό ρόλο που διαδραμάτισε το ηλεκτρονικό μικροσκόπιο στην αλλαγή παραδείγματος προς τον σύγχρονο ορισμό των ιών. Μια προσεκτική μελέτη των ταξινομήσεων των ιών που επινοήθηκαν μετά τη θέσπιση των κατευθυντήριων γραμμών του 1950 από τον Andrewes και άλλους δείχνει, πράγματι, μια αυξανόμενη εξάρτηση από το νέο μικροσκόπιο, όχι μόνο για σκοπούς ανίχνευσης και ταυτοποίησης, αλλά και ειδικά για ταξινόμηση (βλ. για παράδειγμα, Wildy, 1962; Khanna και Lund, 1967). Οι δύο αυτοί σκοποί ενίοτε συγχωνεύονταν. Για παράδειγμα, μια ηλεκτρονική μικροσκοπική έρευνα του ιού του ινομυώματος του κουνελιού έδειξε ότι η μορφολογία του ήταν πανομοιότυπη με αυτή δύο άλλων ομάδων ιών: του ιού του μυξώματος του κουνελιού και διαφόρων ιών της ευλογιάς (Lloyd και Kahler, 1955). Έτσι, η μορφολογία, και συγκεκριμένα τα στοιχεία που αποκάλυψε το ηλεκτρονικό μικροσκόπιο σχετικά με το μέγεθος, το σχήμα και τη συμμετρία των πρωτεϊνικών υπομονάδων των ιών, έγινε ένα από τα κύρια χαρακτηριστικά με βάση τα οποία ομαδοποιήθηκαν οι ιοί (Horne, 1964).
Κατά τη διάρκεια της δεκαετίας του 1950, καθώς οι καλλιέργειες ιστών και κυττάρων έγιναν πιο συνηθισμένη πρακτική, οι εικόνες ηλεκτρονικής μικροσκοπίας σωματιδίων από αυτές τις καλλιέργειες άρχισαν να αυξάνονται ραγδαία, με τους ερευνητές να παρατηρούν «ιούς» σωματίδια σχεδόν όπου κι αν κοίταζαν. Ένα αξιοσημείωτο παράδειγμα συνέβη το 1956, όταν ο Fawcett χρησιμοποίησε ηλεκτρονική μικροσκοπία για να εξετάσει υλικά από αυθόρμητους όγκους σε τέσσερις βατράχους-λεοπάρδαλη. Αυτή η εργασία βασίστηκε σε προηγούμενα ευρήματα του Lucke, ο οποίος είχε προτείνει την παρουσία ενός αόρατου «παράγοντα» που συνδέεται με αυτούς τους όγκους. Ο Lucke κατέληξε σε αυτό το συμπέρασμα βασιζόμενος στην ανακάλυψη μη ειδικών εγκλεισμάτων στους ιστούς, τα οποία αποδόθηκαν σε «ιούς», καθώς και στην ικανότητά του να προκαλεί όγκους στους βατράχους με την έγχυση αποξηραμένων ή γλυκερινοποιημένων παρασκευασμάτων όγκων. Αυτό οδήγησε τον Lucke να υποθέσει ότι οι όγκοι πιθανότατα προκαλούνταν από έναν αόρατο ειδικό για το είδος και το όργανο «παράγοντα» που είχε τα χαρακτηριστικά ενός «ιού».
Παρατηρήσεις με ηλεκτρονικό μικροσκόπιο σε ενδοκυτταρικά σωματίδια παρόμοια με ιούς που σχετίζονται με τα κύτταρα του νεφρικού αδενοκαρκινώματος Lucké
«Σχετικά λίγα κακοήθη νεοπλάσματα έχουν περιγραφεί στα αμφίβια. Αυτό που έχει μελετηθεί πιο εκτενώς είναι το νεφρικό αδενοκαρκίνωμα Lucké του βατράχου Rana pipiens. Αυτός ο κακοήθης όγκος εμφανίζεται στο 2-4% των βατράχων αυτού του είδους, που συλλέχθηκαν στην περιοχή της λίμνης Champlain στο βόρειο Βερμόντ και στις γειτονικές περιοχές του Quebec. Σε μια σειρά άρθρων, ο Lucke περιέγραψε την ιστοπαθολογία του (17), ανέφερε την εμφάνιση απομακρυσμένων μεταστάσεων (18) και απέδειξε την παρουσία σε ορισμένους από τους όγκους ενδοπυρηνικών σωμάτων εγκλεισμού ενός είδους που παρατηρείται συνήθως σε ιογενείς ασθένειες (17, 22). Στη συνέχεια, απέδειξε ότι οι όγκοι μπορούσαν να προκληθούν σε βατράχους της ευπαθούς φυλής με την ένεση αποξηραμένων ή γλυκερινωμένων παρασκευασμάτων του όγκου. Παρόμοια εμβολιασμός άλλων φυλών ή ειδών δεν είχε αποτέλεσμα. Αυτές οι παρατηρήσεις οδήγησαν τον Lucke στο συμπέρασμα ότι οι όγκοι πιθανώς προκαλούνταν από έναν ειδικό για το είδος και το όργανο παράγοντα με τα χαρακτηριστικά ενός ιού (19, 20). Πρόσθετα στοιχεία που υποστηρίζουν αυτό το συμπέρασμα παρέχονται σε μεταγενέστερη εργασία των Schlulnberger και Lucke (31), στην οποία ο όγκος μεταφέρθηκε για πολλές γενιές με σειριακές ενδοφθάλμιες μεταμοσχεύσεις. Κατά τη διάρκεια αυτών των πειραμάτων παρατηρήθηκε ότι οι βάτραχοι που έφεραν ενδοφθάλμιους όγκους συχνά ανέπτυσσαν όγκους στα νεφρά. Παρόμοια αποτελέσματα έχουν αναφερθεί από τους Rose και Rose (30) σε μεταμοσχεύσεις πρόσθιου θαλάμου σε ενήλικους βάτραχους, και από τον Briggs (4) σε γυρίνους με εμφυτεύματα όγκων στην ουρά. Και στις δύο περιπτώσεις, συχνά αναπτύσσονταν αδενοκαρκινώματα με συνεχή ανάπτυξη στα νεφρά, παρόλο που ο εμφυτευμένος όγκος υποστρεφόταν. Η πιο λογική ερμηνεία αυτών των ευρημάτων φαίνεται να είναι ότι ένας παράγοντας όγκου μεταφέρθηκε από τον εμφυτευμένο ιστό στους νεφρούς και εκεί προκάλεσε όγκο του ίδιου είδους. Περαιτέρω αποδείξεις για την ιογενή φύση του υλικού που προκαλεί όγκους έχουν παρασχεθεί από την εργασία των Duryee και Doherty (8, 9), οι οποίοι πρόσφατα απέδειξαν τη διηθησιμότητά του.
Στην παρούσα έρευνα, λεπτές τομές νεφρικών όγκων βατράχων εξετάστηκαν με ηλεκτρονικό μικροσκόπιο. Σε ορισμένα δείγματα, διαπιστώθηκε ότι τα κύτταρα περιείχαν σωματίδια παρόμοια με ιούς, ομοιόμορφου μεγέθους και διακριτικής μορφής, τα οποία ενδέχεται να είναι ο υποθετικός παράγοντας του όγκου. Έχουν γίνει διάφορες παρατηρήσεις σχετικά με την κατανομή αυτών των σωματιδίων εντός των κυττάρων, την εσωτερική τους δομή και τον τρόπο ανάπτυξής τους.
Ο Fawcett, στη μελέτη του του 1956, αναγνώρισε ότι τα σωματίδια που παρατήρησε είχαν «εντυπωσιακή ομοιότητα» με αυτά που βρήκε η Morgan το 1954 σε κύτταρα «μολυσμένα από τον ιό» του απλού έρπητα. Ωστόσο, φρόντισε να σημειώσει ότι η ομοιότητα από μόνη της δεν αποδείκνυε ότι ήταν «ιϊκά».
«Λόγω της εντυπωσιακής ομοιότητας των σωματιδίων που περιγράφονται εδώ με τα σωματίδια που ανακάλυψαν ο Morgan και οι συνεργάτες του σε κύτταρα που είναι γνωστό ότι περιέχουν τον ιό του απλού έρπητα (25), παίρνουμε την ελευθερία να αναφερόμαστε στο εξής σε αυτά τα ενθυλακωμένα σφαιρικά σώματα ως «σωματίδια ιού», συνειδητοποιώντας ότι η ιογενής τους φύση δεν αποδεικνύεται μόνο από τέτοιες μορφολογικές ομοιότητες. 2»
Στην αναφορά αριθ. 2, ο Fawcett αναγνώρισε περαιτέρω την έλλειψη αποδείξεων ότι τα σωματίδια που παρατηρήθηκαν με ηλεκτρονικό μικροσκόπιο ήταν σίγουρα «ιοί». Εξήγησε ότι, παρά την αβεβαιότητα αυτή, υιοθετήθηκε ο όρος «σωματίδια παρόμοια με ιούς», αλλά πίστευε ότι δεν κερδίζονταν πολλά περιγράφοντάς τα ως «παρόμοια» με άλλα σωματίδια που βρέθηκαν σε «μολυσμένα από ιούς» κύτταρα, όταν η «ιϊκή» φύση αυτών των σωματιδίων δεν είχε αποδειχθεί οριστικά. Ως αποτέλεσμα, επέλεξε να αναφέρεται απλά στα παρατηρούμενα σωματίδια ως «σωματίδια ιών» για λόγους απλότητας και αναγνωσιμότητας, ελπίζοντας ότι οι αναγνώστες θα κατανοούσαν τις επιφυλάξεις του.
Ακόμα δεν υπάρχει απόδειξη ότι τα διάφορα σωματίδια που έχουν περιγραφεί σε ηλεκτρονικές μικρογραφίες κυττάρων μολυσμένων από ιούς είναι πράγματι ιοί. Αναγνωρίζοντας αυτή την αβεβαιότητα, έχει γίνει συνήθης να αναφερόμαστε σε νέα σωματίδια αυτού του είδους ως «ιόμορφα» σωματίδια. Στην πραγματικότητα, δεν κερδίζουμε τίποτα σε ακρίβεια λέγοντας ότι είναι «όμοια» με άλλα σωματίδια που βρίσκονται σε κύτταρα μολυσμένα από ιούς, όταν η ιογενής φύση αυτών των άλλων σωματιδίων δεν έχει αποδειχθεί οριστικά. Ο όρος «σωματίδια που υποτίθεται ότι είναι ιοί» θα ήταν πιο συντηρητικός, αλλά αυτή η έκφραση είναι πολύ δυσκίνητη για να χρησιμοποιείται επανειλημμένα. Επομένως, για λόγους απλότητας και ευκολίας ανάγνωσης, αποφασίσαμε να παραλείψουμε τις προσδιοριστικές φράσεις και να αναφερόμαστε απλά στα «σωματίδια ιών». Ελπίζουμε ότι ο αναγνώστης θα κατανοήσει ότι διατηρούμε τις ίδιες επιφυλάξεις σχετικά με την ταυτοποίησή τους με όσους χρησιμοποιούν τον όρο «σωματίδια που μοιάζουν με ιούς».
Ο Fawcett συνέχισε δηλώνοντας ότι, αν και οι ηλεκτρονικές μικρογραφίες παρείχαν την πρώτη οπτική απόδειξη για την ύπαρξη σωματιδίων στα καρκινικά κύτταρα που θα μπορούσαν να είναι ο υποθετικός παράγοντας του όγκου, η φύση αυτών των σωματιδίων παρέμενε αβέβαιη. Ο ισχυρισμός για «ιό» βασίστηκε στην ομοιότητα με αυτά που είχαν προηγουμένως θεωρηθεί σωματίδια του «ιού» του έρπητα. Αν και σημείωσε ότι θα μπορούσαν επίσης να προέρχονται από έναν άσχετο «ιό», ο Fawcett αναγνώρισε ότι τα σωματίδια δεν ήταν παρόντα σε όλους τους όγκους ή σε όλα τα κύτταρα, γεγονός που αυξάνει την αβεβαιότητα σχετικά με τη «ιογενή» φύση τους. Επιπλέον, σημείωσε ότι παρατηρήθηκαν δύο τύποι όγκων: εκείνοι με εμφανή πυρηνικά εγκλείσματα, όπου τα «ιϊκά» σωματίδια ήταν εμφανή, και εκείνοι χωρίς.
«Οι ηλεκτρονικές μικρογραφίες που αποκτήθηκαν στην παρούσα μελέτη παρέχουν την πρώτη οπτική απόδειξη σωματιδίων στα καρκινικά κύτταρα που ενδέχεται να είναι ο υποθετικός παράγοντας του όγκου. Λόγω της μεγάλης μορφολογικής ομοιότητάς τους με τα σωματίδια που παρατηρήθηκαν από τους Morgan et al. σε κύτταρα που μολύνθηκαν πειραματικά με τον ιό του απλού έρπητα και άλλους ιούς, είναι εύκολο να συμπεράνουμε ότι τα σωματίδια που βρέθηκαν στον όγκο του Lucke είναι σωματίδια κάποιου είδους ιού. Ωστόσο, δεν μπορεί να αποκλειστεί η πιθανότητα να πρόκειται για ιό που δεν σχετίζεται με την αιτία των όγκων. Τα χαρακτηριστικά σωματίδια δεν βρίσκονται σε όλους τους όγκους που εξετάστηκαν και, όταν υπάρχουν, δεν παρατηρούνται σε όλα τα κύτταρα. Όταν μελετώνται σε ιστολογικές τομές, οι όγκοι των νεφρών χωρίζονται σε δύο κατηγορίες: εκείνοι στους οποίους υπάρχουν εμφανή πυρηνικά εγκλείσματα και εκείνοι στους οποίους δεν υπάρχουν. Η εμπειρία μας μέχρι σήμερα φαίνεται να δικαιολογεί τη γενίκευση ότι όταν παρατηρούνται τυπικές εγκλείσεις σε έναν όγκο με το οπτικό μικροσκόπιο, θα βρεθούν σωματίδια ιού στις ηλεκτρονικές μικρογραφίες του ίδιου όγκου. Εάν δεν υπάρχουν πυρηνικές εγκλείσεις, τα σωματίδια είτε απουσιάζουν εντελώς είτε είναι παρόντα σε τόσο μικρούς αριθμούς που δεν μπορούν να ανιχνευθούν από την ανεπαρκή δειγματοληψία ιστού που παρέχει η ηλεκτρονική μικροσκοπία.
Ο Fawcett, αναγνωρίζοντας τον περιορισμό των στατικών ηλεκτρονικών μικροσκοπικών εικόνων, παρέμεινε επιφυλακτικός στην ερμηνεία του, σημειώνοντας ότι αυτές οι εικόνες δεν μπορούσαν να αποκαλύψουν με βεβαιότητα τη δυναμική της υποθετικής «ιϊκής» διαδικασίας στα ζωντανά συστήματα. Με άλλα λόγια, οι στατικές εικόνες εκτενώς αλλοιωμένου, νεκρού υλικού δεν μπορούν να παρέχουν καμία πληροφορία σχετικά με τις διαδικασίες που λαμβάνουν χώρα σε ένα ζωντανό σύστημα στη φυσική του κατάσταση.
«Αν και έχουμε πλήρη επίγνωση των αβεβαιοτήτων που ενέχει κάθε προσπάθεια ανακατασκευής μιας δυναμικής διαδικασίας από έναν περιορισμένο αριθμό στατικών εικόνων, υποβάλλουμε, εν συντομία, την ακόλουθη προσωρινή ερμηνεία της ενδοκυτταρικής σχηματισμού ιικών σωματιδίων στον όγκο Lucke».
Ο Fawcett τόνισε ότι δεν είχε καμία οριστική απόδειξη ότι τα σωματίδια που απεικόνισε ήταν «ιοί» ικανά να προκαλέσουν όγκους. Παρ’ όλα αυτά, θεώρησε πιθανό ότι θα μπορούσαν να αντιπροσωπεύουν τον αόρατο παράγοντα. Αναγνώρισε επίσης ότι, δεδομένου ότι τα δύο τρίτα των όγκων δεν παρουσίαζαν σώματα εγκλεισμού ή «ιόμορφα» σωματίδια, η υπόθεσή του θα απαιτούσε την έννοια της «λανθάνουσας λοίμωξης» για να εξηγήσει τα αντιφατικά στοιχεία. Τελικά, ο Fawcett άφησε ανοιχτό το ενδεχόμενο ότι, ενώ αυτά τα σωματίδια μπορεί να είναι ή να μην είναι «ιοί», δεν υπήρχαν αποδεικτικά στοιχεία ότι συνδέονταν αιτιωδώς με τον σχηματισμό όγκων.
«Δεν υπάρχει ακόμη καμία οριστική απόδειξη ότι τα ιϊκά σωματίδια που περιγράφονται εδώ είναι ο αιτιολογικός παράγοντας των όγκων, αλλά δεν φαίνεται παράλογο να πιστεύουμε ότι μπορεί να είναι. Αν γίνει αυτή η υπόθεση, το πρόβλημα του καλυμμένου ή λανθάνοντος ιού προκύπτει αμέσως από την ανάγκη να εξηγηθεί το γεγονός ότι σχεδόν τα δύο τρίτα των όγκων δεν παρουσιάζουν σωμάτια εγκλεισμού με το οπτικό μικροσκόπιο και κανένα αναγνωρίσιμο ιό στις ηλεκτρονικές μικρογραφίες. Είναι τα κύτταρα αυτών των όγκων πραγματικά απαλλαγμένα από ιούς ή είναι παρόντες σε μια λανθάνουσα μορφή που προς το παρόν δεν μπορεί να αναγνωριστεί μορφολογικά;»
«Περίπου το ένα τρίτο των όγκων που εξετάστηκαν βρέθηκαν να περιέχουν σφαιροειδή σώματα ομοιόμορφου μεγέθους και διακριτικής μορφολογίας που πιστεύεται ότι είναι ιϊκά σωματίδια. Αυτά αποτελούνται από κοίλες σφαίρες (90 έως 100 mu) με παχύ περίβλημα και πυκνό εσωτερικό σώμα (35 έως 40 mu) που βρίσκεται εκκεντρικά τοποθετημένο εντός της κεντρικής κοιλότητας (70 έως 80 mu). Ιοσωματίδια αυτού του είδους εμφανίζονται κυρίως στο κυτταρόπλασμα, αλλά περιστασιακά βρίσκονται και στον πυρήνα και στους εξωκυτταρικούς χώρους του όγκου».
«Αυτά τα ευρήματα συζητούνται σε σχέση με προηγούμενη εργασία που υποδηλώνει ότι το αδενοκαρκίνωμα Lucke προκαλείται από έναν οργανικό φίλτρο. Συμπεραίνεται ότι τα «ιϊκά σωματίδια» που βρέθηκαν στις ηλεκτρονικές μικρογραφίες των καρκινικών κυττάρων μπορεί να είναι ο υποθετικός παράγοντας του όγκου. Από την άλλη πλευρά, παραμένει η πιθανότητα τα σωματίδια που περιγράφονται εδώ να μην είναι αυτά που έχουν αιτιώδη σχέση με τους όγκους».
Η εργασία του Fawcett τελείωσε με διάφορες εικόνες από τη μελέτη του με ηλεκτρονικό μικροσκόπιο των «ιϊκών» σωματιδίων. Παρατίθενται μερικά παραδείγματα με τις περιγραφές τους. Βλέπετε ένα σύμπλεγμα «ώριμων ιϊκών σωματιδίων» ή πρόκειται απλώς για μια άλλη περίπτωση όπου επισημαίνονται τα σωματίδια που ταιριάζουν με την προκαθορισμένη ιδέα για το πώς πρέπει να μοιάζει ένας «ιός»;
https://pmc.ncbi.nlm.nih.gov/articles/PMC9041479/
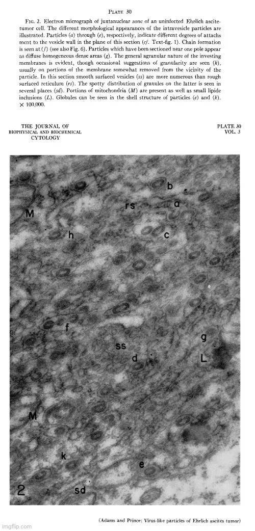
Το 1957, οι Adams και Prince διεξήγαγαν μελέτες με ηλεκτρονικό μικροσκόπιο σε κύτταρα όγκου ασκίτη Ehrlich (EAT), εντοπίζοντας διακριτά σωματίδια που συνδέονταν στενά με το ενδοπλασματικό δίκτυο των φυσιολογικών (ή «μη μολυσμένων») κυττάρων. Τα ευρήματά τους επιβεβαιώθηκαν από άλλους ερευνητές, που επιβεβαίωσαν ότι τα σωματίδια αυτά δεν ήταν αποκλειστικά των «μολυσμένων από ιούς» κυττάρων, όπως πιστευόταν προηγουμένως.
Δεδομένου ότι η μορφολογία αυτών των σωματιδίων έμοιαζε με αυτό που είχε ερμηνευθεί ως «ιός», οι ερευνητές εξέτασαν συστηματικά διαφορετικές υπογραμμές όγκων ασκίτη Ehrlich για να προσδιορίσουν εάν τα σωματίδια ήταν χαρακτηριστικά των κυττάρων EAT ή εμφανίζονταν μόνο σποραδικά. Θεώρησαν αυτή την έρευνα κρίσιμη, ειδικά μετά την αναφορά των Selby et al. για έναν διαφορετικό τύπο ενδοκυτταρικού «ιϊκού» σωματιδίου σε «μη μολυσμένα» κύτταρα EAT, το οποίο υποψιάζονταν ότι μπορεί να υποδηλώνει μόλυνση από έναν άγνωστο «ιό».
Μελέτη με ηλεκτρονικό μικροσκόπιο της μορφολογίας και της κατανομής των ενδοκυτταροπλασματικών ιϊκών σωματιδίων των κυττάρων όγκων ασκίτη Ehrlich
«Κατά τη διάρκεια μιας σειράς μελετών με ηλεκτρονικό μικροσκόπιο σε κύτταρα όγκων ασκίτη Ehrlich (EAT), που πραγματοποιήθηκαν σε αυτό το εργαστήριο, εντοπίστηκε ένα χαρακτηριστικό σωματίδιο σε στενή σχέση με το ενδοπλασματικό δίκτυο των φυσιολογικών κυττάρων. Ταυτόχρονα με τα ευρήματά μας, η ίδια παρατήρηση έγινε από τους Caulfield και Porter (αναφέρεται στην παραπομπή 4) και από τον Moore (1). Παρόμοια σωματίδια είχαν αναφερθεί προηγουμένως σε κύτταρα EAT που είχαν μολυνθεί με τον ιό Anopkdes A και είχαν προσωρινά ταυτοποιηθεί ως η ενδοκυτταρική μορφή αυτού του ιού από τους Friediaender et al. (2, 3). Καθώς οι μελέτες που περιγράφονται στο παρόν άρθρο πλησίαζαν στην ολοκλήρωσή τους, εμφανίστηκε μια έκθεση των Friedlaender και Moore (4) που περιγράφει την εμφάνιση αυτών των σωματιδίων στο ενδοπλασματικό δίκτυο μη μολυσμένων κυττάρων EAT.
Δεδομένου ότι η μορφολογία αυτών των σωματιδίων υποδείκνυε ότι ενδέχεται να αντιπροσωπεύουν ιό, φαινόταν σημαντικό να διεξαχθεί μια συστηματική εξέταση διαφόρων υποσειρών του όγκου ασκίτη Ehrlich, προκειμένου να προσδιοριστεί εάν ήταν πραγματικά χαρακτηριστικά των κυττάρων EAT ή εάν εμφανίζονταν μόνο σποραδικά. Η ανάγκη διεξαγωγής εκτεταμένων μελετών σε πολλές διαφορετικές υπογραμμές όγκων που προέρχονται από διαφορετικές γεωγραφικές περιοχές, προκειμένου να αποδειχθεί αυτό το σημείο, τονίζεται από τη σπάνια ανακάλυψη ενός διαφορετικού τύπου ενδοκυτταρικών «ιϊκών» σωματιδίων σε μη μολυσμένα κύτταρα όγκου ασκίτη Ehrlich από τους Selby et al. (5), η οποία θεωρήθηκε από τους ερευνητές ότι οφειλόταν σε μόλυνση από άγνωστο ιό.
Οι ερευνητές αναγνώρισαν ότι, ενώ τα σωματίδια θα μπορούσαν υποθετικά να είναι «ιός», η πραγματική τους φύση παρέμενε ασαφής. Εάν ήταν «ιός», αυτό θα σήμαινε ότι ο όγκος της ασκίτιδας του Ehrlich ήταν υποχρεωτικός φορέας αυτού του «ιού». Ωστόσο, η μόνη βάση για να θεωρηθούν «ιικά» ήταν η μορφολογική ομοιότητα με άλλα σωματίδια που προηγουμένως θεωρούνταν «ιοί», και όχι κάποια σαφής βιολογική λειτουργία.
Η «ιογενής» υπόθεση αμφισβητήθηκε λόγω των επανειλημμένων αποτυχιών να απομονωθεί ένας «μολυσματικός παράγοντας» από τα κύτταρα EAT. Αυτό έθεσε το ενδεχόμενο τα σωματίδια να είναι είτε ένα μη αναγνωρισμένο φυσιολογικό συστατικό του κυτταροπλάσματος είτε ένα υποπροϊόν κυτταρικών διεργασιών όπως η φαγοκυττάρωση — πιθανώς υπολείμματα κυτταρικής πέψης και όχι απόδειξη «ιογενούς λοίμωξης».
«Αν και η φύση αυτών των σωματιδίων δεν είναι σαφής, υπάρχουν δύο πιθανότητες. Μια πιθανότητα που πρέπει να ληφθεί υπόψη είναι ότι πράγματι αντιπροσωπεύουν ιούς. Αν αυτό ισχύει, η εμφάνισή τους σε διάφορες υπογραμμές καρκινικών κυττάρων που πολλαπλασιάστηκαν σε διαφορετικά στελέχη ποντικών-ξενιστών και προέρχονταν από διαφορετικές γεωγραφικές περιοχές θα αποτελούσε, όπως προαναφέρθηκε, ισχυρό επιχείρημα κατά της ακούσιας εργαστηριακής ή ποντικικής πηγής ιογενούς μόλυνσης. Αυτή η παρατήρηση θα μπορούσε να υποδηλώνει ότι ο όγκος ασκίτη του Ehrlich είναι ο υποχρεωτικός φορέας του υποθετικού ιού. Προς το παρόν, η μόνη ένδειξη που υποδηλώνει ότι αυτό το σωματίδιο μπορεί να είναι ιός είναι η μορφολογία του, η οποία μοιάζει περισσότερο με αυτή που έχει αποδειχθεί για ορισμένους ιούς παρά με αυτή οποιουδήποτε φυσιολογικού κυτταρικού συστατικού που έχει περιγραφεί μέχρι σήμερα. Ο όγκος ασκίτη του Ehrlich θεωρείται ότι προέρχεται από τον όγκο του μαστού του ποντικιού (16) (αν και τα αποδεικτικά στοιχεία για την προέλευσή του έχουν χαθεί) και, σε αυτό το πνεύμα, είναι ενδιαφέρον να σημειωθεί ότι ο Bernhard (17), σε μια μελέτη του όγκου του μαστού του ποντικιού, έχει αποδείξει την ύπαρξη ενδοκυτταρικών σωματιδίων που έχουν ταυτοποιηθεί ως παράγοντες του όγκου του μαστού και που έχουν κάποια ομοιότητα με τις σφαιρικές (δηλαδή που δεν συνδέονται με το περιβάλλον κυστίδιο) μορφές των παραπάνω σωματιδίων. Για να ολοκληρωθεί αυτή η σύγκριση, ωστόσο, πρέπει να επισημανθεί ότι τα ενδοκυτταρικά σωματίδια που βρήκε ο Bernhard δεν σχετίζονταν με το ενδοπλασματικό δίκτυο. Περαιτέρω αμφιβολίες δημιουργούνται σχετικά με την υπόθεση ότι τα σωματίδια μπορεί να αντιπροσωπεύουν ιό, λόγω της αποτυχίας των προσπαθειών απομόνωσης ενός αιτιολογικού παράγοντα από τα κύτταρα EAT (4, 18).
Μια δεύτερη πιθανότητα, φυσικά, είναι ότι αυτές οι δομές αντιπροσωπεύουν ένα μέχρι τώρα μη αναγνωρισμένο «φυσιολογικό» κυτταροπλασματικό συστατικό. Αυτή η ιδέα υποστηρίζεται εν μέρει από το γεγονός ότι, παρόλο που έχει αναφερθεί ο σχηματισμός κυστιδίων (7) και έχουν περιστασιακά παρατηρηθεί σωματίδια παρόμοια με ιούς εντός μεμβρανών που θεωρούνται ενδοπλασματικό δίκτυο (19), καμία από τις πρόσφατες μελέτες με ηλεκτρονικό μικροσκόπιο για ενδοκυτταρικούς ιούς (7, 19-28) δεν έχει αποδείξει μια τέτοια σταθερή και προφανή συσχέτιση των σωματιδίων με τα τμήματα του ενδοπλασματικού δικτύου που έχουν τραχιά ή λεία επιφάνεια. Αντίθετα, υπάρχει ένας ταχέως αυξανόμενος όγκος μορφολογικών δεδομένων που καλύπτουν δεκάδες τύπους κυττάρων, τα οποία μέχρι στιγμής δεν έχουν αποδείξει την ύπαρξη παρόμοιων σωματιδίων σε κύτταρα εκτός από αυτά του όγκου ασκίτη Ehrlich.
Μια τρίτη και πολύ λιγότερο πιθανή πιθανότητα είναι ότι τα σωματίδια αντιπροσωπεύουν κάποια μορφή ή προϊόν φαγοκυττάρωσης.
Μετά από εκτενή μελέτη, οι συγγραφείς κατέληξαν στο συμπέρασμα ότι τα σωματίδια ήταν εγγενή συστατικά των κυττάρων του όγκου ασκίτη Ehrlich και πιθανώς δεν αντιπροσώπευαν έναν μολυσματικό «ιό».
«Συμπεραίνεται ότι αυτές οι δομές είναι ένα σταθερό μορφολογικό συστατικό του όγκου Ehrlich ascites και ότι πιθανώς δεν αντιπροσωπεύουν μολυσματικό ιό. Περιγράφεται η μορφολογία και η κατανομή τους και συζητούνται οι πιθανές ερμηνείες της σημασίας τους».
Αυτές είναι οι δημοσιευμένες εικόνες των «ιϊκών» σωματιδίων που βρέθηκαν κατά την εξέταση με ηλεκτρονικό μικροσκόπιο των «μη μολυσμένων» όγκων ασκίτη Ehrlich, για τα οποία συνήχθη το συμπέρασμα ότι πιθανότατα αποτελούν είτε ένα μη αναγνωρισμένο φυσιολογικό συστατικό του κυτταροπλάσματος είτε ένα υποπροϊόν κυτταρικών διεργασιών.
https://pmc.ncbi.nlm.nih.gov/articles/PMC2224075/
Και οι δύο μελέτες από τη δεκαετία του 1950 υπογραμμίζουν την αβεβαιότητα που περιβάλλει τις παρατηρήσεις με ηλεκτρονικό μικροσκόπιο των «ιϊκών» σωματιδίων, λόγω της μορφολογικής ομοιότητας με προηγούμενα σωματίδια που θεωρούνταν «ιοί». Υπογραμμίζουν τη σημασία και την αναγκαιότητα της δυνατότητας διάκρισης μεταξύ φυσιολογικών κυτταρικών δομών, κυτταρικών υπολειμμάτων, τεχνητών αντικειμένων και υποθετικών «ιϊκών παραγόντων», καθώς και την ανάγκη για σαφή επιστημονικά στοιχεία που να αποδεικνύουν ότι τα παρατηρούμενα σωματίδια είναι, στην πραγματικότητα, «παθογόνοι ιοί».
Στη δεκαετία του 1960, η χρήση της ηλεκτρονικής μικροσκοπίας συνέχισε να αυξάνεται για την αναγνώριση «ιϊκών» σωματιδίων σε δείγματα ιστών και κυτταρικών καλλιεργειών. Κατά τη διάρκεια αυτής της δεκαετίας, η June Almeida αναγνώρισε για πρώτη φορά τον «κοροναϊό» το 1967 από μη καθαρισμένα δείγματα που ελήφθησαν από παιδιά με «γριπώδη» ασθένεια. Όπως είχε γίνει και σε προηγούμενες έρευνες, τα «ιϊκά» σωματίδια που παρατηρήθηκαν μέσω της ηλεκτρονικής μικροσκοπίας, τα οποία έμοιαζαν με «ιούς» ζώων που είχαν περιγραφεί προηγουμένως, οδήγησαν τον Almeida στο συμπέρασμα ότι είχε ανακαλυφθεί μια νέα οικογένεια «ιών» στους ανθρώπους. Είναι ενδιαφέρον ότι αυτές οι εικόνες αρχικά απορρίφθηκαν ως κακής ποιότητας αναπαραστάσεις σωματιδίων της γρίπης.
Ταυτοποίηση ενός Νέου Τύπου Ιού
«Η ομάδα ερευνητών του Tyrrell είχε συλλέξει δείγματα ενός ιού που μοιάζει με γρίπη από έναν άρρωστο μαθητή. Ωστόσο, είχαν πρόβλημα να καλλιεργήσουν αυτόν τον ιό χρησιμοποιώντας παραδοσιακές μεθόδους, γεγονός που τους οδήγησε να υποψιαστούν ότι μπορεί να πρόκειται για έναν εντελώς νέο τύπο ιού (Broklehurst 2020).
Ο Tyrrell έστειλε μερικά από αυτά τα δείγματα στην Almeida με την ελπίδα ότι θα μπορούσε να ταυτοποιήσει τον ιό χρησιμοποιώντας την τεχνική IEM. Η Almeida κατάφερε να παράγει με επιτυχία καθαρές εικόνες του ιού και παρατήρησε ότι έμοιαζε με δύο παρόμοιους ιούς που είχε απεικονίσει προηγουμένως κατά τη μελέτη της βρογχίτιδας σε κοτόπουλα και της ηπατίτιδας σε ποντίκια (Brocklehurst 2020). Αυτές είχαν προηγουμένως απορριφθεί ως κακής ποιότητας εικόνες ιών της γρίπης. Ωστόσο, οι εικόνες του ιού στα δείγματα του μαθητή σε συνδυασμό με τις εικόνες από την προηγούμενη εργασία του Almeida έπεισαν τον Almeida και τον Tyrrell ότι στην πραγματικότητα επρόκειτο για μια νέα οικογένεια ιών.
https://www.bio-rad-antibodies.com/blog/the-remarkable-story-of-June-Almeida.html
Καθώς οι κυτταρικές καλλιέργειες έγιναν ένα πιο σημαντικό εργαλείο μετά την εισαγωγή της τεχνικής από τον John Franklin Enders το 1954, οι ιολόγοι άρχισαν να βρίσκουν τα ίδια «ιόμορφα» σωματίδια σε ιστούς χωρίς γνωστή «ιογενή» αιτία, καθώς και σε «μη μολυσμένα» κύτταρα. Παρόλο που αυτά τα σωματίδια ήταν μορφολογικά αδιακρίτως από αυτά που θεωρούνταν «ιοί», οι ερευνητές δεν μπόρεσαν να αποδείξουν καμία βιολογική ή «ιογενή» δραστηριότητα.
Για παράδειγμα, το 1961, οι Dales και Howatson διεξήγαγαν μελέτες με ηλεκτρονικό μικροσκόπιο σε τρεις υπογραμμές κυττάρων του στελέχους L του Earle. Παρατήρησαν σωματίδια «τύπου C που μοιάζουν με ιούς» σε δύο από τις τρεις υπογραμμές, τόσο εντός των κυτταροπλασματικών κενών όσο και έξω από τα κύτταρα κοντά στην κυτταρική επιφάνεια. Αυτά τα σωματίδια φαινόταν να σχηματίζονται μέσω μιας διαδικασίας βλάστησης στην κυτταρική μεμβράνη. Παρόμοια σωματίδια βρέθηκαν στο μέσο καλλιέργειας και σε όγκους που προκλήθηκαν σε ποντίκια C3H με την εμβολιασμό τους με τα καλλιεργημένα κύτταρα. Επιπλέον, ένας δεύτερος τύπος σωματιδίου, που ονομάστηκε «τύπου Α ιόμορφος», ήταν παρών εντός των κυτταροπλασματικών κενών και στις τρεις υπογραμμές. Ωστόσο, καμία βιολογική δραστηριότητα δεν είχε συσχετιστεί με κανέναν από τους δύο τύπους σωματιδίων.
Σωματίδια τύπου ιού σε σχέση με κύτταρα στελέχους L
Περίληψη
Μελέτες με ηλεκτρονικό μικροσκόπιο τριών υποσειρών κυττάρων στελέχους L του Earle έδειξαν ότι σε δύο από τις τρεις υποσειρές υπήρχαν σωματίδια τύπου C τύπου ιού εντός των κυτταροπλασματικών κενών και εκτός των κυττάρων κοντά στην κυτταρική επιφάνεια. Τα σωματίδια σχηματίστηκαν μέσω μιας διαδικασίας βλάστησης στη μεμβράνη του κυτταρικού τοιχώματος. Παρόμοια σωματίδια παρατηρήθηκαν σε σφαιρίδια που παρασκευάστηκαν από το μέσο στο οποίο είχαν αναπτυχθεί τα κύτταρα, καθώς και σε κύτταρα όγκων που παράχθηκαν σε ποντίκια C3H μέσω εμβολιασμού των καλλιεργημένων κυττάρων. Ένας δεύτερος τύπος σωματιδίου, ο τύπος Α, παρατηρήθηκε εντός των κυτταροπλασματικών κενών και στις τρεις υπογραμμές κυττάρων που καλλιεργήθηκαν in vitro. Μέχρι στιγμής, δεν έχει συσχετιστεί καμία βιολογική δραστηριότητα με κανέναν από τους δύο τύπους σωματιδίων.
Οι ερευνητές σημείωσαν ότι, με την έλευση των τεχνικών καλλιέργειας ιστών και κυττάρων, έχουν καταβληθεί σημαντικές προσπάθειες για τον εντοπισμό δομών που μοιάζουν με «ιούς» σε διάφορα καρκινικά κύτταρα. Αν και τέτοια σωματίδια παρατηρούνταν συχνά, η οριστική ταυτοποίηση ως «ιϊκών» ήταν σπάνια, καθώς τα περισσότερα δεν είχαν βιολογικές ενδείξεις «ιϊκής» προέλευσης. Κατά συνέπεια, η σημασία αυτών των «ιϊκών» σωματιδίων παρέμενε αβέβαιη χωρίς αποδεδειγμένη βιολογική δραστηριότητα.
«Από τη στιγμή που έγιναν διαθέσιμες μέθοδοι προετοιμασίας κυττάρων και ιστών για λεπτή τομή και ηλεκτρονική μικροσκοπία, έχουν καταβληθεί σημαντικές προσπάθειες για την αναζήτηση δομών που θα μπορούσαν να ταυτοποιηθούν ως ιοί εντός και γύρω από κύτταρα πολλών διαφορετικών τύπων όγκων. Σε όγκους γνωστής ιογενούς αιτιολογίας, αυτές οι προσπάθειες ήταν ως επί το πλείστον επιτυχείς, καθώς σε πολλές περιπτώσεις παρατηρήθηκαν σωματίδια που θεωρήθηκαν ως αιτιολογικοί παράγοντες (3), αν και πρέπει να σημειωθεί ότι μόνο σε πολύ μικρό αριθμό από αυτές έχει γίνει το περαιτέρω βήμα που απαιτείται για την αδιαμφισβήτητη ταυτοποίηση, δηλαδή η καθιέρωση μιας συσχέτισης μεταξύ του αριθμού των σωματιδίων του τύπου που παρατηρήθηκε και της δραστηριότητας που προκαλεί όγκους (25). Σε έναν αριθμό όγκων για τους οποίους δεν υπάρχουν βιολογικά στοιχεία ιϊκής προέλευσης, έχουν περιγραφεί δομές μορφολογικά παρόμοιες ή πανομοιότυπες με αυτές που παρατηρούνται σε ορισμένους όγκους που προκαλούνται από ιούς (3). Η σημασία αυτών των «ιϊκών» σωματιδίων είναι δύσκολο να εκτιμηθεί, δεδομένου ότι δεν υπάρχει καμία αποδεδειγμένη βιολογική δραστηριότητα. Ωστόσο, δεν μπορεί να θεωρηθεί ότι η παρουσία τους μέσα και γύρω από τα καρκινικά κύτταρα είναι τυχαία, και είναι σημαντικό να προσδιοριστεί η σχέση τους με τα καρκινικά κύτταρα και η συχνότητα εμφάνισής τους σε διαφορετικούς όγκους. Αυτό ισχύει ιδιαίτερα ενόψει των τρεχουσών ερευνών για την πιθανή ιογενή αιτιολογία των ανθρώπινων όγκων, στις οποίες οι μορφολογικές παρατηρήσεις μπορεί να είναι σημαντικές, δεδομένου ότι πολλές πειραματικές προσεγγίσεις που χρησιμοποιούνται σε ζώα δεν είναι εφικτές σε ανθρώπους.
Όπως αναφέρεται στην εισαγωγική περίληψη, οι μελέτες με ηλεκτρονικό μικροσκόπιο πραγματοποιήθηκαν σε τρεις διαφορετικές υπογραμμές του στελέχους L, σε όγκους που προήλθαν από την ένεση κυττάρων από τις υπογραμμές σε νεογέννητα ποντίκια C3H και σε σφαιρίδια από τα μέσα κυτταρικής καλλιέργειας.
Υλικό δειγμάτων — Οι μελέτες με ηλεκτρονικό μικροσκόπιο πραγματοποιήθηκαν σε τρία είδη δειγμάτων: (α) κύτταρα από καθεμία από τις τρεις υπογραμμές που καλλιεργήθηκαν in vitro, (β) όγκοι που προέκυψαν από την ένεση σε νεογέννητα ποντίκια C3H κυττάρων από τις τρεις υπογραμμές, και (γ) σφαιρίδια που παρασκευάστηκαν από τα θρεπτικά μέσα στα οποία είχαν αναπτυχθεί τα κύτταρα.
Οι Dales και Howatson συζήτησαν την πιθανότητα τα «σωματίδια τύπου C που μοιάζουν με ιούς» να είναι οι παράγοντες που ευθύνονται για την αρχική μετατροπή των κυττάρων σε κακοήθεια. Ωστόσο, θεώρησαν ότι αυτό φαινόταν απίθανο, ειδικά επειδή μια υπογραμμή δεν περιείχε αυτά τα σωματίδια. Θεώρησαν επίσης ότι αυτά τα σωματίδια μπορεί να αντιπροσωπεύουν «ιούς» όγκων, σημειώνοντας περιπτώσεις όπου «ιοί» που δεν σχετίζονται με τον αιτιολογικό παράγοντα ανακτήθηκαν από ιστούς όγκων. Οι ερευνητές θεώρησαν ότι από καθαρά μορφολογική άποψη, τα «ιϊκά» σωματίδια ήταν αδιακρίτως όμοια με τους «γνωστούς» «ιούς» όγκων τόσο στη δομή όσο και στον τρόπο σχηματισμού τους, αλλά η σημασία τέτοιων μορφολογικών στοιχείων ήταν αμφισβητήσιμη ελλείψει αποδεδειγμένης βιολογικής δραστηριότητας.
Οι Dales και Howatson είχαν πράγματι προσπαθήσει να αποδείξουν την «ιϊκή» δραστηριότητα με την υποδόρια ένεση σφαιριδίων των καλλιεργειών σε νεογέννητα ποντίκια CSH και συριακούς χάμστερ. Ωστόσο, μετά από 8 μήνες, δεν ανιχνεύθηκε καμία βιολογική δραστηριότητα των παρασκευασμάτων. Παραδόξως, οι ερευνητές προσπάθησαν να υποβαθμίσουν τα αρνητικά αποτελέσματα, λέγοντας ότι δεν αποκλείουν την πιθανότητα τα «ιϊκά» σωματίδια να είναι «ιοί» όγκων, καθώς ενδέχεται να μην είχαν δημιουργηθεί οι κατάλληλες συνθήκες για τον σχηματισμό όγκων.
«Θα εξετάσουμε πρώτα τα σωματίδια τύπου C. Αυτά τα σωματίδια έχουν τα γενικά μορφολογικά χαρακτηριστικά που συνδέονται με πολλούς γνωστούς ιούς, συμπεριλαμβανομένων αρκετών ιών όγκων, δηλαδή ένα πυκνό κεντρικό σώμα ή νουκλεοειδές που περιβάλλεται από μια λιγότερο πυκνή ζώνη, το σύνολο του οποίου περιβάλλεται από μια πυκνή περιοριστική μεμβράνη. Είναι πιθανό να αντιπροσωπεύουν τον αιτιολογικό παράγοντα που ήταν υπεύθυνος για την αρχική μετατροπή των κυττάρων σε κακοήθεια, αλλά δεν υπάρχουν στοιχεία που να υποστηρίζουν αυτό το σενάριο. Επιπλέον, αυτό φαίνεται απίθανο, καθώς μία υποσειρά δεν περιείχε καθόλου σωματίδια. Παρ’ όλα αυτά, τα σωματίδια μπορεί να αντιπροσωπεύουν όγκο ιό. Υπάρχουν πλέον αρκετές περιπτώσεις ανάκτησης από καρκινικό ιστό καρκινικού ιού ενός τύπου που δεν φαίνεται να σχετίζεται με τον παράγοντα που προκαλεί τον όγκο από τον οποίο ανακτήθηκε. Για παράδειγμα, ο ιός πολυώματος έχει ανακτηθεί από λευχαιμικό ιστό (23) και από όγκο του μαστού (16) ποντικού, στην πρόκληση του οποίου εμπλέκονται άλλοι ιοί, διαφορετικοί από τον πολυώμα. Επίσης, ένας ιός που προκαλεί λευχαιμία έχει ληφθεί από ένα σάρκωμα για το οποίο δεν υπάρχουν ενδείξεις ιϊκής προέλευσης (17). Έτσι, φαίνεται ότι οι όγκοι ιούς μπορεί να μεταφέρονται ως ιούς-επιβάτες και ότι τα όγκοι κύτταρα παρέχουν ένα κατάλληλο περιβάλλον για αυτούς. Επιπλέον, ο τρόπος σχηματισμού των σωματιδίων που παρατηρήσαμε γύρω από τα κύτταρα L, δηλαδή μια διαδικασία βλάστησης στην κυτταρική μεμβράνη, μοιάζει πολύ με αυτόν που περιγράφεται για ορισμένους ιούς όγκων, η ταυτότητα των οποίων είναι αρκετά καλά τεκμηριωμένη (3). Οι πιο λεπτομερείς μελέτες έχουν πραγματοποιηθεί από τον deHarven (10) σχετικά με τον ιό της λευχαιμίας του Friend. Έτσι, από καθαρά μορφολογική άποψη, τα σωματίδια VL είναι αδιακρίτως όμοια με τους γνωστούς όγκους ιούς τόσο στη δομή όσο και στον τρόπο σχηματισμού τους. Ωστόσο, όπως έχει ήδη επισημανθεί, η σημασία τέτοιων μορφολογικών στοιχείων είναι αμφισβητήσιμη, δεδομένου ότι δεν υπάρχει αποδεδειγμένη βιολογική δραστηριότητα.
Για να ελεγχθεί εάν τα σωματίδια που απελευθερώθηκαν από τα δύο στελέχη των κυττάρων L είχαν οποιαδήποτε βιολογική, ιδίως καρκινογόνο, δραστηριότητα, τα σφαιρίδια των σωματιδίων που ελήφθησαν όπως περιγράφεται επαναδιαλύθηκαν σε ρυθμιστικό αλατούχο διάλυμα και εγχύθηκαν υποδόρια σε νεογέννητα ποντίκια CSH και συριακούς χάμστερ. Μέχρι σήμερα, 8 μήνες αργότερα, δεν έχει ανιχνευθεί καμία βιολογική δραστηριότητα αυτών των παρασκευασμάτων. Αυτά τα αρνητικά αποτελέσματα δεν αποκλείουν, φυσικά, το ενδεχόμενο τα σωματίδια VL να είναι στην πραγματικότητα ιοί όγκου, διότι είναι γνωστό ότι η δράση ορισμένων ιών όγκου εξαρτάται σε μεγάλο βαθμό από παράγοντες του ξενιστή και οι προϋποθέσεις που απαιτούνται για την επίδειξη βιολογικής δραστηριότητας μπορεί να μην έχουν ικανοποιηθεί στις περιορισμένες δοκιμές που πραγματοποιήσαμε”.
Η μελέτη υποδήλωσε επίσης ότι αυτά τα «ιόμορφα» σωματίδια ενδέχεται να μην είναι «μολυσματικές μονάδες», αλλά να προκύπτουν από μια διαδικασία έκκρισης εντός των κυττάρων, υποδηλώνοντας ότι είναι φυσιολογικά κυτταρικά συστατικά και όχι «παθογόνοι ιοί». Αυτό υποστηρίχθηκε από την παρατήρηση ότι η παραγωγή σωματιδίων δεν επηρέαζε την ανάπτυξη ή την υγεία των κυττάρων και ήταν συνεπής σε διαφορετικά περιβάλλοντα, υποδηλώνοντας ότι τα «ιόμορφα» σωματίδια μπορεί να είναι ένα ενδογενές (εσωτερικό) μέρος των φυσιολογικών διαδικασιών του κυττάρου και όχι αποτέλεσμα μιας εξωγενούς (εξωτερικής) «ιογενούς λοίμωξης».
«Μια εναπομένουσα πιθανότητα είναι ότι τα σωματίδια δεν είναι μολυσματικές μονάδες, αλλά προϊόν κάποιας εκκριτικής διαδικασίας στα κύτταρα. Αυτή η υποθετική εκκριτική δραστηριότητα δεν φαινόταν να διαταράσσει τη κυτταρική λειτουργία, καθώς οι σειρές κυττάρων που παρήγαγαν σωματίδια αναπτύσσονταν εξίσου γρήγορα και φαίνονταν εξίσου υγιείς με εκείνες που δεν παρήγαγαν σωματίδια. Επιπλέον, η παραγωγή σωματιδίων δεν επηρεαζόταν από περιβαλλοντικούς παράγοντες, καθώς οι δύο σειρές που παρήγαγαν σωματίδια το έκαναν είτε αναπτύσσονταν in vitro είτε in vivo».
Όσον αφορά τα σωματίδια «τύπου Α που μοιάζουν με ιούς», η «ιογενής» φύση τους ήταν επίσης αβέβαιη. Αυτά τα σωματίδια δεν βρέθηκαν στο μέσο καλλιέργειας, γεγονός που εμπόδισε τη διεξαγωγή δοκιμών βιολογικής δραστηριότητας. Η ταξινόμησή τους ως πιθανών «ιογενών» παραγόντων βασίστηκε αποκλειστικά σε μορφολογικά κριτήρια. Ενώ τα σωματίδια βρέθηκαν σε όγκους «γνωστής ιογενούς αιτιολογίας», τα ίδια σωματίδια παρατηρήθηκαν και σε όγκους όπου δεν είχε αποδειχθεί «ιογενής» αιτιολογία. Οι ερευνητές πρότειναν ότι αυτά τα σωματίδια ενδέχεται να αποτελούν κυτταρική απόκριση στην παρουσία ενός «ιού» ή άλλης ανώμαλης κατάστασης, ή ενδεχομένως έναν ανώμαλο τύπο έκκρισης.
«Η ιογενής φύση των σωματιδίων τύπου Α είναι επίσης αμφισβητήσιμη. Φαίνεται ότι δεν απελευθερώνονται από τα κύτταρα όπως τα σωματίδια τύπου C, επειδή δεν ήταν παρόντα στα σφαιρίδια που παρασκευάστηκαν από το θρεπτικό μέσο στο οποίο αναπτύχθηκαν τα κύτταρα. Επομένως, δεν ήταν δυνατό να εξεταστεί η βιολογική δραστηριότητα των σωματιδίων τύπου Α με τον ίδιο τρόπο όπως των σωματιδίων τύπου C. Ο ισχυρισμός ότι πρέπει να θεωρηθούν ως πιθανοί ιογενείς παράγοντες βασίζεται σε καθαρά μορφολογικά κριτήρια. Σωματίδια τύπου Α έχουν περιγραφεί σε κύτταρα πολλών διαφορετικών τύπων όγκων σε ποντίκια. Μπορούν να εμφανίζονται σποραδικά ή σε μεγάλες συσσωματώσεις σε όγκους γνωστής ιογενούς αιτιολογίας, όπως οι όγκοι του μαστού σε ποντίκια (4, 5), ή μπορεί να υπάρχουν σε όγκους για τους οποίους δεν έχει αποδειχθεί ιογενής αιτιολογία (15). Έχει προταθεί ότι αντιπροσωπεύουν ένα στάδιο στη δημιουργία ώριμων ιϊκών σωματιδίων (3), αλλά μπορεί εξίσου καλά να αποτελούν αντίδραση του κυττάρου στην παρουσία του ιού ή σε κάποια άλλη ανώμαλη κατάσταση. Αν και σε ορισμένους όγκους έχει παρατηρηθεί στενή σχέση μεταξύ της περιοχής Golgi, η οποία είναι γνωστό ότι σχετίζεται με τις εκκριτικές δραστηριότητες του κυττάρου, και των σωματιδίων τύπου Α (5, 15), αυτό δεν είναι εμφανές στα κύτταρα L. Ωστόσο, δεν πρέπει να παραβλεφθεί η πιθανότητα τα σωματίδια τύπου Α στα κύτταρα L να αντιπροσωπεύουν κάποιο ανώμαλο τύπο έκκρισης. Τα σωματίδια τύπου Α φαίνεται να σχετίζονται με νεοπλασία, για την οποία, από όσο γνωρίζουμε, δεν έχουν περιγραφεί σε μη νεοπλασματικά κύτταρα. Ωστόσο, ο ρόλος και η σημασία τους, εάν υπάρχει, στη νεοπλασματική διαδικασία παραμένουν προς προσδιορισμό.
Συμπερασματικά, οι Dales και Howatson υπογράμμισαν την επικράτηση «ιϊκών» σωματιδίων σε διάφορους όγκους χωρίς αποδεδειγμένη «ι”ική» δραστηριότητα. Τόνισαν την ανάγκη για πρόσθετα στοιχεία πριν αποδώσουν ρόλο στην καρκινογένεση σε αυτά τα σωματίδια με βάση αποκλειστικά την ομοιότητά τους με «γνωστούς ιούς». Ακόμη και όταν απομονώθηκαν αυτά τα σωματίδια σε «σχετικά καθαρές» μορφές, η απόκτηση αποδεικτικών στοιχείων για τη βιολογική τους δραστηριότητα παρέμεινε δύσκολη.
Συμπέρασμα
Υπάρχει πλέον ένας μακρύς κατάλογος όγκων τόσο σε ζώα όσο και σε ανθρώπους, σε σχέση με τους οποίους έχουν παρατηρηθεί σωματίδια που υποψιάζονται ότι είναι ιοί, αλλά για τα οποία δεν έχει αποδειχθεί βιολογικά καμία ιογενής δραστηριότητα. Αυτά περιλαμβάνουν τα κύτταρα του όγκου Ehrlich ascites (1, 21), τους όγκους των πλασματοκυττάρων (15), τους λεμφαδένες της λευχαιμίας στον άνθρωπο (7), τον όγκο του μαστού (14) και το επιθηλίωμα της μήτρας (13) σε αρουραίους. Ενώ τέτοιες παρατηρήσεις είναι ενδιαφέρουσες και μπορεί να έχουν μεγάλη σημασία, είναι σαφές ότι πρέπει να συγκεντρωθούν περισσότερες αποδείξεις προτού μπορέσει να αποδοθεί στα σωματίδια κάποιος ρόλος στην καρκινογένεση λόγω της ομοιότητάς τους με γνωστούς ιούς. Οι παρούσες μελέτες δείχνουν ότι, ακόμη και όταν είναι δυνατό να απομονωθούν τα «ιόμορφα» σωματίδια σε ικανοποιητική ποσότητα και σε αρκετά καθαρή κατάσταση, μπορεί να είναι δύσκολο να αποκτηθεί απόδειξη ότι έχουν κάποια βιολογική δραστηριότητα.
Επτά χρόνια αργότερα, η Cromack ανέφερε την παρουσία «ιϊκών» σωματιδίων σε έμβρυα κοτόπουλου και καλλιέργειες κυττάρων L μέσω ηλεκτρονικής μικροσκοπίας. Σημείωσε ότι πολλοί ερευνητές είχαν παρατηρήσει παρόμοια σωματίδια σε φυσιολογικές —δηλαδή «μη μολυσμένες»— καλλιέργειες κυττάρων κοτόπουλου και υπέθεσε ότι θα μπορούσαν να είναι «λανθάνοντα ιούς» που σχετίζονται με τη λεμφομάτωση των πτηνών, μια πάθηση που συχνά εμφανίζεται χωρίς να προκαλεί ασθένεια. Στη μελέτη της, η Cromack παρατήρησε αυτά τα σωματίδια σε «μη μολυσμένες» καλλιέργειες εμβρύων κοτόπουλου και διαπίστωσε ότι εκείνες που επωάστηκαν για τέσσερις ημέρες πριν από τη σταθεροποίηση περιείχαν σημαντικά περισσότερα σωματίδια από εκείνες που σταθεροποιήθηκαν μετά από μία ημέρα, παρά την απουσία κυτταροπαθητικών επιδράσεων.
Μελέτη με ηλεκτρονικό μικροσκόπιο των ιοειδών σωματιδίων σε καλλιέργειες εμβρύων κοτόπουλου και κυττάρων L
«Οι λανθάνουσες ιογενείς λοιμώξεις στα κοτόπουλα είναι γνωστές εδώ και αρκετά χρόνια. Πολλοί ερευνητές έχουν παρατηρήσει σφαιρικά, ιοειδή σωματίδια σε φυσιολογικές καλλιέργειες κυττάρων κοτόπουλου και έχουν υποθέσει ότι μπορεί να είναι ο ιός της πτητικής λεμφομάτωσης, ο οποίος εμφανίζεται συχνά χωρίς να προκαλεί συμπτώματα νόσου και μεταδίδεται διαωοτικά.
Σωματίδια παρόμοια με ιούς παρατηρήθηκαν επίσης κατά τη διάρκεια της παρούσας μελέτης της υπερδομής πρωτογενών μονοστοιβάδων από έμβρυα κοτόπουλου ηλικίας 10 ημερών που καλλιεργήθηκαν σε μέσο Eagle (I955) συμπληρωμένο με 3 % ορό μοσχαριού. Οι καλλιέργειες παρασκευάστηκαν σύμφωνα με τη μέθοδο των Dulbecco & Vogt (I954) από υβριδική εμπορική φυλή κοτόπουλων Heisdorf και Nelson White Leghorn. Το 56% των κυττάρων είχε σωματίδια παρόμοια με ιούς είτε στην περιφέρεια είτε στο εσωτερικό τους. P1. Το σχήμα I δείχνει μια ομάδα εξωκυτταρικών σωματιδίων σε καλλιέργεια εμβρύου κοτόπουλου που επωάστηκε για 4 ημέρες. Η μέση διάμετρος τους ήταν 1060 A (Πίνακας I). Κάθε σωματίδιο αποτελείτο από ένα πυκνό κεντρικό νουκλεοειδές που περιβαλλόταν από μια μεμβράνη, και στη συνέχεια από μια διαυγή περιοχή που τελικά οριζόταν από μια εξωτερική μεμβράνη. Τόσο τα σωματίδια που μοιάζουν με ιούς κοτόπουλου όσο και ποντικού (που θα συζητηθούν αργότερα) σταθεροποιήθηκαν είτε με OsO 4 είτε με γλουταραλδεΰδη, ακολουθούμενη από μετα-σταθεροποίηση με OsO4, και στη συνέχεια μελετήθηκαν με ηλεκτρονικό μικροσκόπιο Siemens Elmiskop I. Οι τομές κόπηκαν σε υπερυπομικροτόμο Servall MTI Porter-Blum. Τα σωματίδια ήταν σχεδόν αποκλειστικά εξωκυτταρικά (P1. I, εικ. 2). Περιστασιακά παρατηρήθηκαν σε κυτταροπλασματικά κενά κοντά στην κυτταρική επιφάνεια και, σπάνια, σε κυτταροπλασματικά κενά κοντά στον πυρήνα (P1. I, εικ. 3). Όταν οι καλλιέργειες εμβρύων κοτόπουλου επωάστηκαν για 4 ημέρες πριν από τη σταθεροποίηση αντί για μία, τα παρόντα σωματίδια φάνηκαν να έχουν αυξηθεί σημαντικά σε αριθμό, αν και δεν παρατηρήθηκαν κυτταροπαθητικές επιδράσεις.
Η Cromack σημείωσε ότι οι Febvre & Benedetti (1958) είχαν παρατηρήσει παρόμοια «ιόμορφα» σωματίδια σε «μη μολυσμένα» κύτταρα White Leghorn, τα οποία δεν παρουσίαζαν κυτταροπαθογόνες επιδράσεις, όπως και στη δική της μελέτη. Αναφέρθηκε επίσης σε παλαιότερες έρευνες των Dales και Howatson (1961) και Kindig και Kirsten (1967), οι οποίες περιέγραφαν τα ίδια φαινόμενα. Παρά τη συχνή παρουσία αυτών των σωματιδίων σε κυτταρικές καλλιέργειες, η Cromack αναγνώρισε ότι δεν είχε αποδειχθεί καμία βιολογική δραστηριότητα, ενισχύοντας το γεγονός ότι «ιόμορφα» σωματίδια μπορούν να υπάρχουν σε κυτταρικές καλλιέργειες χωρίς σαφή βιολογική λειτουργία ή ενδείξεις «μολυσματικότητας». Το γεγονός ότι ήταν ήδη παρόντα στα κύτταρα πριν από την υποτιθέμενη «μόλυνση» με τον «ιό της δυτικής ιππικής εγκεφαλίτιδας (WEE)» υποδηλώνει ότι αυτά τα σωματίδια είναι εγγενή στα καλλιεργημένα κύτταρα και δεν είναι αποτέλεσμα «ιογενούς μόλυνσης». Αυτό αμφισβητεί την υπόθεση ότι όλα τα σωματίδια που παρατηρούνται σε πειράματα ιολογίας είναι απαραίτητα «παθογόνοι ιοί».
«Οι Febvre & Benedetti (1958) εξέτασαν φυσιολογικά κύτταρα White Leghorn, καθώς και Brown Leghorn, και παρατήρησαν σωματίδια παρόμοια με ιούς μόνο στα πρώτα. Τα Brown Leghorns τους υποτίθεται ότι ήταν απαλλαγμένα από τον ιό της λεμφοματώσεως των πτηνών. Τα σωματίδια τους ήταν παρόμοια σε μορφολογία με αυτά που περιγράφονται εδώ, τα περισσότερα από τα σωματίδια ήταν εξωκυτταρικά και δεν παρατηρήθηκαν κυτταροπαθητικές επιδράσεις.
Στο δεύτερο μέρος αυτής της μελέτης, παρατηρήθηκε ένας μορφολογικά διαφορετικός τύπος ιού σε δύο σειρές καλλιεργημένων κυττάρων ποντικού του στελέχους L 929. Ο Lockart (1963) έχει περιγράψει τις μεθόδους καλλιέργειας των κυττάρων. Τα σωματίδια είναι πανομοιότυπα με αυτά που παρατήρησαν οι Dales & Howatson (1961) σε κύτταρα ποντικού του στελέχους L. Οι Kindig & Kirsten (1967) ανέφεραν επίσης ότι τα παρατήρησαν μετά την ολοκλήρωση της παρούσας εργασίας. Ένας τύπος συνηθισμένου σωματιδίου, που μοιάζει με σφαιρικό «ντόνατ», βρίσκεται τόσο εντός όσο και εκτός του κυττάρου. Σύμφωνα με τη μορφολογική ταξινόμηση των σωματιδίων της λευχαιμίας των ποντικών από τους Bernhard & Gurrin (I 958), είναι τύπου Α. Οι Dales & Howatson (1961) παρατήρησαν επίσης σωματίδια τύπου Α που μοιάζουν με ιούς στο 10 έως 20% των κυττάρων τους. Τα ενδοκυτταρικά και εξωκυτταρικά σωματίδια αυτού του τύπου που περιγράφονται εδώ αποτελούσαν ένα ηλεκτρονικά διαφανές νουκλεοειδές και μια πυκνή εξωτερική περιοχή (P1. 2, εικ. 5). Επιπλέον, τα εξωκυτταρικά σωματίδια τύπου Α είχαν δύο ομόκεντρες μεμβράνες έξω από την πυκνή περιοχή και μερικές φορές περιείχαν ένα νουκλεοειδές μέσης πυκνότητας. Τα ενδοκυτταρικά σωματίδια είχαν μέση διάμετρο 810 A, ενώ τα εξωκυτταρικά είχαν μέση διάμετρο 1030 A. Τα μικρότερα σωματίδια που εκφύονται από την κυτταρική μεμβράνη στο PI. 2, εικ. 5 είναι ο ιός WEE. Συστάδες ανώριμων ιών WEE ελεύθερων στο κυτταρόπλασμα και συστάδες ριβοσωμάτων που σχετίζονται με την ανάπτυξη του ιού WEE παρατηρήθηκαν επίσης σε άλλα κύτταρα. Η ηλεκτρονική μικροσκοπική παρατήρηση του ιού WEE που πολλαπλασιάζεται σε υψηλούς τίτλους σε κύτταρα L που περιέχουν σωματίδια παρόμοια με ιούς δεν έχει αναφερθεί προηγουμένως.
Ο άλλος τύπος σωματιδίου ποντικού που παρατηρήθηκε σπάνια στα κύτταρα L ήταν τύπου C, σύμφωνα με την ταξινόμηση των Bernhard & Guerin (1958). Παρόμοια σωματίδια αναφέρθηκαν από τους Dales & Howatson (I960), αλλά δεν μπόρεσαν να προσδιορίσουν καμία βιολογική δραστηριότητα για κανέναν από τους δύο τύπους σωματιδίων. Τα σφαιρικά σωματίδια τύπου C είχαν μέση διάμετρο 1000 A και περιείχαν ένα πυκνό κεντρικό νουκλεοειδές και μια εξωτερική περιοχή ενδιάμεσης πυκνότητας που περιβαλλόταν από μια μεμβράνη (P1. 2, εικ. 8).
Ο άλλος τύπος μυϊκού σωματιδίου που παρατηρήθηκε σπάνια στα κύτταρα L ήταν του τύπου C, σύμφωνα με την ταξινόμηση των Bernhard & Guerin (1958). Παρόμοια σωματίδια αναφέρθηκαν από τους Dales & Howatson (I960), αλλά δεν μπόρεσαν να προσδιορίσουν καμία βιολογική δραστηριότητα για κανέναν από τους δύο τύπους σωματιδίων. Τα σφαιρικά σωματίδια τύπου C είχαν μέση διάμετρο 1000 A και περιείχαν ένα πυκνό κεντρικό νουκλεοειδές και μια εξωτερική περιοχή ενδιάμεσης πυκνότητας που περιβαλλόταν από μια μεμβράνη (P1. 2, εικ. 8).
Ο Cromack ανέφερε ότι κανένα από τα 36 δείγματα από κύτταρα L σε συνεχή υποκαλλιέργεια για περίοδο 2 ετών δεν βρέθηκε να στερείται σωματιδίων «τύπου Α που μοιάζουν με ιούς», με το 91% να περιέχει τις οντότητες. Το εύρημα αυτό ενίσχυσε την άποψη ότι αυτές οι δομές είναι εγγενείς στα κύτταρα L σε καλλιέργεια, αντί να είναι «μολυσματικοί παράγοντες» που εισάγονται εξωτερικά.
Σημείωσε ότι αυτά τα σωματίδια έμοιαζαν με αυτά που παρατηρήθηκαν σε ποντίκια με λευχαιμία και σε ασθένειες αβέβαιης «ιϊκής» προέλευσης, όπως όγκοι πλασματοκυττάρων, νεφρικά καρκινώματα και όγκοι ασκίτη Ehrlich. Ωστόσο, παρά τις σαφείς ενδείξεις ότι αυτά τα σωματίδια εμφανίζονταν φυσιολογικά στα κύτταρα L και την απουσία οποιασδήποτε αποδεδειγμένης βιολογικής δραστηριότητας —δηλαδή χωρίς καμία απόδειξη «μολυσματικότητας» ή αιτιώδους συνάφειας με ασθένειες— η Cromack τελικά τα ταξινόμησε ως «ιούς» με βάση αποκλειστικά τη μορφολογική τους εμφάνιση στο ηλεκτρονικό μικροσκόπιο.
«Κανένα από τα 36 δείγματα από κύτταρα L σε συνεχή υποκαλλιέργεια για περίοδο 2 ετών δεν βρέθηκε να είναι απαλλαγμένο από σωματίδια τύπου Α που μοιάζουν με ιούς. Όπου πραγματοποιήθηκαν μετρήσεις, το 91% των κυττάρων περιείχε αυτές τις οντότητες. Αυτά τα σωματίδια είναι παρόμοια σε μορφολογία, μέγεθος και θέση στο κύτταρο με τους ιούς που βρίσκονται σε ποντίκια με λευχαιμία, μια ασθένεια γνωστής ιογενούς αιτιολογίας (de Harven & Friend, I958). Επίσης, μοιάζουν πολύ με εκείνα που παρατηρούνται σε ασθένειες αβέβαιης ιογενούς αιτιολογίας, όπως η ανάπτυξη όγκων πλασματοκυττάρων (Parsons et al. I96I), νεφρικών καρκινωμάτων (Claude, I962) ή όγκων ασκίτη Ehrlich (Adams & Prince, I957).
Η ιογενής φύση των σωματιδίων που μοιάζουν με ιούς κοτόπουλου και ποντικού υποδηλώνεται έντονα από τις μικρές διαστάσεις τους, το ομοιόμορφο μέγεθός τους και την παρατήρησή τους με ηλεκτρονικό μικροσκόπιο σε παρασκευάσματα που έχουν σταθεροποιηθεί με διάφορες μεθόδους. Αν και η βιολογική τους δραστηριότητα δεν έχει αποδειχθεί, πιστεύεται, με βάση τη μορφολογία τους, ότι και οι δύο τύποι σωματιδίων είναι αντίστοιχα ογκογόνοι ιοί κοτόπουλου και ποντικού.
https://pubmed.ncbi.nlm.nih.gov/5645579/
Η λανθασμένη συλλογιστική που επιδεικνύει ο Cromack είναι ένα τέλειο παράδειγμα του πώς τα «ιϊκά» σωματίδια σε κυτταρικές καλλιέργειες συχνά θεωρούνται «παθογόνοι ιοί» χωρίς άμεσες ενδείξεις «μολυσματικότητας» ή αιτιώδους συνάφειας με ασθένειες. Σε συνδυασμό με την εργασία των Dales και Howatson, αυτό καταδεικνύει μια θεμελιώδη αδυναμία στη λογική της αναγνώρισης «ιών» αποκλειστικά μέσω ηλεκτρονικής μικροσκοπίας.
Καθώς οι ερευνητές εξέταζαν περισσότερες ουσίες με ηλεκτρονικό μικροσκόπιο, ανακάλυπταν όλο και περισσότερο μορφολογικά πανομοιότυπα «ιϊκά» σωματίδια σε απρόσμενα μέρη. Το 1970, ο Breese Jr. ανέφερε ότι παρατήρησε τέτοια σωματίδια, πανομοιότυπα σε μορφολογία με τα «ιϊκά» σωματίδια που βρέθηκαν σε καλλιέργειες κυττάρων νεφρού μωρού χάμστερ (BHK-21) και λευχαιμία ποντικού, σε δύο σταθερές κυτταρικές σειρές νεφρού χοίρου, PK-131 και IB-RS-2.
Χρησιμοποιήθηκε ηλεκτρονική μικροσκοπία για να εξεταστούν καλλιέργειες ιστών και των δύο κυτταρικών σειρών που είχαν «μολυνθεί» με τον «ιό της αφρικανικής πανώλης των χοίρων» (ASFV) ή τον «ιό της αφθώδους πυρετού» (FMDV), παράλληλα με «μη μολυσμένα» δείγματα ελέγχου. Ενώ παρατηρήθηκαν «ιόμορφα» σωματίδια στις «μολυσμένες» καλλιέργειες, πανομοιότυπα σωματίδια υπήρχαν και στις «μη μολυσμένες» καλλιέργειες. Αξίζει να σημειωθεί ότι η κυτταρική σειρά IB-RS-2 —η οποία δεν είχε «μολυνθεί» ή υποστεί μεταμόσχευση από την άφιξή της στο εργαστήριο— περιείχε αυτά τα σωματίδια σε κάθε δείγμα που εξετάστηκε, είτε ήταν «μη μολυσμένο» είτε «μολυσμένο» με άλλο «ιό».
Ιοειδή σωματίδια που εμφανίζονται σε καλλιέργειες σταθερών κυτταρικών σειρών νεφρών χοίρων
«Αρκετές αναφορές στη βιβλιογραφία (1-3) έχουν ασχοληθεί με ιϊκά σωματίδια που έχουν παρατηρηθεί σε καλλιέργειες κυτταρικών σειρών νεφρού μωρού χάμστερ (BHK)-21, κλώνος 13 (4). Άλλοι ερευνητές (5) έχουν παρατηρήσει μορφολογικά παρόμοια σωματίδια σε κύτταρα BHK όταν αυτά έχουν μολυνθεί από διάφορους ιούς, όπως ο Bunyamwera, ο ερυθράς, ο εγκεφαλίτιδας του Σαιντ Λούις και ο ανατολικός ιππικός εγκεφαλίτιδας. Πιο πρόσφατα, σωματίδια παρόμοια με ιούς έχουν επίσης παρατηρηθεί σε μια κυτταρική σειρά βοοειδών, με την ονομασία CK-66, που αναπτύχθηκε στο Ομοσπονδιακό Ερευνητικό Ινστιτούτο για τις Ζωικές Ασθένειες, στο Τίμπινγκεν της Γερμανίας (6). Οι αναφορές δείχνουν γενικά ότι ο αριθμός των σωματιδίων που μοιάζουν με ιούς αυξάνεται όταν οι κυτταρικές καλλιέργειες μολύνονται με τον ιό της δοκιμής. Η παρούσα σημείωση αναφέρεται στην εμφάνιση σωματιδίων, τα οποία είναι μορφολογικά πανομοιότυπα με αυτά που αναφέρονται παραπάνω, σε δύο σταθερές κυτταρικές σειρές νεφρών χοίρων, PK-131 και IB-RS-2 (7).
Για ηλεκτρονική μικροσκοπία προετοιμάστηκαν καλλιέργειες ιστών των δύο κυτταρικών σειρών σε φιάλες συνταγών των 4 ουγκιών, και οι δύο μολυσμένες με τον ιό της αφρικανικής πανώλης των χοίρων (ASFV) (8) ή τον ιό του αφθώδους πυρετού (FMDV) (9, 10) και μη μολυσμένοι μάρτυρες.
«Τα σχήματα 1 και 2 δείχνουν τυπικά παραδείγματα των ιόμορφων σωματιδίων σε τομές κυττάρων PK-13 και IB-I~S-2 που είχαν μολυνθεί με ASFV και FMDV, αντίστοιχα. Παρόμοια σωματίδια βρέθηκαν σε μη μολυσμένα κύτταρα, αλλά η εμφάνισή τους ήταν λιγότερο συχνή και δεν παρατηρούνταν πάντα από πέρασμα σε πέρασμα. Σπάνια έχουν παρατηρηθεί στάδια ανάπτυξης και μόνο περιστασιακά τα σωματίδια που μοιάζουν με ιούς φαίνεται να εκφύονται από την κυτταρική μεμβράνη. Η διάμετρος των σωματιδίων είναι περίπου 90 μm και ο πυρήνας είναι περίπου 60 μm. Οι ενδεικτικές μικρογραφίες επιλέχθηκαν από πολλές που έχουν ληφθεί κατά τη διάρκεια άλλων ερευνών. Η εμφάνιση των σωματιδίων που μοιάζουν με ιούς στα κύτταρα PK-13 είχε παρατηρηθεί για αρκετά χρόνια. Οι κυτταρικές σειρές IB-RS-2, οι οποίες δεν είχαν μολυνθεί ή περάσει από διαδοχικές μεταμοσχεύσεις από την άφιξή τους στο εργαστήριό μας, εξετάστηκαν επίσης για τα σωματίδια που μοιάζουν με ιούς. Αυτά ήταν παρόντα σε κάθε δείγμα κυττάρων, είτε ήταν μολυσμένα είτε μολυσμένα με άλλο ιό. Οι διαδοχικές μεταμοσχεύσεις υγρών κυττάρων που παρουσίαζαν σωματίδια σε πρωτογενείς καλλιέργειες ιστού νεφρού χοίρου και η επακόλουθη μελέτη με ηλεκτρονικό μικροσκόπιο δεν αποκάλυψαν σωματίδια.
https://pubmed.ncbi.nlm.nih.gov/4195629/
Η μελέτη αυτή απέδειξε ότι πανομοιότυπα σωματίδια εμφανίστηκαν τόσο σε «μολυσμένα» όσο και σε «μη μολυσμένα» κύτταρα, αμφισβητώντας την υπόθεση ότι η παρουσία τους υποδηλώνει «ιογενή λοίμωξη». Εάν αυτά τα σωματίδια ήταν πραγματικά «ιϊκά», δεν θα έπρεπε να βρίσκονται στα «μη μολυσμένα» δείγματα. Η ασυνεπής εμφάνιση, η έλλειψη σαφών σταδίων αναπαραγωγής και η αποτυχία πολλαπλασιασμού σε νέες καλλιέργειες υποδηλώνουν ότι τα σωματίδια είναι πιθανότατα κυτταρικές δομές, τεχνητά προϊόντα ηλεκτρονικής μικροσκοπίας ή άλλες «μη ιογενείς» ουσίες και όχι «παθογόνα».
Η έκθεση του Breese Jr. ήταν ήδη ένα σημαντικό πλήγμα για την «ιϊκή» αφήγηση στην αρχή της δεκαετίας, αλλά μια ακόμη πιο εντυπωσιακή ανακάλυψη προέκυψε στα μέσα της δεκαετίας του 1970: τα ίδια «ιϊκά» σωματίδια βρέθηκαν σε «απαλλαγμένο από ιούς» εμβρυϊκό βόειο ορό (FBS) — το ίδιο μέσο που χρησιμοποιείται για τη διατήρηση κυττάρων και την καλλιέργεια «ιών». Το 1974, ο Benz Jr. και ο Moses εξέτασαν είκοσι δύο δείγματα βοοειδούς ορού και βρήκαν την παρουσία «ιϊκών» σωματιδίων σε όλα τα δείγματα βοοειδούς ορού που εξετάστηκαν, συμπεριλαμβανομένων εκείνων που είχαν χαρακτηριστεί ως «ελεγμένα για ιούς» εμβρυϊκό βοοειδές ορό και αγάμμα ορό μοσχαριού. Το γεγονός ότι αυτές οι δομές βρέθηκαν παντού, ακόμη και σε «απαλλαγμένα από ιούς» δείγματα, εγείρει σοβαρά ερωτήματα σχετικά με την πραγματική τους φύση. Οι ερευνητές χρησιμοποίησαν υπερφυγοκέντρηση και ηλεκτρονική μικροσκοπία για να ανιχνεύσουν αυτά τα σωματίδια, εντοπίζοντάς τα σε κλάσματα με πυκνότητα 1,16-1,18 g/cc όταν υποβλήθηκαν σε κλίση χλωριούχου καισίου (CsCl). Αξίζει να σημειωθεί ότι αυτές οι πυκνότητες συμπίπτουν με εκείνες που συχνά αποδίδονται σε «ιϊκά» σωματίδια σε μελέτες ιολογίας.
Σύντομη ανακοίνωση: Μικρά, ιόμορφα σωματίδια που ανιχνεύθηκαν σε ορό βοοειδών με ηλεκτρονική μικροσκοπία
ΠΕΡΙΛΗΨΗ-Είκοσι δύο δείγματα ορού βοοειδών εξετάστηκαν με υπερφυγοκέντρηση και ηλεκτρονική μικροσκοπία για την παρουσία ιόμορφων δομών. Όλα τα δείγματα, συμπεριλαμβανομένων εκείνων του «ελεγμένου για ιούς» εμβρυϊκού ορού βοοειδών (FBS) και του ορού αγάμμα μοσχαριού, είχαν τέτοιες δομές. Όταν τα σφαιρίδια FBS επαναδιαλύθηκαν σε ρυθμιστικό διάλυμα και φυγοκεντρήθηκαν σε ισορροπία σε συνεχή κλίση CsCI 1,1-1,3 glcc, παρατηρήθηκαν σωματίδια παρόμοια με ιούς, πανομοιότυπα με αυτά που παρατηρήθηκαν στα σφαιρίδια FBS, σε κλάσματα με πυκνότητα 1,16-1,18 g/cc. Σε δείγματα FBS που χρησιμοποιήθηκαν για την υποστήριξη της ανάπτυξης 2 ανθρώπινων λεμφοβλαστικών κυτταρικών σειρών από ασθενείς με οξεία λοιμώδη μονοπυρήνωση, παρατηρήθηκε μέγιστη ενσωμάτωση ραδιενεργού ουριδίνης στις πυκνότητες 1,17-1,18 g/cc. Τα κλάσματα με την υψηλότερη ραδιενέργεια περιείχαν επίσης τα πιο μικρά, ιόμορφα σωματίδια. -J Natl Cancer Inst 52: 1931-1934, 1974.
Οι ερευνητές σημείωσαν ότι, ενώ οι τεχνικές κυτταρικής καλλιέργειας αυξάνουν την πιθανότητα ανίχνευσης «παραγόντων» που παράγονται από καρκινικά κύτταρα, αυξάνουν επίσης την πιθανότητα εισαγωγής «τυχαίων παραγόντων» που μπορεί να ανιχνευθούν ή όχι. Αναγνώρισαν ότι τα οροί βοοειδών είναι συχνά μολυσμένοι με «ιούς» και ότι ακόμη και οι προμηθευτές που ισχυρίζονται ότι ελέγχουν αυτούς τους «ιούς» μπορεί να παρέχουν ορούς που περιέχουν μη αναγνωρισμένους «παράγοντες τύπου ιού». Προειδοποίησαν ότι η μόλυνση αυτών των σειρών με «ιούς ή παράγοντες παρόμοιους με ιούς» βοοειδών μπορεί να συγκαλύψει την παρουσία του υποψήφιου «ιού» του όγκου ή μπορεί η ίδια να εκληφθεί ως υποψήφιος «ιός» ανθρώπινου όγκου. Με άλλα λόγια, οι ερευνητές ενδέχεται να αναγνωρίσουν εσφαλμένα αυτά τα ξένα «ιμοειδή» σωματίδια ως ανθρώπινους ογκογόνους «ιούς», δημιουργώντας ανησυχίες σχετικά με την εγκυρότητα των μελετών που ισχυρίζονται ότι αναγνωρίζουν «νέους» «ιούς» που σχετίζονται με όγκους, καθώς θα μπορούσαν απλώς να ανιχνεύουν «τυχαίους παράγοντες» από τις συνθήκες καλλιέργειας και όχι ανθρώπινους «παθογόνους παράγοντες».
Η ΑΝΑΖΗΤΗΣΗ ογκογόνων ιών σε ανθρώπινους όγκους έχει οδηγήσει τους ερευνητές να χρησιμοποιούν τεχνικές in vitro για να αυξήσουν την ευαισθησία των υφιστάμενων μεθόδων ανίχνευσης ιών (1, 2). Πολλές από αυτές περιλαμβάνουν την καλλιέργεια καρκινικών κυττάρων μέσω αρκετών περασμάτων σε καλλιέργεια ιστών. Οι τεχνικές κυτταρικής καλλιέργειας, ενώ αυξάνουν την πιθανότητα ανίχνευσης παραγόντων που παράγονται από καρκινικά κύτταρα, αυξάνουν επίσης την πιθανότητα εισαγωγής τυχαίων παραγόντων που μπορεί να ανιχνευθούν ή να μην ανιχνευθούν.
Οι οροί βοοειδούς προέλευσης είναι συχνά μολυσμένα με τον ιό της βοοειδούς ιογενούς διάρροιας (BVD), τον ιό της μολυσματικής ρινοτραχειίτιδας των βοοειδών (IBR) και τον παραϊνφλουένζα 3 (PI-3) (3, 4). Ορισμένοι εμπορικοί προμηθευτές ελέγχουν την παρουσία αυτών των συγκεκριμένων ιών και προσφέρουν ορούς βοοειδών που θεωρείται ότι είναι απαλλαγμένοι από αυτούς τους παράγοντες. Τουλάχιστον ένας προμηθευτής προσφέρει εμβρυϊκό ορό μοσχαριού που έχει ελεγχθεί για ιούς ή ιόμορφα παράγοντα που δεν είναι ανιχνεύσιμα κατά τον έλεγχο για BVD, IBR και PI-3. Δεδομένου ότι πολλές σειρές καρκινικών κυττάρων δημιουργούνται και μεταφέρονται με ορούς βοοειδούς προέλευσης, η μόλυνση αυτών των σειρών με ιούς βοοειδών ή ιόμορφα παράγοντα μπορεί να συγκαλύψει την παρουσία του υποψήφιου καρκινικού ιού ή μπορεί η ίδια να εκληφθεί ως υποψήφιος καρκινικός ιός του ανθρώπου.
Στην επόμενη ενότητα, οι Benz Jr. και Moses αναφέρουν ότι όλα τα δείγματα εμβρύων βοοειδών που εξέτασαν, συμπεριλαμβανομένων και εκείνων που ήταν «απαλλαγμένα από ιούς», περιείχαν πολυάριθμα «ιόμορφα» σωματίδια. Τα ίδια σωματίδια παρατηρήθηκαν σε μικρότερες ποσότητες στον ορό μοσχαριών και ενήλικων βοοειδών, ενώ ο ορός αρνιών και χοίρων περιείχε διάσπαρτα παρόμοια σωματίδια. Είναι ενδιαφέρον ότι ο ορός αλόγων και ανθρώπων δεν περιείχε ανιχνεύσιμα «ιόμορφα» σωματίδια. Αυτό θα μπορούσε να εξηγήσει γιατί οι ιολόγοι συχνά προτιμούν τον εμβρυϊκό ορό βοοειδών έναντι του ανθρώπινου ορού για τις μελέτες τους σε κυτταρικές καλλιέργειες.
Αποτελέσματα και Συζήτηση
Είκοσι δύο οροί 5 ειδών που ελήφθησαν από 5 εμπορικούς προμηθευτές εξετάστηκαν με υπερφυγοκέντρηση και ηλεκτρονική μικροσκοπία για την παρουσία δομών που μοιάζουν με ιούς. Όλα τα δείγµατα ορών βοοειδών που εξετάστηκαν µέχρι σήµερα, συµπεριλαµβανοµένων των δειγµάτων «ελεγµένου µε ιούς» FBS και ορού µόσχων agamma, είχαν τέτοιες δοµές. Τα σωματίδια αυτά ήταν πολυάριθμα και στις 10 παρτίδες FBS που εξετάστηκαν και παρατηρήθηκαν σε μικρότερες ποσότητες στον ορό μοσχαριών και ενηλίκων βοοειδών. Ο ορός αρνιών και χοίρων περιείχε διάσπαρτα παρόμοια σωματίδια, ενώ ο ορός αλόγου και ανθρώπου δεν περιείχε ανιχνεύσιμες δομές που να μοιάζουν με ιό (πίνακας Ι). Αυτά τα μικρά σωματίδια που έμοιαζαν με ιό αποτελούνταν από έναν κεντρικό πυρήνα ποικίλης πυκνότητας που περιβαλλόταν από περίβλημα μεμβράνης και είχαν μέση διάμετρο περίπου 55 nm (εικ. 1).
Όταν τα σφαιρίδια FBS επαναδιαλύθηκαν σε ρυθμιστικό διάλυμα TKM και υποβλήθηκαν σε φυγοκέντρηση έως την επίτευξη ισορροπίας σε συνεχή κλίση CsCl 1,1-1,3 gl cc, παρατηρήθηκαν με ηλεκτρονικό μικροσκόπιο σωματίδια παρόμοια με ιούς, πανομοιότυπα με αυτά που παρατηρήθηκαν στα σφαιρίδια FBS, σε κλάσματα με πυκνότητα 1,16-1,18 glcc (εικ. 2).
Οι ερευνητές τόνισαν την πιθανότητα μόλυνσης του βοείου ορού με «ιόμορφα» σωματίδια που θα μπορούσαν να επηρεάσουν την ανίχνευση και τη μελέτη των «ιών» των ανθρώπινων όγκων. Αυτό αποτελεί σημαντικό ζήτημα για τους ερευνητές που καλλιεργούν ανθρώπινες καρκινικές κυτταρικές σειρές, καθώς οποιαδήποτε μόλυνση από υποτιθέμενους «ιούς» βοοειδών θα μπορούσε να στρεβλώσει τα αποτελέσματα. Τα «ιϊκά» σωματίδια που ανιχνεύθηκαν στον ορό βοοειδών βρέθηκαν να συγκεντρώνονται στην ίδια περιοχή με τους «ιούς» όγκων RNA, γεγονός που αυξάνει τον κίνδυνο εσφαλμένης αναγνώρισης αυτών των σωματιδίων ως «ιών» όγκων. Οι Benz Jr. και Moses κατέληξαν στο συμπέρασμα ότι το FBS είναι ευρέως μολυσμένο με «ιόμορφα» σωματίδια άγνωστων βιολογικών ιδιοτήτων και ότι τέτοια μολυσματικά στοιχεία εισάγουν μια ανεξέλεγκτη μεταβλητή στις μελέτες που επιχειρούν να ανιχνεύσουν και να πολλαπλασιάσουν έναν «ιό» ανθρώπινου όγκου, του οποίου οι ιδιότητες παραμένουν εξίσου άγνωστες.
«Η παρουσία δομών παρόμοιων με ιούς σε όλα τα δείγματα βοοειδούς ορού που εξετάστηκαν σε αυτό το εργαστήριο αποτελεί σοβαρό πιθανό εμπόδιο για τον ερευνητή που εξετάζει ανθρώπινες καρκινικές σειρές που αναπτύσσονται σε βοοειδή ορό για την παραγωγή ενός ανθρώπινου καρκινικού ιού. 1) Η παρουσία μολυσματικού βοοειδούς ιού θα μπορούσε να επηρεάσει άμεσα τη δημιουργία ανθρώπινων καρκινικών σειρών ή την παραγωγή καρκινικού ιού. Έχει αναφερθεί ότι το FBS αναστέλλει την αυθόρμητη νεοπλασματική μεταμόρφωση των κυττάρων ποντικιών in vitro (6). 2) Ένας ιός που μολύνει τον ορό θα μπορούσε να παρεμποδίσει την ανίχνευση της παραγωγής ενδογενών ιών όγκων, καθώς τα μικρά, ιόμορφα σωματίδια που παρατηρήθηκαν σε αυτό το εργαστήριο συγκεντρώνονται στην περιοχή ισορροπίας πυκνότητας όπου αναμένεται να συγκεντρωθούν οι ιοί όγκων RNA (7). Τα δεδομένα ενσωμάτωσης 3H-ουριδίνης υποδηλώνουν ότι τα σωματίδια μπορεί να είναι βιολογικά ενεργά. Ωστόσο, η αποκλειστική ανίχνευση αυτών των δομών στα κλάσματα με τη μεγαλύτερη ενσωμάτωση 3H-ουριδίνης δεν σημαίνει απαραίτητα ότι αυτοί οι παράγοντες είναι υπεύθυνοι για την πρόσληψη του ισοτόπου. Εάν τα σωματίδια είναι βιολογικά ενεργά, η ανίχνευση ενός ιού RNA από μια κυτταρική σειρά όγκου που αναπτύσσεται σε FBS, με ενσωμάτωση 3H-ουριδίνης ακολουθούμενη από φυγοκέντρηση ισορροπίας πυκνότητας, θα ήταν αμφίβολη, ειδικά εάν παράγεται λίγος ενδογενής παράγοντας. Τουλάχιστον αυτά τα ευρήματα υποδηλώνουν ότι το FBS είναι ευρέως μολυσμένο με σωματίδια παρόμοια με ιούς με άγνωστες βιολογικές ιδιότητες. Η πιθανότητα ύπαρξης ενός τέτοιου μολυσματικού παράγοντα προσθέτει μια ανεξέλεγκτη μεταβλητή στις μελέτες που επιχειρούν να ανιχνεύσουν και να πολλαπλασιάσουν έναν ιό ανθρώπινου όγκου, του οποίου οι ιδιότητες είναι επίσης άγνωστες.
https://pubmed.ncbi.nlm.nih.gov/4834422/
Παρόμοια αποτελέσματα με αυτά των Benz Jr. και Moses επιτεύχθηκαν δύο χρόνια αργότερα, το 1976, όταν οι Calafat et al. ανέφεραν την παρουσία «ιϊκών» σωματιδίων σε εννέα διαφορετικά εμπορικά οροί βοοειδών που χρησιμοποιούνταν για καλλιέργεια ιστών. Αυτά τα σωματίδια ήταν σφαιρικά, με διάμετρο που κυμαινόταν από 70 έως 95 nm, και είχαν επιφανειακές προεξοχές μήκους περίπου 11 έως 12 nm. Παρά την ομοιότητά τους με «γνωστούς ιούς», μόνο ένα από τα εννέα δείγματα βρέθηκε θετικό στον «ιό της βοοειδούς ιογενούς διάρροιας» (BVDV) με τη χρήση της δοκιμής Ouchterlony. Οι ερευνητές τόνισαν τη σημασία της διασφάλισης ότι δεν υπάρχουν «ιόμορφα» σωματίδια στα μέσα καλλιέργειας ιστών, καθώς η παρουσία τους μπορεί να περιπλέξει τις μελέτες σχετικά με την παραγωγή «ιών».
Ιόμορφα σωματίδια σε ορούς βοοειδών για καλλιέργεια ιστών
Περίληψη
«Σωματίδια παρόμοια με ιούς βρέθηκαν σε εννέα διαφορετικά οροί βοοειδών για καλλιέργεια ιστών από εμπορικούς προμηθευτές. Τα σωματίδια αυτά ήταν σφαιρικά με συνολική διάμετρο μεταξύ 70 και 95 nm. Μετά από αρνητική χρώση, ήταν σαφώς ορατές προεξοχές επιφάνειας περίπου 11 έως 12 nm. Ένας από τους εννέα ορούς ήταν θετικός σε δοκιμή Ouchterlony με αντιορούς κατά του ιού της ιογενούς διάρροιας των βοοειδών.
Σε πολλές μελέτες σχετικά με την παραγωγή ιών σε καλλιέργειες ιστών, είναι σημαντικό να αναζητηθούν σωματίδια ιών στο μέσο (Todaro, Zeve & Aaronson, I970). Σε περιπτώσεις όπου η παραγωγή ιών από τα κύτταρα είναι πολύ χαμηλή ή η μορφολογία των σωματιδίων ιών δεν είναι καλά καθορισμένη, είναι απαραίτητο το ίδιο το μέσο καλλιέργειας ιστών, ειδικά το συστατικό του ορού, να μην περιέχει σωματίδια που μοιάζουν με ιούς.
Κατά τη διάρκεια της έρευνάς τους, οι ερευνητές ανίχνευσαν αρχικά «ιϊκά» σωματίδια στο μέσο μονοστρωματικών κυττάρων που παρήγαγαν τον λεγόμενο «ιό της λευχαιμίας των βοοειδών» (BLV). Παράλληλα, παρατήρησαν μικρότερα αλλά μορφολογικά παρόμοια σωματίδια (~80 nm) με επιφανειακές προεξοχές. Δεδομένου ότι αυτά τα μικρότερα σωματίδια απουσίαζαν σε λεπτές τομές των κυτταρικών καλλιεργειών, οι ερευνητές έστρεψαν την προσοχή τους στον ίδιο τον ορό μοσχαριού. Κατά την εξέταση, κάθε δείγμα βοοειδούς ορού περιείχε άφθονα «ιόμορφα» σωματίδια με επιφανειακές προεξοχές περίπου 11 έως 12 nm.
Οι ερευνητές παρατήρησαν ότι άλλοι «ιοί», όπως ο «βοοειδής συγκυτιακός ιός» (BSV), παρουσίαζαν παρόμοια μορφολογία και επιφανειακές προεξοχές συγκρίσιμου μήκους. Ο «BVDV» βρέθηκε να έχει παρόμοια διάμετρο με αυτά τα σωματίδια, αλλά εκείνη την εποχή δεν ήταν σαφές εάν είχε επιφανειακές προεξοχές. Μεταγενέστερες μελέτες «επιβεβαίωσαν» ότι ο «BVDV» έχει πράγματι τέτοιες προεξοχές.
Για να προσδιορίσουν εάν τα παρατηρούμενα σωματίδια ήταν πραγματικοί «ιοί», οι ερευνητές διεξήγαγαν ορολογικές δοκιμές έναντι του «BVDV», του «παραϊνφλουέντζας-3 (PI-3)», του «μολυσματικού ιού της ρινοτραχειίτιδας των βοοειδών (IBRV)», του «BSV» και του «BLV». Μόνο το δείγμα από τα εργαστήρια Bio-cult αντέδρασε με τον ορό «anti-BVDV», ενώ τα άλλα έδωσαν αρνητικά αποτελέσματα. Έτσι, οι δοκιμές δεν κατέληξαν στο συμπέρασμα ότι τα μορφολογικά πανομοιότυπα «ιόμορφα» σωματίδια ήταν «ιός».
Δεδομένου ότι «ιόμορφα» σωματίδια ανιχνεύθηκαν σε όλα τα δείγματα ορού που εξετάστηκαν, η μελέτη έθεσε ανησυχίες σχετικά με την πιθανότητα να επηρεάσουν τις μορφολογικές μελέτες των «ιών» σε καλλιέργειες ιστών. Οι ερευνητές κατέληξαν στο συμπέρασμα ότι τα σωματίδια αυτά ήταν πιθανότατα μολυσματικά από εμβρυϊκό βόειο ορό και όχι γνήσια «ιογενή απομονώματα». Τόνισαν ότι χωρίς πρόσθετη επαλήθευση, τα «ιόμορφα» σωματίδια δεν μπορούν να ταυτοποιηθούν ως «ιοί» με βάση μόνο τη μορφολογία τους.
Σε προηγούμενη έκθεση (Calafat, Hageman & Ressang, I974) περιγράψαμε τη μορφολογία του ιού της λευχαιμίας των βοοειδών (BLV) σε βραχυπρόθεσμες καλλιέργειες λευκοκυττάρων από αγελάδες με επίμονη λεμφοκυττάρωση. Αυτά τα σωματίδια βρέθηκαν σε λεπτές τομές των κυττάρων και μετά από αρνητική χρώση του υλικού που συγκεντρώθηκε από το μέσο κυτταρικής καλλιέργειας. Η απόδοση των σωματιδίων που μοιάζουν με ιούς από το υγρό της κυτταρικής καλλιέργειας ήταν πολύ χαμηλή, αλλά μετά από αρνητική χρώση, τα σωματίδια μπορούσαν ωστόσο να αναγνωριστούν λόγω των σαφών επιφανειακών προεξοχών τους. Λεπτές τομές από το ίδιο ίζημα έδειξαν επίσης σωματίδια BLV. Η διάμετρος των σωματιδίων BLV ήταν περίπου 100 nm. Ωστόσο, σε πολλά ίζημα που παρασκευάστηκαν από μέσο μονοστρωματικής παραγωγής BLV, βρέθηκαν επίσης πολλά σωματίδια με διάμετρο περίπου 80 nm και με επιφανειακές προεξοχές. Αυτά τα μικρότερα σωματίδια δεν παρατηρήθηκαν σε λεπτές τομές από τις κυτταρικές καλλιέργειες και, ως εκ τούτου, διερευνήσαμε εάν ο ορός μοσχαριού που χρησιμοποιήθηκε για την παρασκευή του μέσου καλλιέργειας περιείχε αυτά τα σωματίδια.
Στην παρούσα έκθεση περιγράφουμε ιόμορφα σωματίδια που βρέθηκαν σε εννέα διαφορετικούς ορούς βοοειδών από εμπορικούς προμηθευτές που χρησιμοποιούνται για την καλλιέργεια ιστών.
«Όλα τα δείγματα βοοειδούς ορού που εξετάστηκαν περιείχαν σωματίδια παρόμοια με ιούς, ακόμη και μετά από αδρανοποίηση των ορών για 30 λεπτά στους 56 °C. Αυτά τα σωματίδια ήταν πολυάριθμα σε όλα τα παρασκευάσματα. Μετά από αρνητική χρώση, τα σωματίδια αναγνωρίστηκαν εύκολα από τις επιφανειακές προεξοχές περίπου 11 έως 12 nm. Τα σωματίδια ήταν σφαιρικά με συνολική διάμετρο 70 έως 95 nm (Εικ. l). Σε λεπτές τομές των ρητίνων, τα ίδια σωματίδια βρέθηκαν περιβαλλόμενα από κοκκώδες υλικό (Εικ. 2). Οι επιφανειακές προεξοχές περίπου 11 έως 12 nm παρατηρήθηκαν επίσης στην πλειονότητα αυτών των παρασκευασμάτων.»
«Μετά από αρνητική χρώση, ο BSV έχει μορφολογία παρόμοια με τα σωματίδια που περιγράφονται επί του παρόντος και έχει επίσης επιφανειακές προεξοχές περίπου του ίδιου μήκους (Malmquist et al. I974). Η διάμετρος του BVDV είναι παρόμοια με τα σωματίδια του ιού μας, αλλά δεν είναι ακόμη γνωστό εάν ο BVDV έχει επιφανειακές προεξοχές (Dutta, Shope & Pomeroy, I965) ή όχι (Ritchie & Fernelius, I969).
Επειδή ήταν δύσκολο να προσδιοριστεί μόνο με μορφολογικές μελέτες ο τύπος του ιού που αντιπροσωπεύουν αυτά τα σωματίδια – εάν αυτά τα σωματίδια είναι πράγματι ιός – πραγματοποιήθηκε δοκιμή διπλής διάχυσης σε πήκτωμα αγαρόζης 0,7 % με δείγματα από κάθε βοοειδές ορό έναντι αδιάλυτων ορών anti-BVDV, PI-3, IBRV, BSV και BLV. Μόνο το δείγμα από τα εργαστήρια Bio-cult παρήγαγε μια γραμμή καταβύθισης έναντι του αντι-BVDV ορού, αλλά είναι πιθανό τα αρνητικά αποτελέσματα να οφείλονται στην καταστροφή των αντιγόνων του ιού κατά την παρασκευή των ορών για την καλλιέργεια ιστών.
Όταν πραγματοποιούνται μορφολογικές μελέτες σε σωματίδια ιού που απομονώνονται από μέσο καλλιέργειας ιστών, είναι σημαντικό να γνωρίζουμε εάν υπάρχουν σωματίδια παρόμοια με ιούς στον ορό βοοειδών που χρησιμοποιείται για την παρασκευή του μέσου καλλιέργειας ιστών. Αυτό είναι ιδιαίτερα σημαντικό όταν οι μορφολογικές μελέτες βασίζονται σε αρνητική χρώση, η μορφολογία του ιού δεν είναι καλά γνωστή και η παραγωγή του ιού είναι χαμηλή. Σε άλλη δημοσίευση (Calafat et al. I974) περιγράψαμε ως BLV σωματίδια που απομονώθηκαν από μέσα καλλιέργειας ιστών βραχυπρόθεσμων καλλιεργειών λευκοκυττάρων από αγελάδες με επίμονη λεμφοκυττάρωση. Αυτά τα σωματίδια ήταν πιθανώς σωματίδια που προέρχονταν από μολυσμένο εμβρυϊκό βόειο ορό.
https://pubmed.ncbi.nlm.nih.gov/185326/
Η εύρεση «ιϊκών» σωματιδίων στα μέσα που χρησιμοποιούνται για μελέτες κυτταρικής καλλιέργειας θα πρέπει να εγείρει σοβαρές αμφιβολίες σχετικά με την εγκυρότητα αυτών των μελετών, πέρα από την εγγενή ψευδοεπιστημονική τους φύση και τα λογικά τους ελαττώματα. Αυτές οι μελέτες υποδηλώνουν ότι τα σωματίδια που θεωρούνται «ιοί» μετά από πειράματα κυτταρικής καλλιέργειας είναι απλά φυσιολογικά κυτταρικά συστατικά του ίδιου του μέσου. Μόλις ολοκληρωθεί η καλλιέργεια και ληφθούν εικόνες TEM, αυτά τα σωματίδια ερμηνεύονται ως «ιοί». Αυτό δημιουργεί ένα κυκλικό, ελαττωματικό σύστημα που τελικά δημιουργεί αυτό που έχει σχεδιαστεί να βρει. Αυτά τα ευρήματα υπογραμμίζουν ότι το σύστημα είναι αυτοενισχυόμενο, όπου το συμπέρασμα (ότι τα σωματίδια είναι «ιοί») είναι ενσωματωμένο στη μεθοδολογία, αντί να αποδεικνύει πραγματικά την ύπαρξη «ιών».
Μέχρι τη δεκαετία του 1980, έγινε όλο και πιο εμφανές ότι «ιόμορφα» σωματίδια βρέθηκαν σε φυσιολογικά σωματικά υγρά, καθώς και σε δείγματα ιστών και κυτταρικών καλλιεργειών που θεωρούνταν «μη μολυσμένα». Αυτό συνέχισε να εγείρει ερωτήματα σχετικά με το αν τέτοια σωματίδια ήταν πραγματικά «παθογόνοι ιοί». Ως αποτέλεσμα, οι ερευνητές άρχισαν να επανεξετάζουν τη φύση αυτών των σωματιδίων. Μια αλλαγή ξεκίνησε τη δεκαετία του 1970 και του 1980, με τον όρο «σωματίδια παρόμοια με ιούς» να αντικαθίσταται σταδιακά από τους όρους «κυστίδια» ή «μικροκυστίδια» για να περιγράψει τα μικρά σωματίδια που αποβάλλονται από την επιφάνεια των κυττάρων, συνήθως μέσω της απόσπασης μεμβράνης ή της δημιουργίας φυσαλίδων.
Τα πράγματα πήραν μια σημαντική στροφή το 1983, όταν ερευνητές, που εργάζονταν με κυτταρικές καλλιέργειες δικτυοκυττάρων (ελαφρώς ανώριμα ερυθρά αιμοσφαίρια), βρήκαν μικρά κυστίδια 40-150 nm στις εικόνες τους από ηλεκτρονικό μικροσκόπιο. Αυτά τα σωματίδια είχαν το ίδιο μέγεθος, σχήμα και πυκνότητα με τα «ιϊκά» σωματίδια, παρόλο που δεν υπήρχε «ιϊκό» υλικό στις καλλιέργειες. Ενώ τα «ιϊκά» σωματίδια θεωρήθηκαν αρχικά ως κυτταρικά υπολείμματα και/ή σακούλες απορριμμάτων, αργότερα τους αποδόθηκε μια θεωρητική λειτουργία σχετική με την ενδοκυτταρική επικοινωνία. Παρόλο που τα κυστίδια ήταν αδιακρίτως όμοια με τα «ιϊκά» σωματίδια, τους δόθηκε το όνομα «εξωσώματα» προκειμένου να διακριθούν από τα «ιϊκά» σωματίδια.
Καθώς έχω ήδη αναλύσει λεπτομερώς τις πρώτες μελέτες για τα «εξωσώματα», δεν θα επεκταθώ σε περισσότερες λεπτομέρειες εδώ. Ωστόσο, είναι σαφές ότι τα ίδια «ιόμορφα» σωματίδια με εξογκώματα στην επιφάνειά τους, τα οποία αναφέρονται ως κυστίδια σε αυτή την κρίσιμη μελέτη του 1983 για τα «εξωσώματα» των Pan et al. που παρουσιάζεται παρακάτω, βρέθηκαν σε δικτυοκύτταρα προβάτων που καλλιεργήθηκαν υπό διάφορες συνθήκες. Μετά από 36 ώρες επώασης, αυτά τα «ιϊκά» κυστίδια —που θυμίζουν ανατριχιαστικά τους «κοροναϊούς»— «διαχωρίστηκαν» από το μέσο καλλιέργειας.
Η τύχη του υποδοχέα τρανσφερίνης κατά τη διάρκεια της ωρίμανσης των δικτυοκυττάρων προβάτων in vitro: επιλεκτική εξωτερίκευση του υποδοχέα
«Χρησιμοποιώντας δικτυοκύτταρα προβάτων, επισημασμένα στην επιφάνεια με «251», παρατηρήσαμε ότι η ποσότητα της πρωτεΐνης της πλασματικής μεμβράνης που επισημάνθηκε με «251» και καταβυθίστηκε με το ειδικό αντίσωμα κατά του υποδοχέα τρανσφερίνης μειώνεται με την πάροδο του χρόνου στην καλλιέργεια, παράλληλα με την απώλεια του δικτύου (Pan, Blostein και Johnstone, 1983). Αυτά τα δεδομένα υποδηλώνουν ότι ο υποδοχέας ενδέχεται να απομακρύνεται από την πλασματική μεμβράνη. Για να ελεγχθεί αυτή η πιθανότητα, η κυτταρική επιφάνεια επισημάνθηκε με «251» και λακτοπεροξειδάση (Reichstein και Blostein, 1975) και τα κύτταρα επωάστηκαν για 36 ώρες στους 37 °C. Αρχικά, και μετά από 36 ώρες, τα κύτταρα διαχωρίστηκαν από το μέσο επώασης. Οι πλασματικές μεμβράνες προετοιμάστηκαν (Dodge et al., 1963) και διαλυτοποιήθηκαν, και οι διαλυτοποιημένες μεμβράνες και το μέσο μετά την επώαση χωρίς κύτταρα πέρασαν από μια στήλη ανοσοσυγγένειας αντι-τρανσφερίνης-υποδοχέα, όπως περιγράφεται (Pan, Blostein και Johnstone, 1983).
Μελέτες με ηλεκτρονικό μικροσκόπιο Αρνητική χρώση
«Το μέσο χωρίς κύτταρα, μετά την επώαση, που προέκυψε από την επώαση των δικτυοκυττάρων που είχαν επισημανθεί με αντισώματα (αντισώματα 251 ή αντισώματα FITC) φυγοκεντρήθηκε στα 100.000 X g για 1 ώρα. Το ίζημα που προέκυψε χρωματίστηκε με 1% μολυβδαινικό αμμώνιο και εξετάστηκε με ηλεκτρονικό μικροσκόπιο Philips 300. Σε πειράματα όπου το υπερκείμενο χωρίς κύτταρα πέρασε πρώτα από στήλη συγγένειας πρωτεΐνης Α, το όξινο έκλουσμα από τη στήλη πρωτεΐνης Α εξουδετερώθηκε αμέσως και φυγοκεντρήθηκε για να ληφθεί ίζημα για χρώση.»
https://pubmed.ncbi.nlm.nih.gov/6307529/
Αυτή η μελέτη έδειξε ότι «ιόμορφα» κυστίδια απομονώθηκαν από υπερκείμενα «μη μολυσμένων» κυτταρικών καλλιεργειών και αναλύθηκαν ως προς τη δομή και τη σύνθεσή τους. Η μεθοδολογία — υπερφυγοκέντρηση, χρώση «αντισωμάτων» και ηλεκτρονική μικροσκοπία — είναι πανομοιότυπη με τις τεχνικές που χρησιμοποιούνται στην ιολογία για τη μελέτη «ιϊκών» σωματιδίων. Με την πάροδο του χρόνου, αυτά τα σωματίδια, που αρχικά αναφέρονταν ως «ιϊκά», ερμηνεύτηκαν εκ νέου ως κυτταρικά κυστίδια και αργότερα ταξινομήθηκαν ως «εξωσώματα».
Το 1985, μια μελέτη της ίδιας ερευνητικής ομάδας θόλωσε ακόμη περισσότερο τα όρια μεταξύ των «ιϊκών» σωματιδίων και αυτών που αργότερα ονομάστηκαν «εξωσώματα». Αυτή τη φορά, κατά την καλλιέργεια δικτυοκυττάρων προβάτων υπό διάφορες συνθήκες, οι ερευνητές παρατήρησαν κυστίδια 100-200 nm και σωματίδια 50 nm — σωματίδια που εμπίπτουν ακριβώς στο αναφερόμενο εύρος μεγέθους πολλών «ιών». Η περιγραφή των σωμάτων 50 nm που σχηματίζονται μέσω της βλάστησης από ενδοκυτταρικά κυστίδια αντικατοπτρίζει στενά τον τρόπο με τον οποίο οι ιολόγοι περιγράφουν τη «ιογενή» συναρμολόγηση και απελευθέρωση. Επιπλέον, ο αναφερόμενος μηχανισμός απελευθέρωσης —σύντηξη των MVE με την πλασματική μεμβράνη, ακολουθούμενη από την εκφόρτιση μικρών κυστιδίων στο μέσο— είναι σχεδόν πανομοιότυπος με τις παρατηρήσεις που οι ιολόγοι αναφέρουν ως απόδειξη της «ιογενούς» βλάστησης και εξόδου. Δεδομένου ότι αυτά τα ευρήματα βασίζονται σε στατικές εικόνες ηλεκτρονικής μικροσκοπίας, η κατεύθυνση της κίνησης των κυστιδίων (εξωκυττάρωση έναντι ενδοκυττάρωσης) συνάγεται και δεν παρατηρείται άμεσα, αφήνοντας περιθώρια για παρερμηνεία. Τελικά, η ταξινόμηση αυτών των δομών εξαρτάται από την ερμηνεία των ερευνητών και όχι από την άμεση παρατήρηση.
Αποδεικτικά στοιχεία ηλεκτρονικής μικροσκοπίας για την εξωτερίκευση του υποδοχέα τρανσφερίνης σε κυστιδική μορφή σε δικτυοκύτταρα προβάτων
«Χρησιμοποιώντας πρωτεΐνη Α σημασμένη με φερριτίνη και αντι-κουνελιού IgG σημασμένο με κολλοειδές χρυσό, η πορεία του υποδοχέα τρανσφερίνης προβάτου παρακολουθήθηκε μικροσκοπικά κατά τη διάρκεια της ωρίμανσης των δικτυοκυττάρων in vitro. Μετά από λίγα λεπτά επώασης στους 37 °C, ο υποδοχέας εντοπίζεται στην κυτταρική επιφάνεια ή σε απλά κυστίδια 100-200 nm, στα οποία ο υποδοχέας φαίνεται να ευθυγραμμίζεται με την περιοριστική μεμβράνη των κυστιδίων. Με την πάροδο του χρόνου (60 λεπτά ή περισσότερο), εμφανίζονται μεγάλα πολυκυστιδιακά στοιχεία (MVE) των οποίων η διάμετρος μπορεί να φτάσει τα 1-1,5 μικρά. Μέσα σε αυτά τα μεγάλα MVE βρίσκονται στρογγυλά σώματα διαμέτρου περίπου 50 nm που φέρουν τον υποδοχέα στην εξωτερική τους επιφάνεια. Η περιοριστική μεμβράνη των μεγάλων MVE είναι σχετικά ελεύθερη από υποδοχείς. Όταν τα μεγάλα MVE συνενώνονται με την πλασματική μεμβράνη, το περιεχόμενό τους, τα σώματα των 50 nm, απελευθερώνεται στο μέσο. Τα σώματα των 50 nm φαίνεται να προκύπτουν από την εκφύτρωση της περιοριστικής μεμβράνης των ενδοκυτταρικών κυστιδίων. Η αφαίρεση του επιφανειακού υποδοχέα με προνάση δεν εμποδίζει την εξωκυττάρωση του εσωτερικευμένου υποδοχέα. Προτείνεται ότι η εξωκυττάρωση των σωμάτων διαμέτρου περίπου 50 nm αντιπροσωπεύει τον μηχανισμό με τον οποίο ο υποδοχέας τρανσφερίνης αποβάλλεται κατά τη διάρκεια της ωρίμανσης των δικτυοκυττάρων.
«Τα φυσικά, πλυμένα δικτυοκύτταρα προβάτων επωάστηκαν με το ειδικό αντι-τρανσφερίνη αντιορό σε θερμοκρασία 0°C για 90 λεπτά, με αποτέλεσμα τη μέγιστη σήμανση των κυττάρων (5). Μετά από πλύση σε PBS, τα κύτταρα επωάστηκαν εκ νέου στους 0°C με φερριτίνη-πρωτεΐνη Α για 45 λεπτά (23). Το μη δεσμευμένο αντίσωμα και η πρωτεΐνη Α ξεπλύθηκαν στους 0°C και τα κύτταρα μεταφέρθηκαν στους 37°C και επωάστηκαν για άλλα 30 λεπτά σε μέσο καλλιέργειας (5). Τα κύτταρα συσσωματώθηκαν με φυγοκέντρηση στα 12.000 g για 5 λεπτά, πλύθηκαν, σταθεροποιήθηκαν κατά τη διάρκεια της νύχτας στους 4°C σε 2,5 % γλουταραλδεΰδη με 0,1 M ρυθμιστικό διάλυμα φωσφορικού νατρίου pH 7,4 και 0,1 % αζίδιο νατρίου. (β) Σήμανση με κολλοειδές χρυσό. Για τη σήμανση με κολλοειδές χρυσό, τα κύτταρα επωάστηκαν με αντιορό για 90 λεπτά στους 0°C, πλύθηκαν 2-3 φορές και στη συνέχεια επωάστηκαν εκ νέου στους 0°C για άλλα 60 λεπτά με κολλοειδές χρυσό-σημασμένο IgG κατσίκας κατά κουνελιού. Μετά από αρκετές πλύσεις στους 0°C, τα κύτταρα εισήχθησαν σε μέσο καλλιέργειας και η θερμοκρασία αυξήθηκε σταδιακά στους 37°C.
https://pubmed.ncbi.nlm.nih.gov/2993317/
Το γεγονός ότι τα «εξωσώματα» και οι «ιοί» είναι σωματίδια πανομοιότυπα ως προς το σχήμα, το μέγεθος και την πυκνότητα είναι καλά τεκμηριωμένο στην «επιστημονική» βιβλιογραφία. Όπως σημειώνεται στο άρθρο «Εξωκυτταρικά κυστίδια και ιοί – Οι δύο όψεις του ίδιου νομίσματος;», πολλοί ιολόγοι με εμπειρία στην έρευνα των εξωκυτταρικών κυστιδίων (και αντιστρόφως) έχουν αναγνωρίσει αυτή την αλληλεπικάλυψη. Ο τυπικός ορισμός ενός εξωκυτταρικού κυστιδίου περιλαμβάνει τους περισσότερους «ιούς» με περίβλημα, γεγονός που οδηγεί τον συγγραφέα να αναρωτηθεί πώς οι ερευνητές των «εξωσωμάτων» μπορούν να είναι σίγουροι ότι απομονώνουν και ποσοτικοποιούν εξωκυτταρικά κυστίδια και όχι «ιούς» με περίβλημα στα δείγματά τους. Ομοίως, πώς μπορούν οι ιολόγοι να είναι σίγουροι ότι δεν ανιχνεύουν «μη ιογενή» κυστίδια παρόμοιου μεγέθους ή κενά φορείς κατά την παραγωγή εμβολίων;
Η πραγματικότητα είναι ότι δεν μπορούν. Είναι ευρέως αποδεκτό ότι δεν υπάρχει αξιόπιστη μέθοδος για τον πλήρη διαχωρισμό αυτών των πανομοιότυπων σωματιδίων. Δεδομένου ότι δεν μπορούν να διακριθούν με βεβαιότητα, οι ερευνητές που χρησιμοποιούν ηλεκτρονικό μικροσκόπιο παρατηρούν τα ίδια σωματίδια σε κυτταρικές καλλιέργειες, ανεξάρτητα από το αν έχει εισαχθεί «ιϊκό» υλικό. Η ταξινόμηση και η λειτουργία τους καθορίζονται με βάση τις προκαταλήψεις της επιστημονικής κοινότητας που σχετίζονται με το πεδίο μελέτης και όχι με βάση σαφείς φυσικές διακρίσεις.
Μια πιο προσεκτική ματιά στις απαρχές της ηλεκτρονικής μικροσκοπίας και στις θεμελιώδεις μελέτες της ιολογίας αποκαλύπτει μια ανησυχητική τάση εσφαλμένης συλλογιστικής. Οι ιολόγοι, επηρεασμένοι από μελέτες φιλτραρίσματος και τεχνητά πειράματα σε ζώα, είχαν ήδη αποφασίσει τι θα έπρεπε να είναι ένας «ιός» πριν καν προσπαθήσουν να τον απεικονίσουν. Με την έλευση της ηλεκτρονικής μικροσκοπίας, άρχισαν να εξετάζουν μη καθαρισμένα υλικά από νοσούντες ξενιστές, αναζητώντας σωματίδια που να ταιριάζουν με την προκαθορισμένη αντίληψή τους για έναν «ιό».
Ωστόσο, σε κανένα σημείο αυτά τα σωματίδια —που θεωρήθηκαν «παθογόνοι ιοί»— δεν επαληθεύτηκαν ποτέ με τη χρήση αποδεικτικών στοιχείων που προέρχονταν από την επιστημονική μέθοδο με τρόπο που να ικανοποιεί τα αξιώματα του Koch. Ο Helmut Ruska και άλλοι απλώς επέλεξαν σχήματα από τα μη καθαρισμένα μείγματα που ταιριάζουν καλύτερα με το φανταστικό «παθογόνο» τους. Αυτές οι υποκειμενικές μορφολογικές ερμηνείες έγιναν η βάση για την αναγνώριση κάθε επόμενου σωματιδίου «ιού». Αυτή η έλλειψη αυστηρής επικύρωσης, σε συνδυασμό με την εξάρτηση από προκαθορισμένες υποθέσεις, διαμόρφωσε την ιολογία στο πεδίο που είναι σήμερα.
Σημειωτέον ότι τα ίδια σωματίδια —τα οποία δεν έχει αποδειχθεί επιστημονικά ότι είναι «ιοί»— έχουν βρεθεί τακτικά τόσο σε ανθυγιεινά όσο και σε υγιή ιστούς, σε δείγματα κυτταρικών καλλιεργειών, ακόμη και στον εμβρυϊκό ορό βοοειδών που χρησιμοποιείται ως μέσο συντήρησης. Εμφανίστηκαν σε μέρη όπου δεν αναμενόταν να υπάρχουν «ιοί» και δεν έδειξαν βιολογική δραστηριότητα εκεί όπου υποτίθεται ότι θα έπρεπε. Όταν προέκυψαν αυτές οι ασυνέπειες, οι ερευνητές απέρριψαν τα σωματίδια ως φυσιολογικά κυτταρικά συστατικά ή υπολείμματα — ή τα αναταξινόμησαν ως εξωκυτταρικά κυστίδια ή «εξωσώματα» — όποτε αυτό ταίριαζε με την αφήγηση.
Αυτή η κυκλική συλλογιστική έχει οδηγήσει σε έναν ατέρμονο κύκλο αναγνώρισης μη ειδικών, μορφολογικά πανομοιότυπων σωματιδίων ως «ιών» χωρίς τις απαραίτητες επιστημονικές αποδείξεις που να το υποστηρίζουν. Όπως αποδεικνύεται εδώ, δεν χρειάστηκαν νέα πειράματα για να αποκαλυφθεί αυτό το γεγονός — μόνο μια κριτική ανάλυση της ίδιας της βιβλιογραφίας της ιολογίας, η οποία αποκαλύπτει την ψευδοεπιστημονική φύση των μεθόδων και των συμπερασμάτων της.
Αν σας άρεσε αυτό το άρθρο, μοιραστείτε το, εγγραφείτε για να λαμβάνετε περισσότερο περιεχόμενο και αν θέλετε να στηρίξετε το συνεχές έργο μου, μπορείτε να χρησιμοποιήσετε τον παρακάτω σύνδεσμο.
---Δικτυογραφία :
“Virus-like” Particles - by Mike Stone




















































